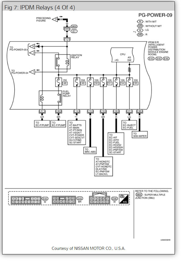
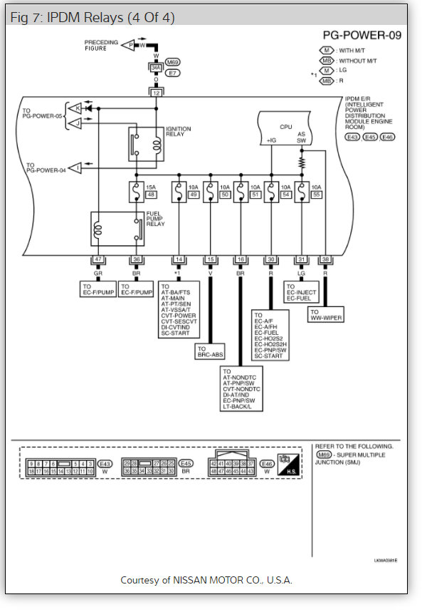
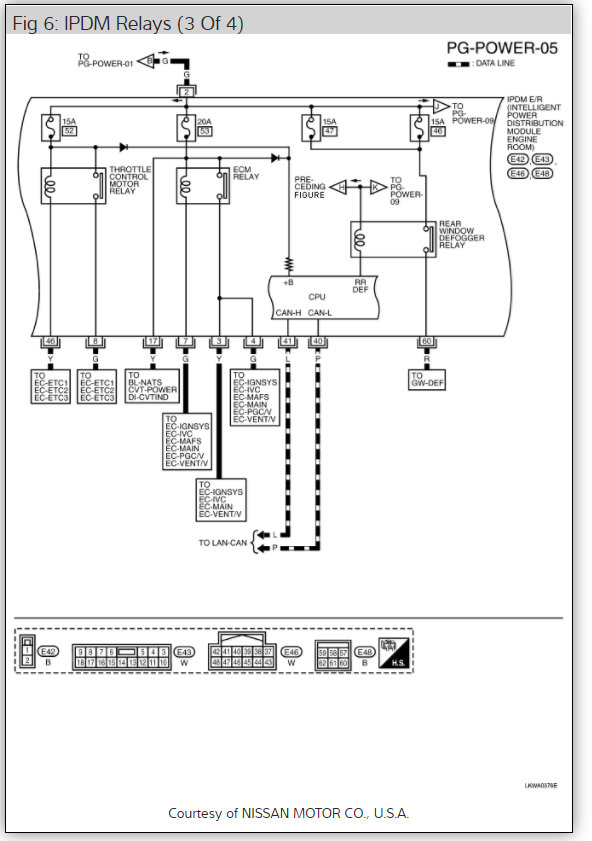
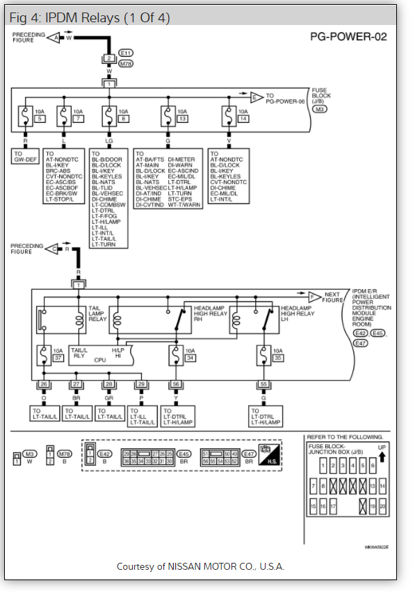
At the morning when i start the engine there are a lot of issues; the headlights turn on by themselves and the switch does not work. The fan runs in fast mode. The wiper does not work.
When i drive a little, all the problems come true.
Almost it does happen in cold days.
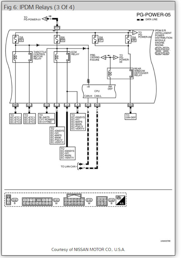
When i drive a little, all the problems come true.
Almost it does happen in cold days.
Oct 29, 2019 at 2:26 PM









