Why does my ECM/ign fuse keep popping?

Tiny
KRAZYKING505
  • MEMBER
  • 1992 CHEVROLET CHEYENNE
  • 4.3L
  • 6 CYL
  • 2WD
  • MANUAL
  • 195,000 MILES
ECM fuse keeps popping every time I put the key to on position. No start, no power at fuel pump fuse.
Thursday, November 10th, 2022 AT 6:02 AM

1 Reply

Tiny
AL514
  • MECHANIC
  • 5,584 POSTS
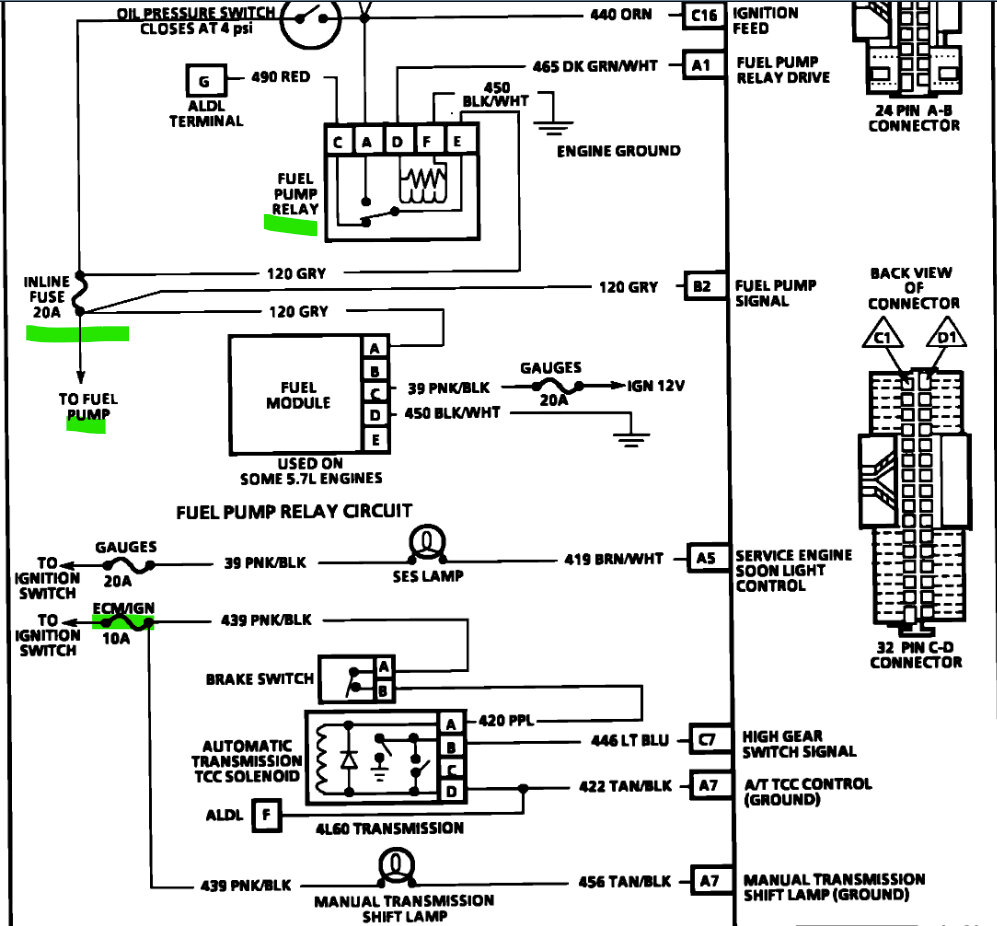
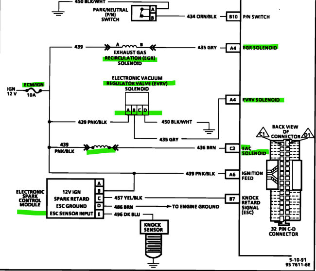
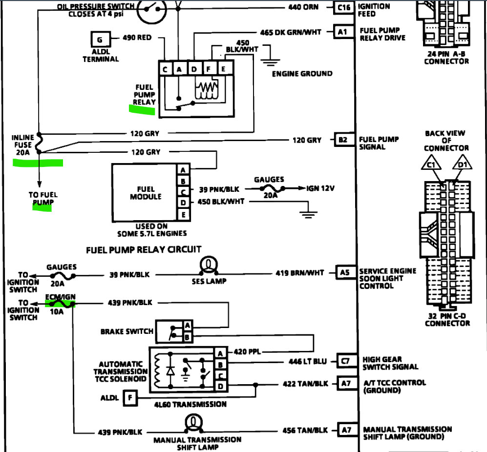
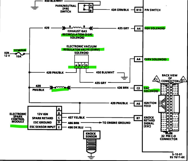
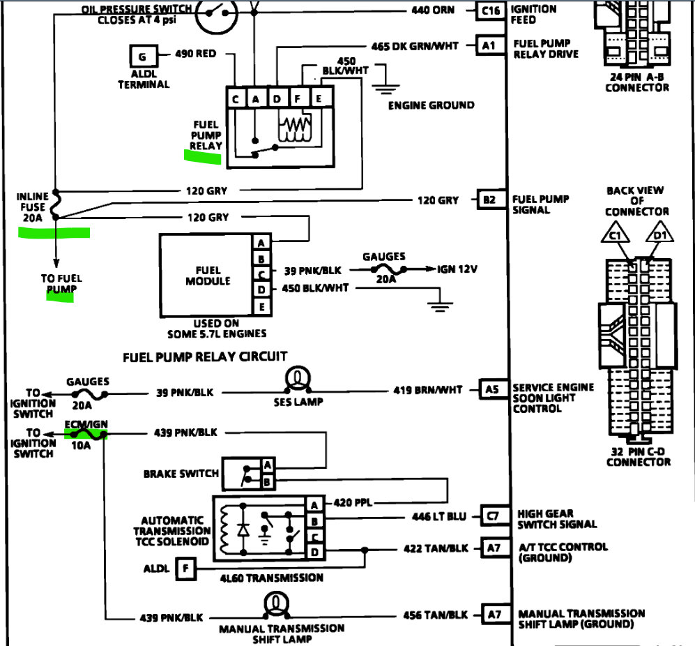
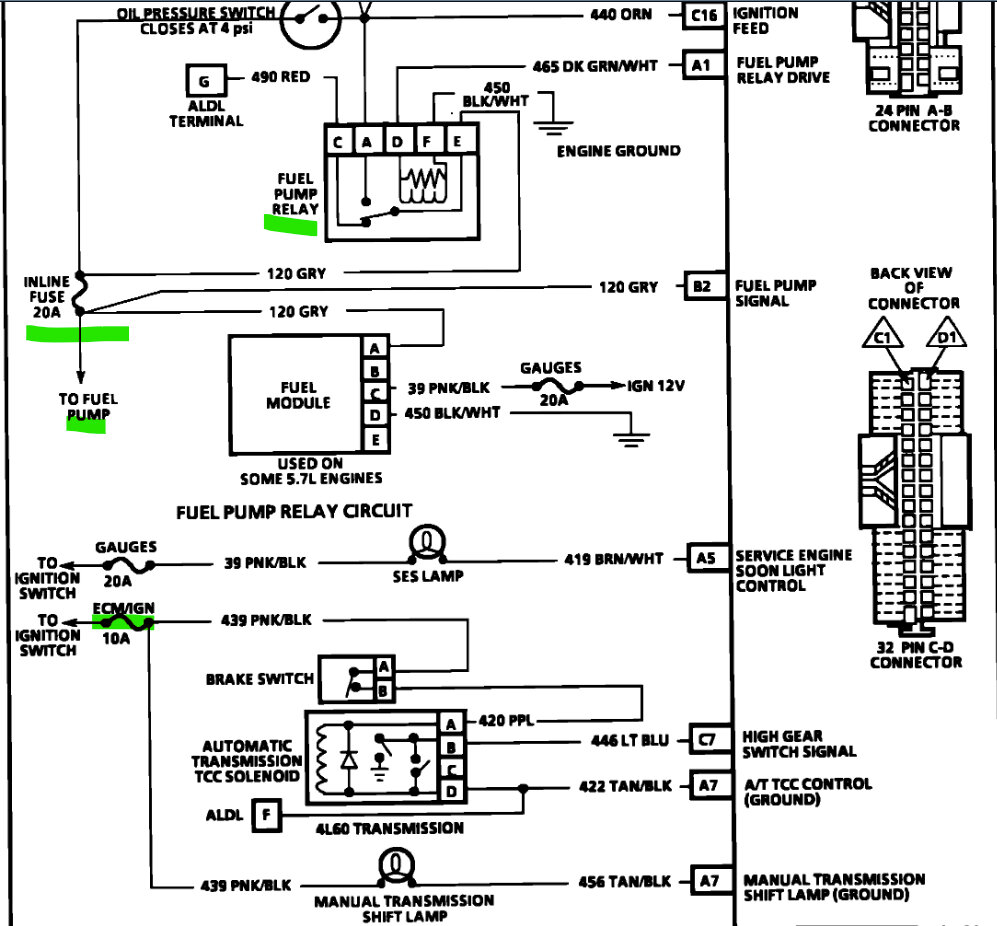
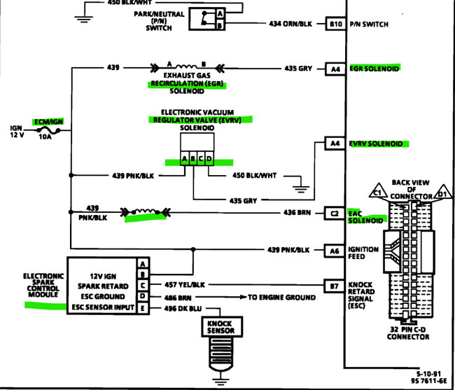
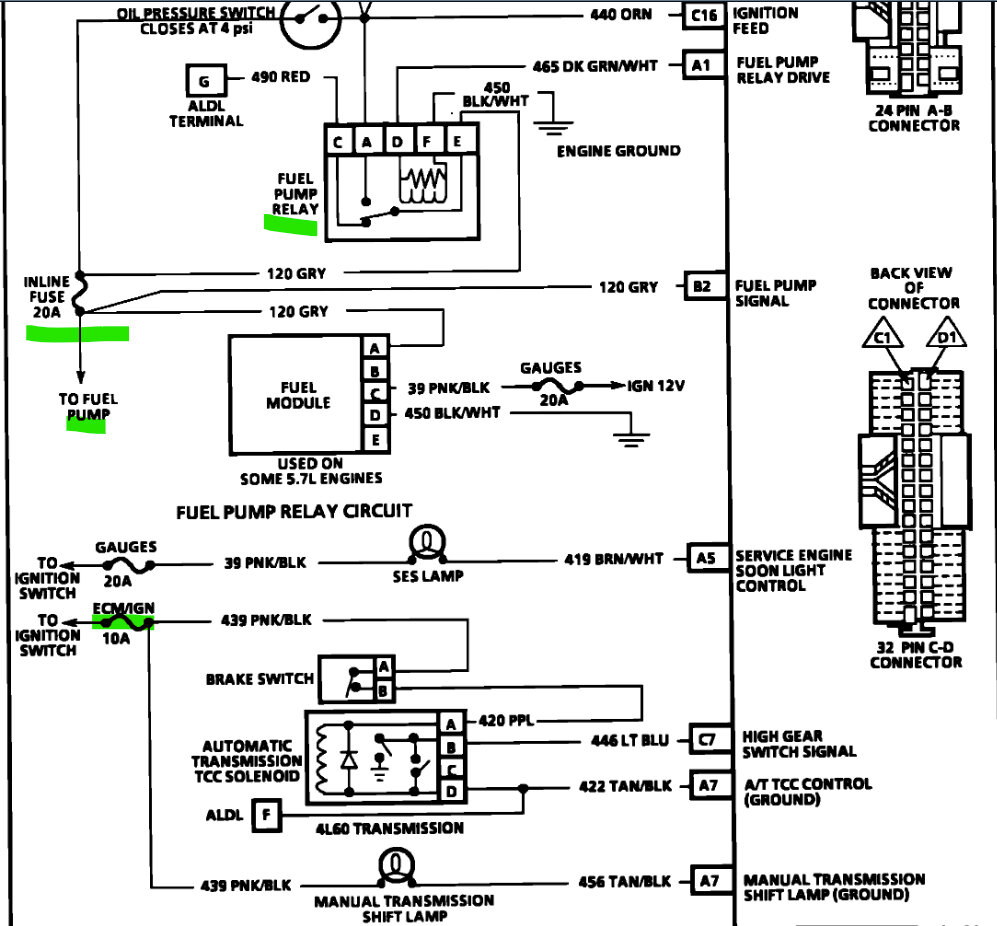
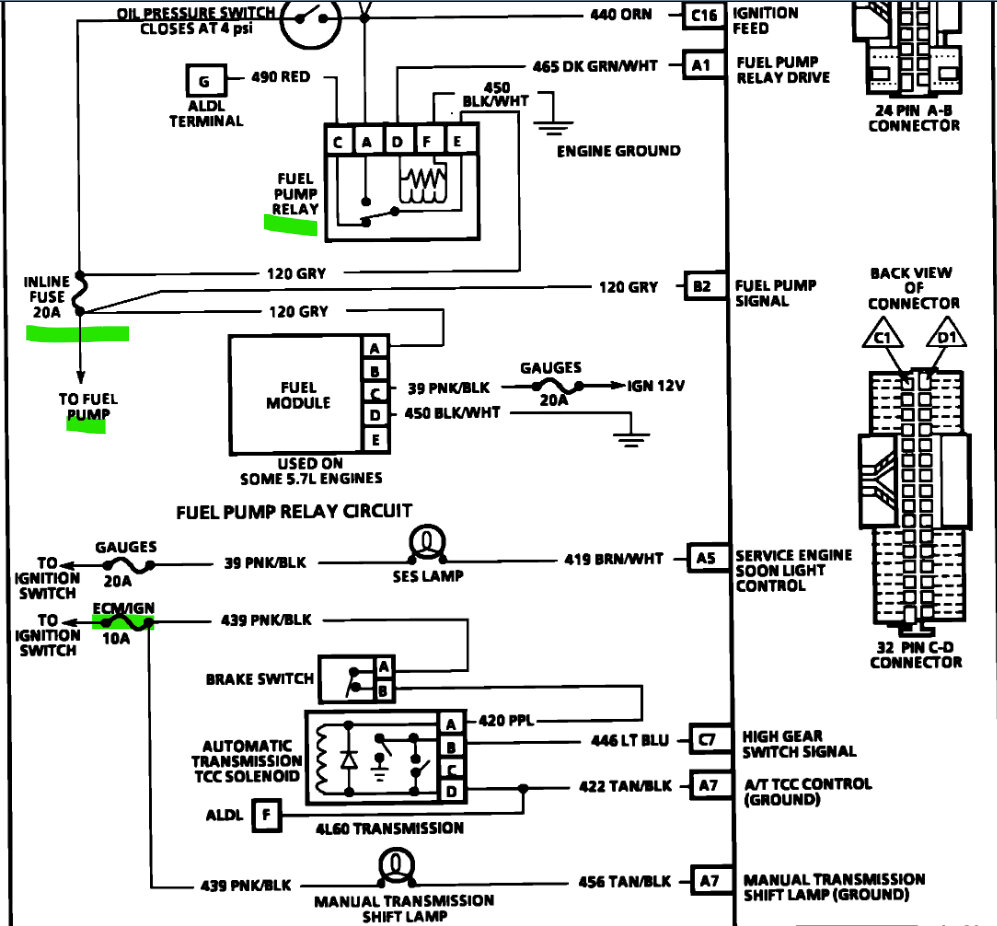
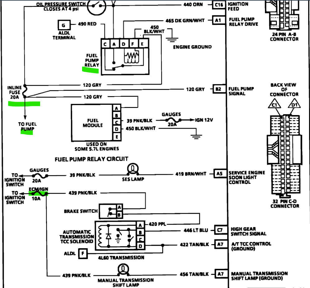
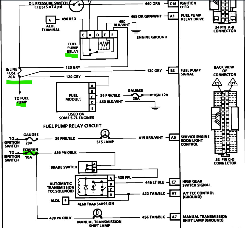
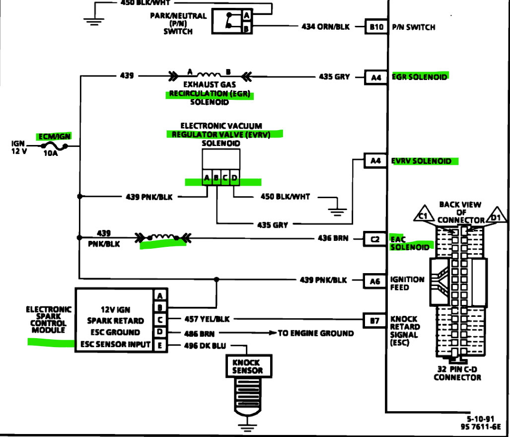
Hello, looking at the wiring diagrams for your vehicle and trying to trace the circuits out is not very easy due to the age of the vehicle and the information available, so I think having you unplug a bunch of components and then plugging them back in one at a time will be the easiest way to do this, and that way you also don't go through a bunch of fuses. So, I will have a list of things to unplug here in a minute, and the wiring diagrams showing what they are. And as for the fuel pump fuse not having power, I think that is because it is an inline fuse and is after the fuel pump relay which is turned on by the ECM (engine computer).

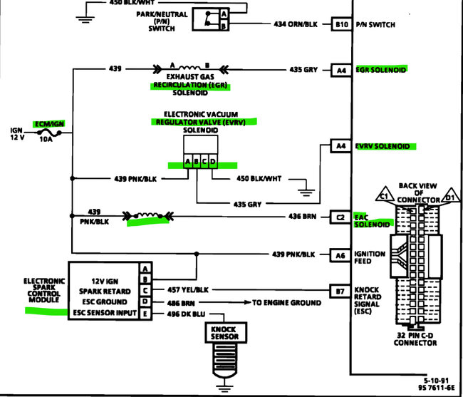
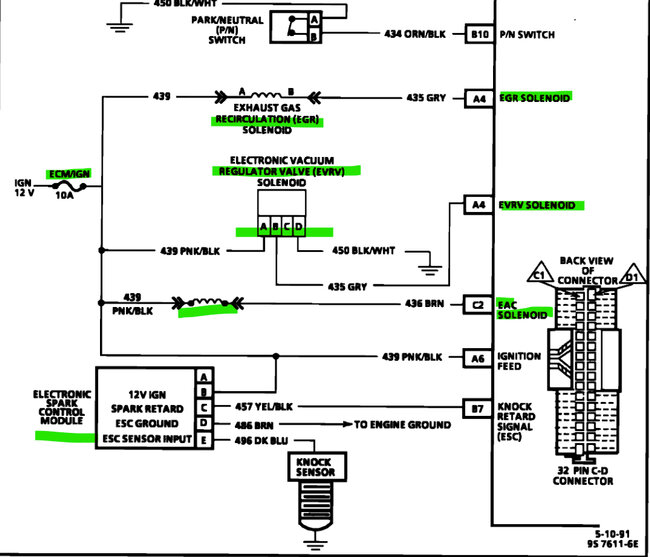
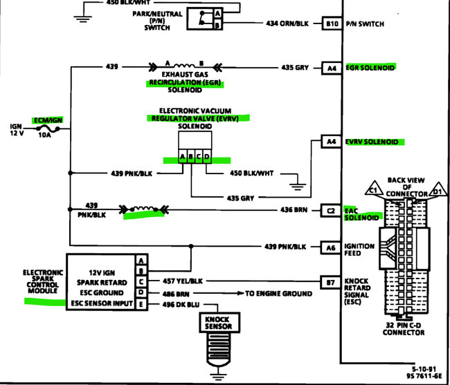
Okay, so, the components to unplug before replacing the ECM fuse, and these components should have a pink wire with a black stripe on them, that's the wire coming from the ECM fuse, Hopefully the wiring colors are correct here.
1. The oxygen sensor.
2. EGR valve and any solenoids that have vacuum tubes running to the EGR valve. These too should have the pink/black wire.
3. The Ignition module and any connectors going to the Distributor.
4. There is a solenoid labelled eac solenoid, but no other information but it should also have this Pink/Black wire running to it.
And the ECM itself may have a shorted circuit internally. It has 2 connectors, one of the connectors has more wires than the other, if you can find the ECM so we can unplug that connector if needed after we check these other components first.
5. Also unplug the Brake Switch on the brake pedal because it's on the circuit too.

So, if you have any questions so far, just ask. When we get these components unplugged, replace the ECM fuse and try the key On, hopefully you have a few extra fuses for this. As you can see by the fifth diagram, they are difficult to follow.
If you turn the key On and the fuse doesn't blow this time, we'll know it's one of the components unplugged or the circuit to them that is shorted.
Was this
answer
helpful?
Yes
No
Thursday, November 10th, 2022 AT 11:55 AM

Please login or register to post a reply.