Whining sound when turning wheel

Tiny
DROSE11209
  • MEMBER
  • 2011 HONDA PILOT
  • 4WD
  • AUTOMATIC
  • 150,000 MILES
Noticed a whining sound coming from the engine when I turn the wheel. I do mostly highway driving, so mostly when I turn a corner etc. I checked the power steering fluid and it is at the proper level. No noticeable problems with driving, or performance of the car.
Wednesday, April 3rd, 2019 AT 2:34 PM

5 Replies

Tiny
ASEMASTER6371
  • MECHANIC
  • 52,796 POSTS
Good afternoon,

It does sound like the power steering pump. It may be starving for fluid in the pump.

When was the last time you changed the fluid in the power steering?

Roy
Was this
answer
helpful?
Yes
No
Wednesday, April 3rd, 2019 AT 3:14 PM
Tiny
DROSE11209
  • MEMBER
  • 5 POSTS
The fluid has never been changed.
Was this
answer
helpful?
Yes
No
Wednesday, April 3rd, 2019 AT 3:28 PM
Tiny
ASEMASTER6371
  • MECHANIC
  • 52,796 POSTS
I would start there. If it does not resolve the issue the pump will have to be replaced.

Roy

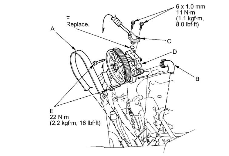
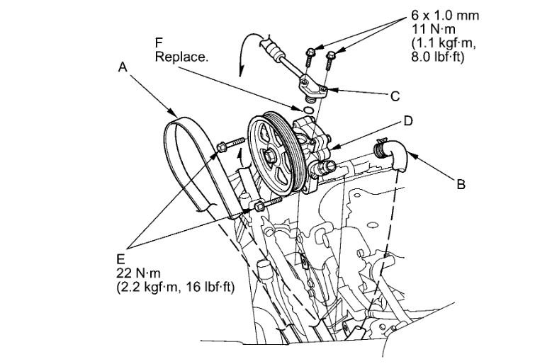
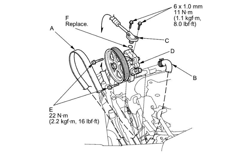
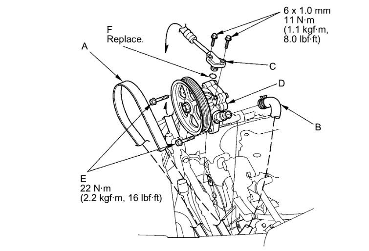
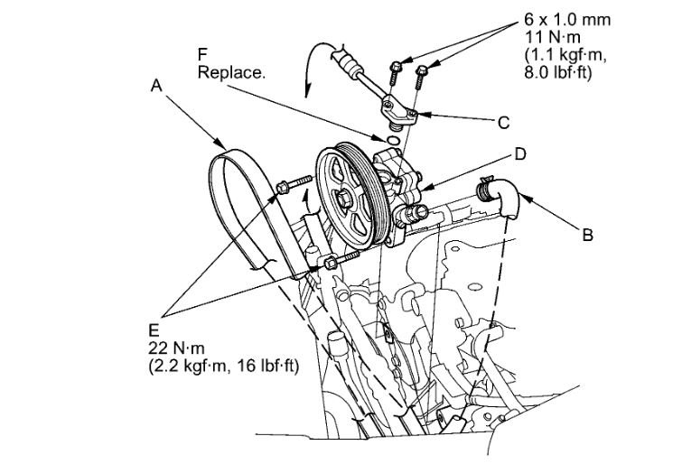
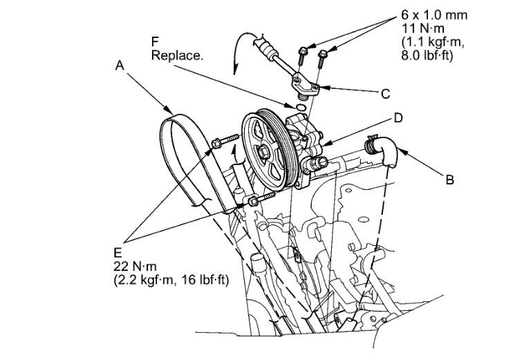
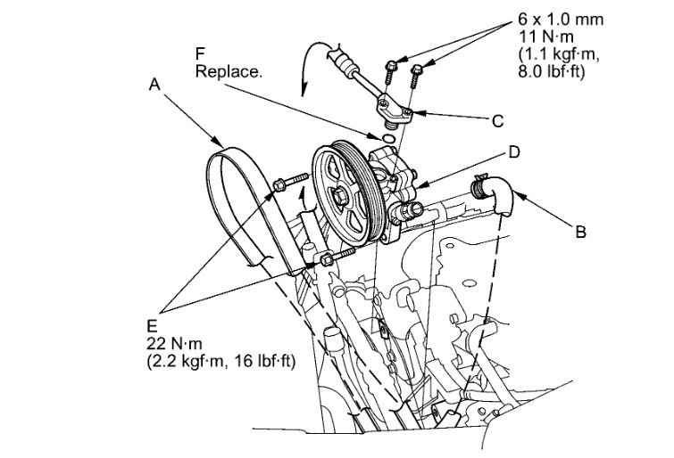
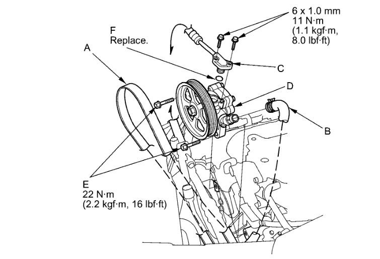
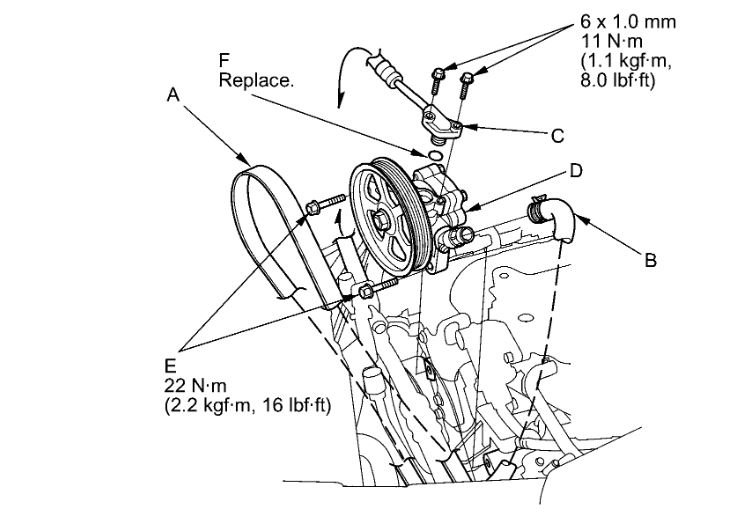
Hydraulic Power Steering Pump Replacement

1. Place a suitable container under the vehicle to catch any spilled fluid.

2. Drain the power steering fluid from the reservoir.

3. Remove the engine cover.

4. Remove the drive belt (A) See: Drive Belt > Component Tests and General Diagnostics from the pump pulley.

ImageOpen In New TabZoom/Print

5. Cover the auto-tensioner, the alternator, and the A/C compressor with several shop towels to protect them from spilled power steering fluid. Disconnect the pump inlet hose (B) and the pump outlet hose (C) from the pump (D), and plug them. Take care not to spill the fluid on the vehicle. Wipe off any spilled fluid at once. Do not turn the steering wheel with the pump removed.

6. Remove the pump mounting bolts (E).

7. Cover the opening of the pump with a piece of tape to prevent foreign material from entering the pump.

8. Transfer the pump inlet hose and the pump outlet hose from the original pump onto the new pump with a new O-ring (F).

9. Loosely install the pump in the pump bracket with the mounting bolts, then tighten the pump fittings to the specified torque.

10. Tighten the pump mounting bolts to the specified torque.

11. Install the drive belt (A) See: Drive Belt > Removal and Replacement.

Note these items during drive belt installation:

- Inspect the belt for wear and cracks. Replace the belt if necessary.
- Make sure that the belt is properly positioned on the pulleys (B).
- Do not get power steering fluid or grease on the auto-tensioner, alternator, A/C compressor, and drive belt or pulley faces. Clean off any fluid or grease before installation.
Was this
answer
helpful?
Yes
No
Wednesday, April 3rd, 2019 AT 3:45 PM
Tiny
DROSE11209
  • MEMBER
  • 5 POSTS
Can I just pump the fluid out of the reservoir, or do I have to drain the lines that connect to the axles? Also, is there a filter in the reservoir that could clog?
Was this
answer
helpful?
Yes
No
Thursday, April 4th, 2019 AT 5:28 AM
Tiny
ASEMASTER6371
  • MECHANIC
  • 52,796 POSTS
You can just pump out the fluid into a bucket, yes.

Yes, remove the tank and clean it out real good. There is a screen at the bottom.

Roy
Was this
answer
helpful?
Yes
No
Thursday, April 4th, 2019 AT 5:31 AM

Please login or register to post a reply.