Where is the turn signal relay located at?

Tiny
ONPUBLICTY
  • MEMBER
  • 2006 NISSAN PATHFINDER
  • 4.0L
  • V6
  • 2WD
  • AUTOMATIC
  • 166,660 MILES
I don't know where the turn signal relay is located at.
Wednesday, November 27th, 2024 AT 4:35 PM

1 Reply

Tiny
JACOBANDNICKOLAS
  • MECHANIC
  • 110,194 POSTS
Hi,

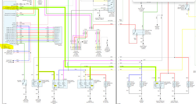
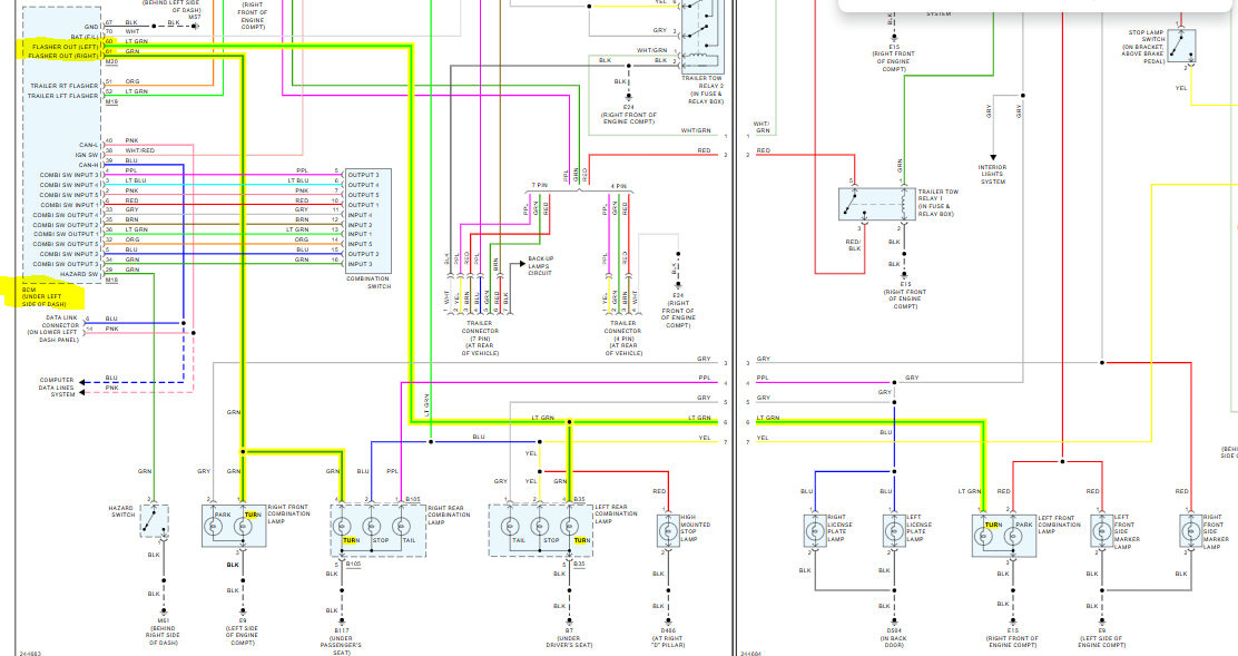
Looking at the schematic, this vehicle has signal relays for trailer towing. However, the vehicle signals are controlled by the body control module.

I attached a picture below showing what I mean. Let me know if that helps answer your question. Also, let me know what is happening.

Take care and Happy Thanksgiving.

Joe

See pic below.
Was this
answer
helpful?
Yes
No
Wednesday, November 27th, 2024 AT 9:38 PM

Please login or register to post a reply.