HOME
ASK A QUESTION
REPAIR GUIDES
BECOME A MEMBER
LOG IN
Login with Facebook
OR
Remember me
NOT A MEMBER?
FORGOT PASSWORD?
CONTACT US
PRIVACY POLICY
TERMS AND CONDITIONS
☰
Home
Hyundai
Tiburon
Engine
Starter
Replace/Remove
Where is the starter located?
KENNET13
MEMBER
2003 HYUNDAI TIBURON
2.0L
4 CYL
2WD
MANUAL
150,000 MILES
Intermittent no start. Changed clutch safety switch. Need to test starter and cables?
Sunday, December 10th, 2023 AT 9:22 PM
1 Reply
KEN L
MASTER CERTIFIED MECHANIC
55,281 POSTS
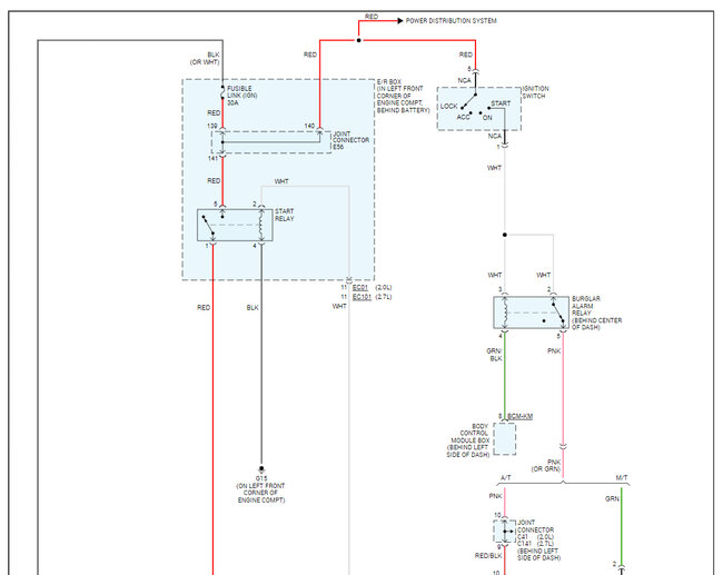
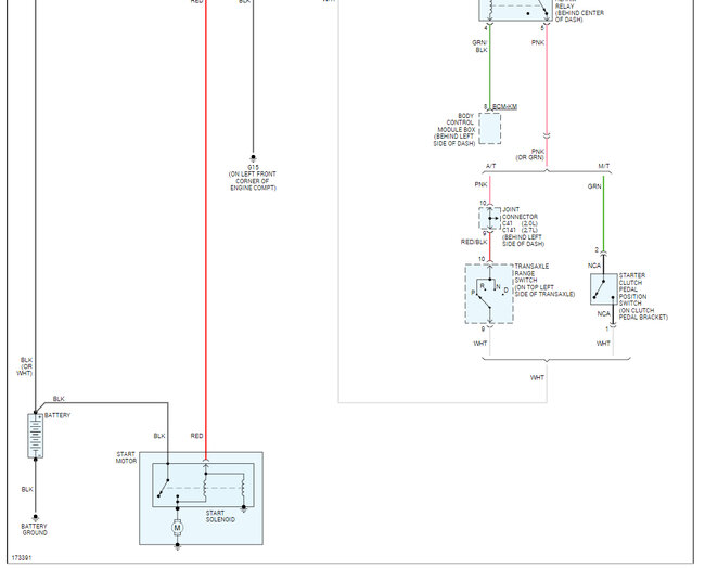
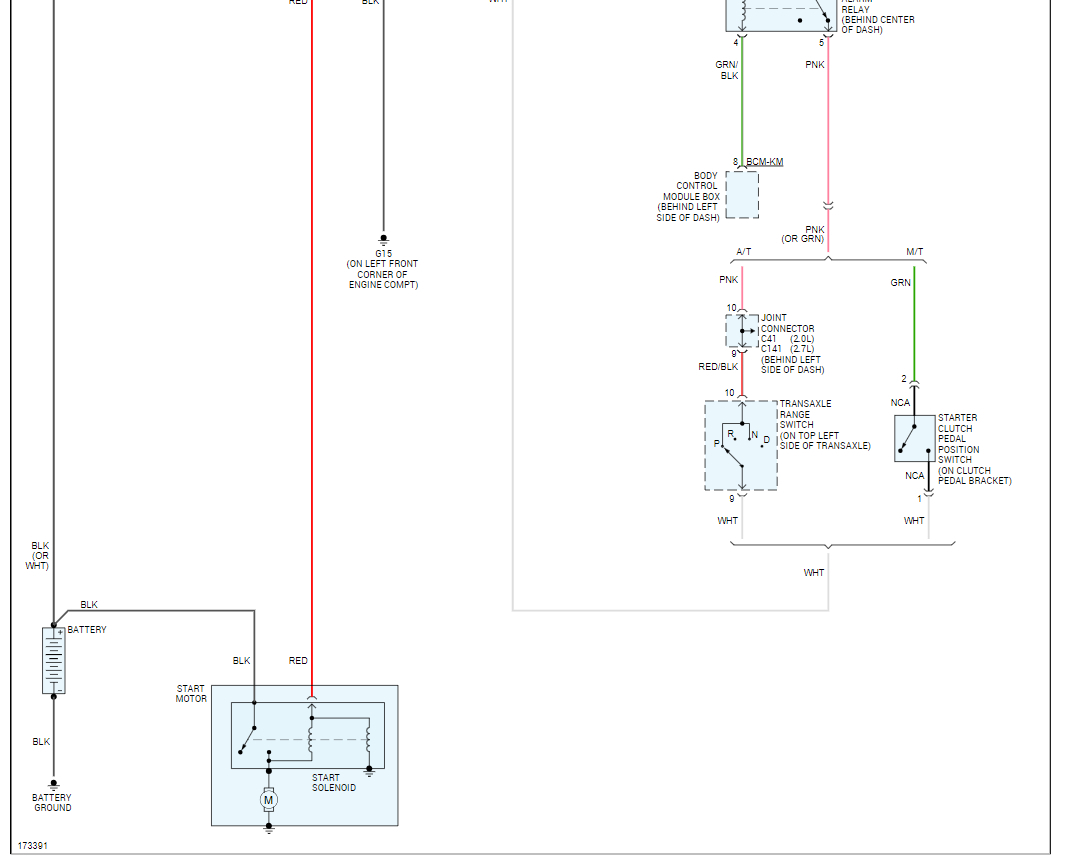
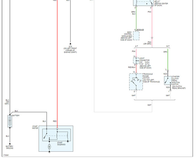
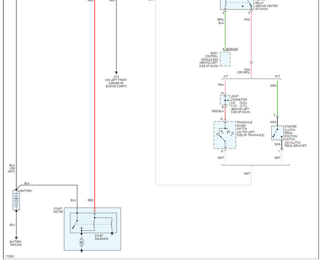
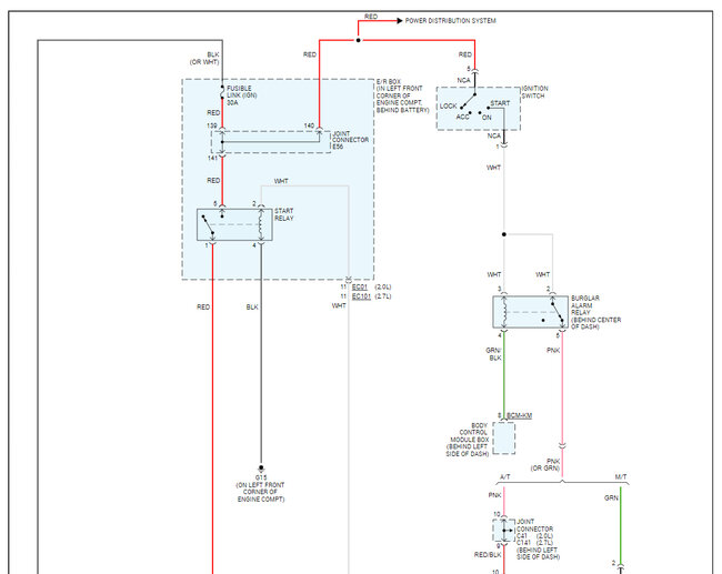
Good call, here is the location of the starter motor and the starter wiring diagrams so you can see how the system works which can help.
Here is a guide that can help as well:
https://www.2carpros.com/articles/starter-not-working-repair
Check out the images (below). Let us know how it goes.
Images (Click to make bigger)
Was this
answer
helpful?
Yes
No
+1
Monday, December 11th, 2023 AT 12:52 PM
Please
login
or
register
to post a reply.
Related Starter Replace/Remove Content
2000 Hyundai Tiburon Starter
Engine Mechanical Problem 2000 Hyundai Tiburon 4 Cyl Front Wheel Drive Manual How Would You Go About Taking The Starter Out? Is One Of...
Asked by
Sdcorn1684
·
1 ANSWER
2000
HYUNDAI TIBURON
VIDEO
Starter Replacement
Instructional repair video
GUIDE
Starter Motor Replacement
A starter motor is a high torque motor that utilizes a small pinion gear to contact the flywheel and a starter solenoid to initiate the electrical connection when the...
2003 Hyundai Tiburon O2 Sensor
My Check Engine Light Is On. I Pulled The Codes At Autozone. They Are As Follwed: Po507, Po103, Po174. It Says My O2 Sensor Is Bad. How...
Asked by
Kyle Stewart
·
1 ANSWER
2003
HYUNDAI TIBURON
Engine Exchange
I Am Replacing My Engine In My 2003 Hyundai Tiburon. It Is A 4 Cylinder Vehicle, But All The Engines I Am Able To Find Are 6 Cylinder...
Asked by
hujubah
·
1 ANSWER
2003
HYUNDAI TIBURON
Timing Belt Broke While On Highway Do The Pistons Hit...
Timing Belt Broke While On Highway Do The Pistons Hit The Valves And Cause More Damage?
Asked by
Anonymous
·
1 ANSWER
2003
HYUNDAI TIBURON
Diagram Location Of Vacuum Lines
Shop Said There Was A Leak In My Vacuum Lines So I Need To Know Where To Look Because They Did Not Have The Equipment To Do It Themselves. I...
Asked by
ReapTheFallen
·
1 ANSWER
2004
HYUNDAI TIBURON
VIEW MORE
Ask a Car Question. It's Free!
Starter Replacement
Starter Motor Replacement
Starter Replacement