Where is the LPS fuse for the heater

Tiny
SHAWN HAMM
  • MEMBER
  • 1991 CHEVROLET SILVERADO
  • 5.7L
  • V8
  • 4WD
  • AUTOMATIC
  • 240,000 MILES
Have power to controls but it's dark.
Wednesday, September 9th, 2020 AT 8:28 PM

1 Reply

Tiny
4DRTOM
  • MECHANIC
  • 467 POSTS
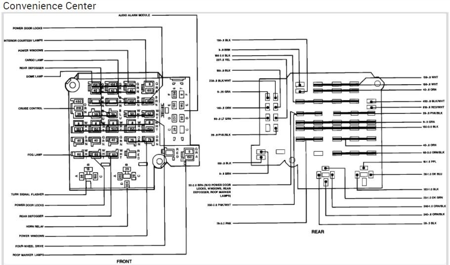
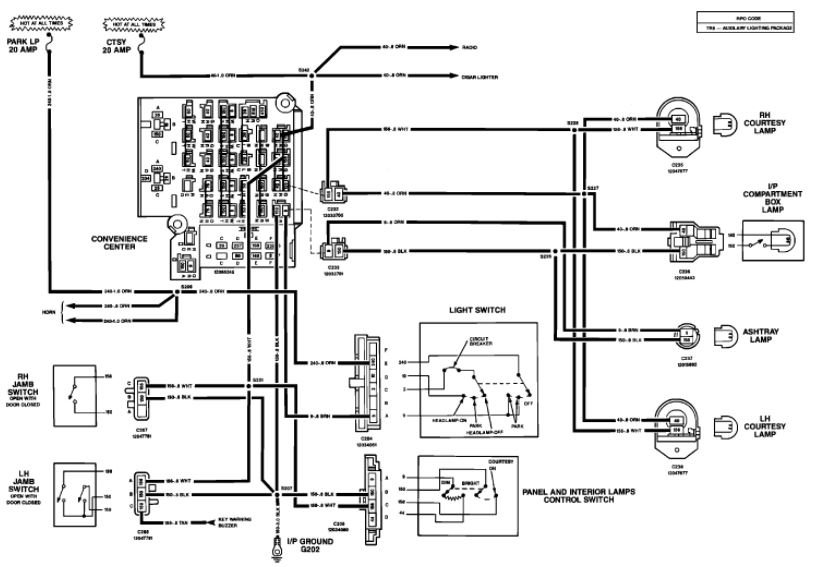
Hello,

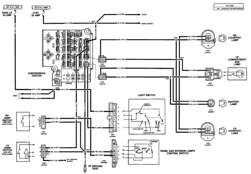
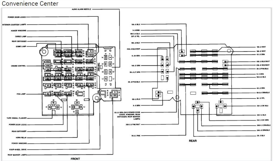
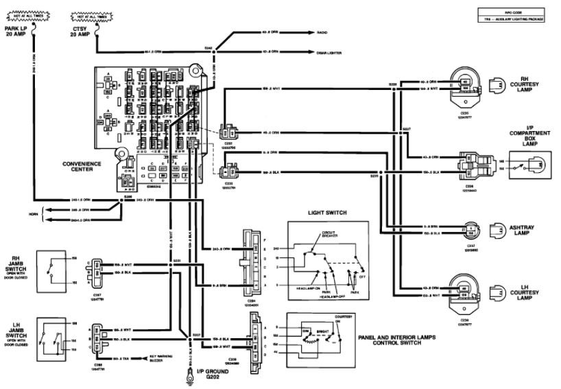
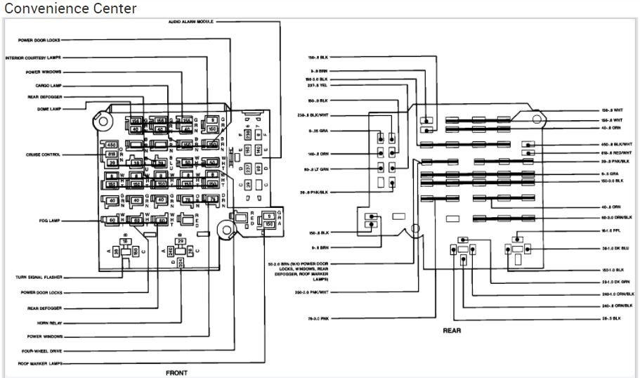
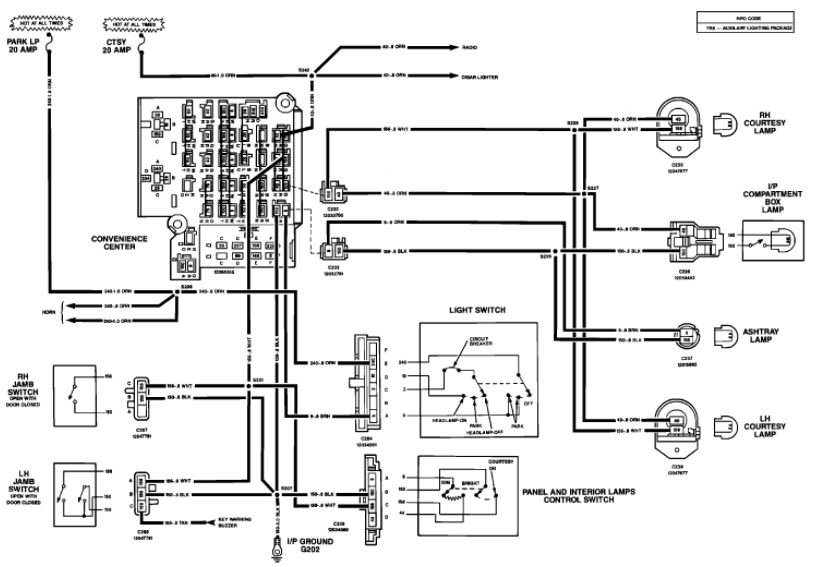
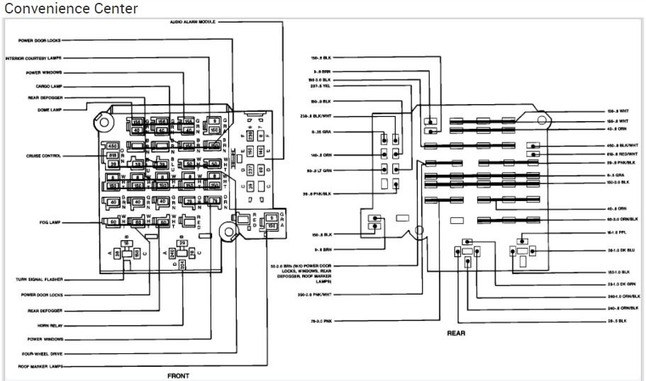
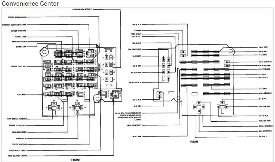
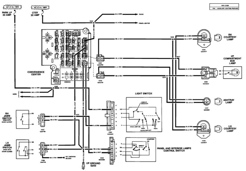
The fuse is in the Convenience Center (behind left hand side of instrument panel). I have uploaded the diagram and the appropriate locations of your dash showing the fuses and components involved in the illumination. The bulbs themselves are in the center of the instrument panel at the heater control.
If you need anything else just let me know.
Tom
Was this
answer
helpful?
Yes
No
Wednesday, September 9th, 2020 AT 9:13 PM

Please login or register to post a reply.