Auxiliary fuse box location needed

Tiny
STINAFAYE16
  • MEMBER
  • 2004 ACURA MDX
  • 141,000 MILES
I cannot seem to find that fuse box at all.
Thursday, April 26th, 2018 AT 1:18 PM

8 Replies

Tiny
STEVE W.
  • MECHANIC
  • 15,671 POSTS
Well there are a few boxes on that rig. Under the hood you have the main box on the passenger side, the sub box on the drivers side. Then there is a relay box tucked in front of the power train module under the hood on the passengers side.
Inside the vehicle you have the drivers side multiplex unit and fuse box and just above it tucked under the dash there are three auxiliary fuse holders. And the passenger side has a box as well, hidden behind the trim panel in the footwell.

What is the issue that has you hunting for a fuse?
Was this
answer
helpful?
Yes
No
-1
Thursday, April 26th, 2018 AT 9:54 PM
Tiny
STINAFAYE16
  • MEMBER
  • 5 POSTS
I am trying to get to the control unit fuse because I am pretty sure it is blown.
Was this
answer
helpful?
Yes
No
Thursday, April 26th, 2018 AT 9:59 PM
Tiny
KEN L
  • MASTER CERTIFIED MECHANIC
  • 55,266 POSTS
Yes we can help you. Which control unit are you speaking of?

Cheers, Ken
Was this
answer
helpful?
Yes
No
-1
Sunday, April 29th, 2018 AT 11:49 AM
Tiny
STINAFAYE16
  • MEMBER
  • 5 POSTS
I am trying to find the auxiliary fuse box. I have looked everywhere. It is not under the dash on the drivers side I have looked all under there.
Was this
answer
helpful?
Yes
No
Monday, April 30th, 2018 AT 6:02 AM
Tiny
STEVE W.
  • MECHANIC
  • 15,671 POSTS
There is no actual auxiliary fuse box. There are just the three auxiliary fuses in holders clipped to a metal bracket. They are not out in the open, just stuck up behind the wiring harness.
The ones I listed are the only locations with relays or fuses on that vehicle.
What is the problem you are having? You say control unit, what does it control? That might help narrow it down better.
Was this
answer
helpful?
Yes
No
+1
Monday, April 30th, 2018 AT 7:02 AM
Tiny
STINAFAYE16
  • MEMBER
  • 5 POSTS
The radio. My entire entertainment system is down and I have tried every other fuse that might play a part in it except that one. I just want to try it and see and then I will know for sure if I need a whole new radio.
Was this
answer
helpful?
Yes
No
Tuesday, May 1st, 2018 AT 3:24 PM
Tiny
STINAFAYE16
  • MEMBER
  • 5 POSTS
I do not see the metal bracket that you are speaking of.
Was this
answer
helpful?
Yes
No
-1
Tuesday, May 1st, 2018 AT 3:30 PM
Tiny
STEVE W.
  • MECHANIC
  • 15,671 POSTS
Okay, that will help narrow it down. None of the auxiliary fuses send power to the radio.

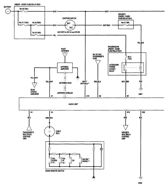
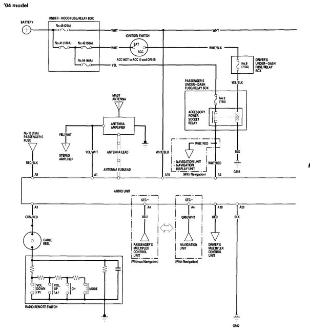
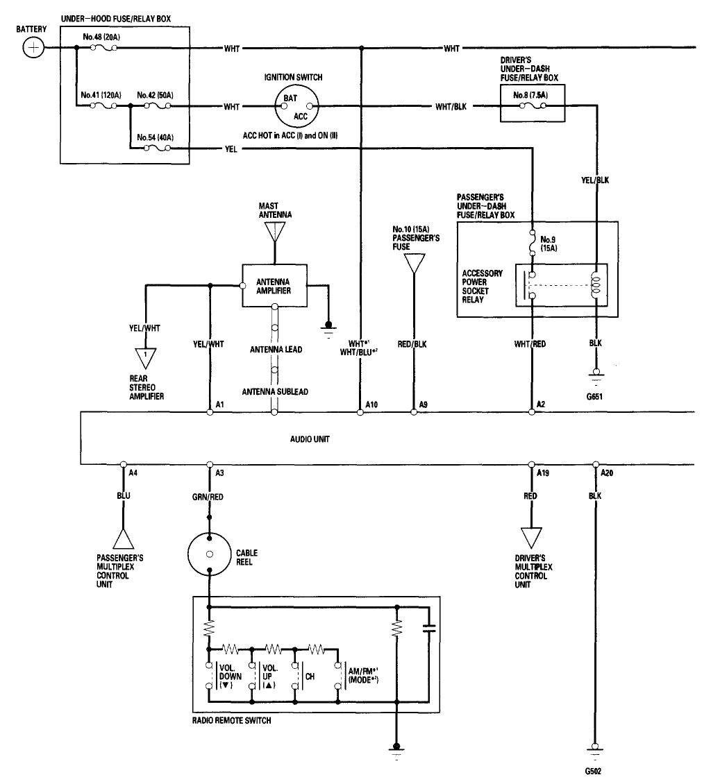
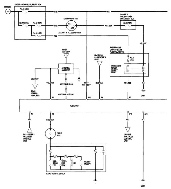
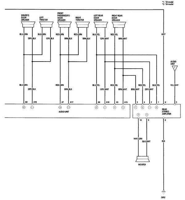
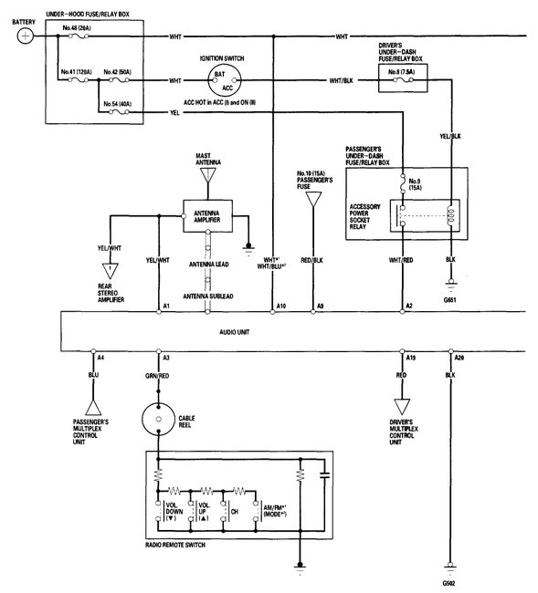
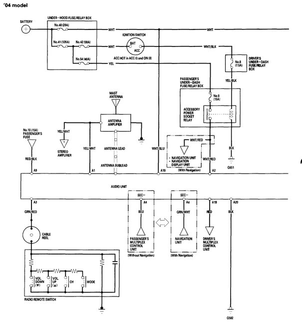
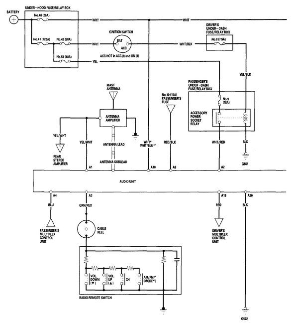
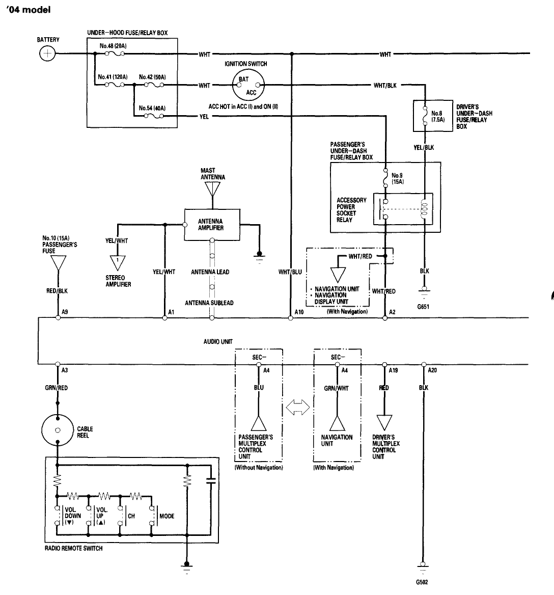
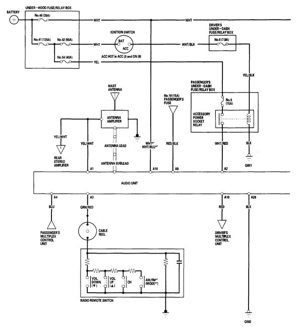
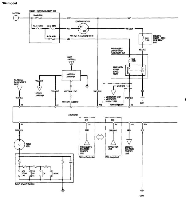
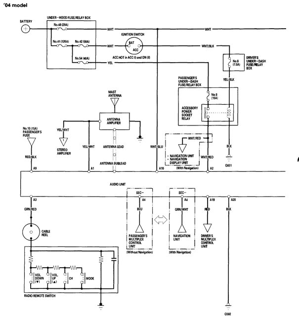
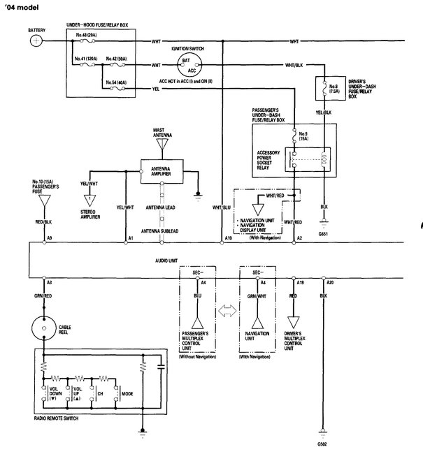
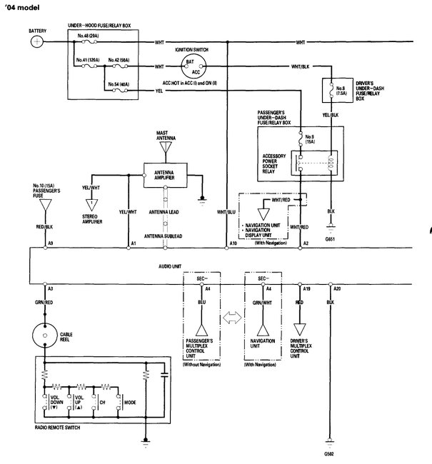
The radio gets power from fuses number 8 and 9 and 10. Fuse number 8 is in the drivers side fuse box and fuses 9 and 10 are in the passenger side fuse box. There is also a relay (Aux. power socket relay) in the circuit that provides power to the navigation system and the aux power socket. If it was faulty you also lose the radio. It is in the passenger fuse box as well.

Do not rely on just looking at the fuse to tell if it is bad. It is very possible that a fuse that looks good is bad or that the socket it plugs into is faulty.
To be sure you have power use a test light to run the fuses. (the cheap incandescent type not the LED style) Just connect one end to a good ground and touch the tabs on top of the fuse with the key on. If there is power on both tabs the fuse is okay.
https://www.2carpros.com/articles/how-to-use-a-test-light-circuit-tester

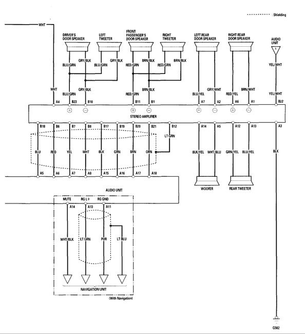
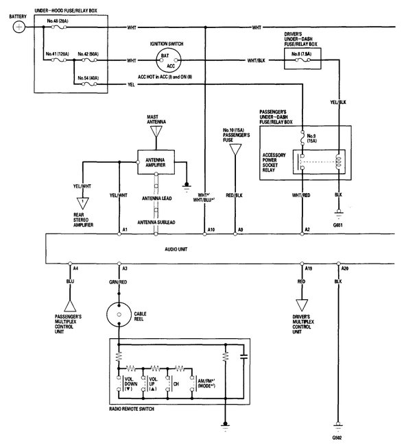
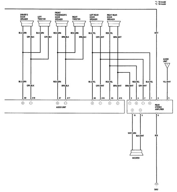
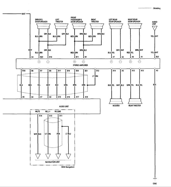
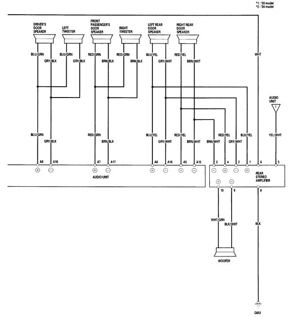
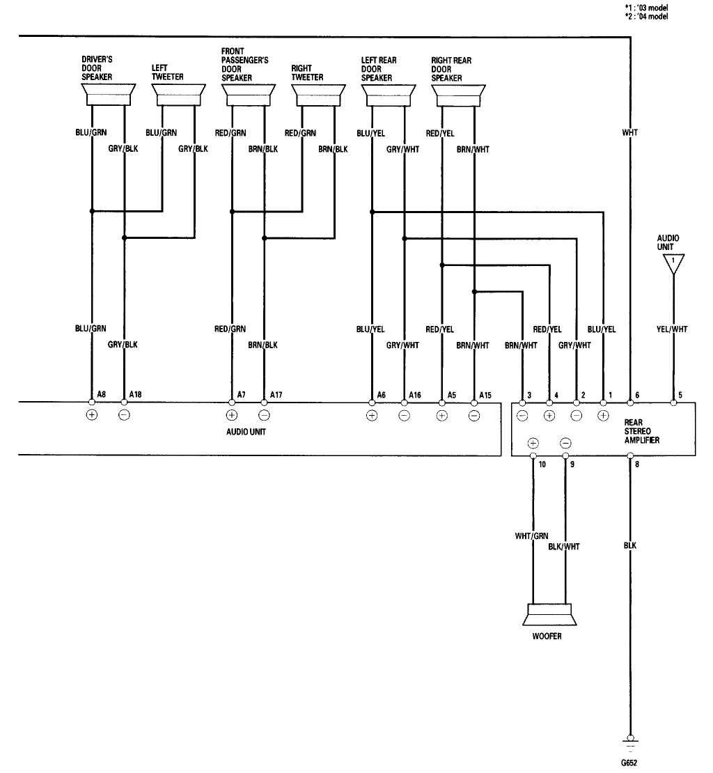
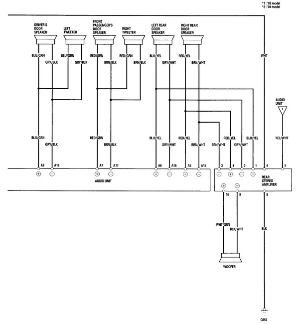
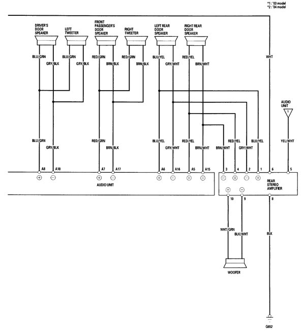
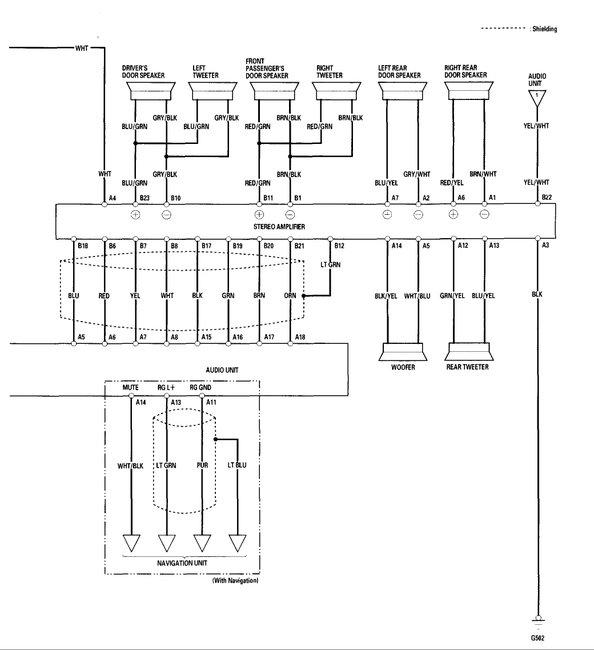
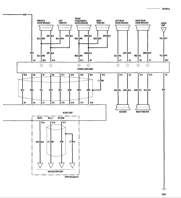
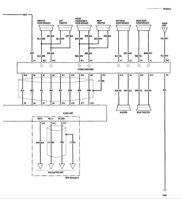
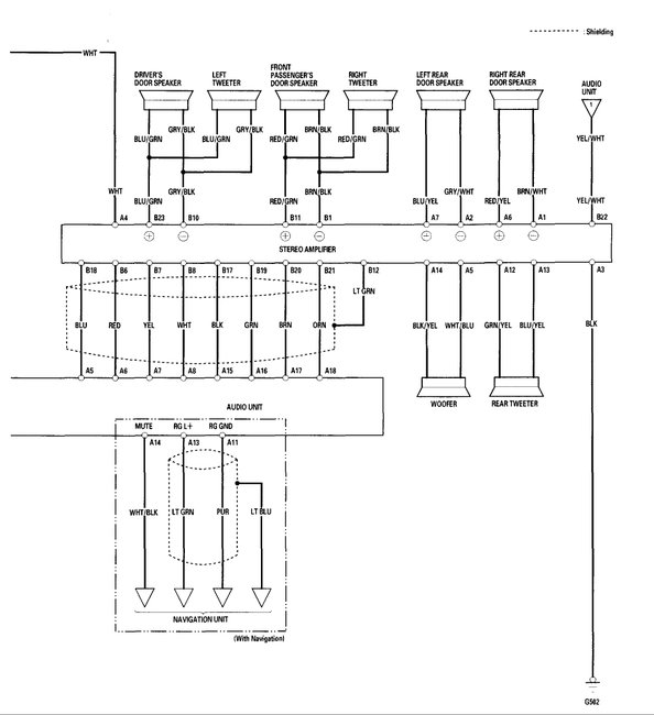
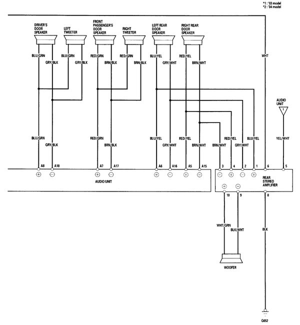
However, it may not be an issue on the power side, a bad ground would also shut down the radio. I included the wiring for both the Bose system (first two) and the base unit. They both use the same power feeds but the Bose unit has an additional ground.
To test those you can use the same test light hooked to a battery positive source and find the black wires that run from the radio and amplifiers and it should light if you touch them.
Was this
answer
helpful?
Yes
No
Wednesday, May 2nd, 2018 AT 2:05 AM

Please login or register to post a reply.