Monday, November 3rd, 2014 AT 9:16 AM
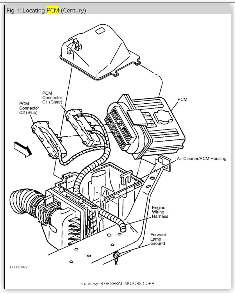
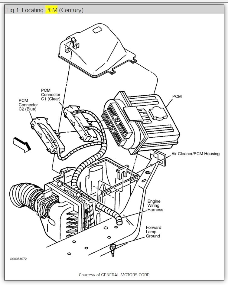
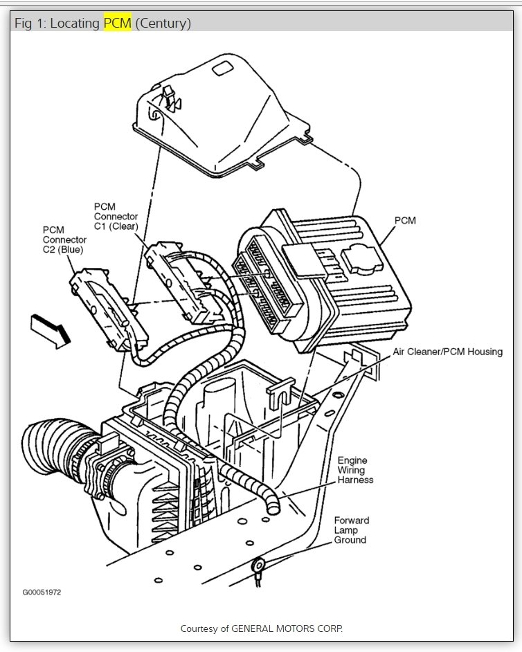
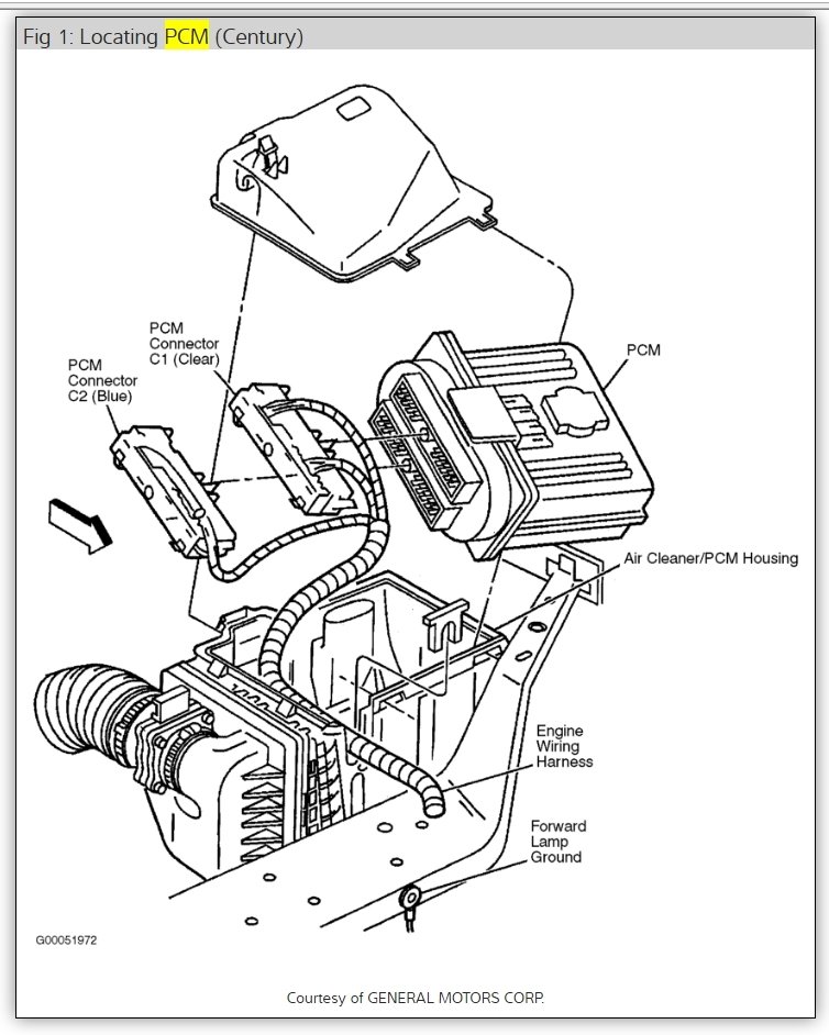
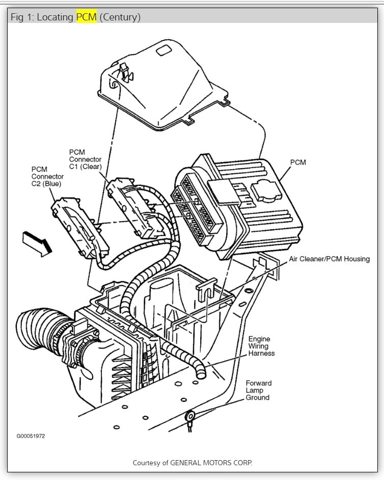
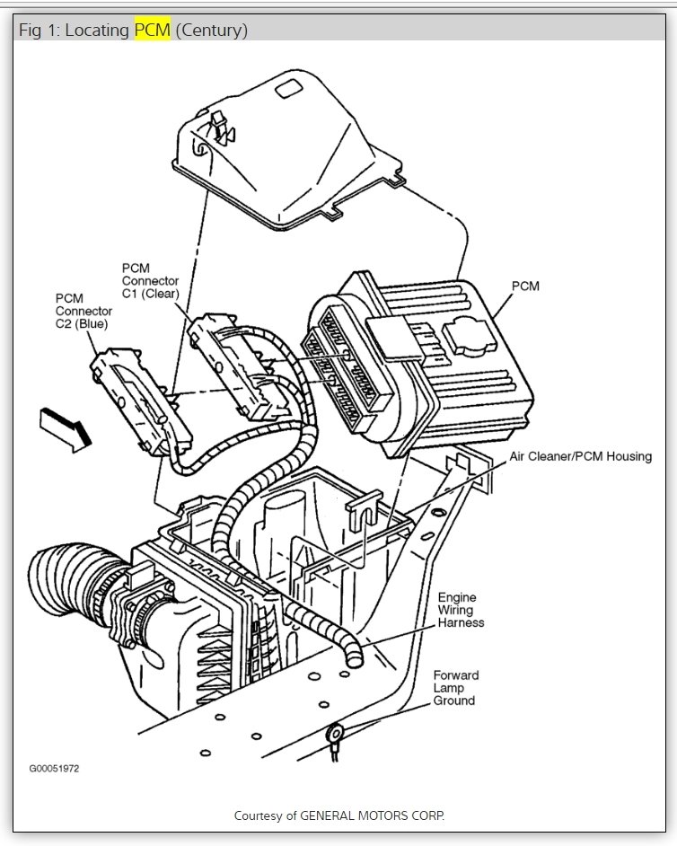
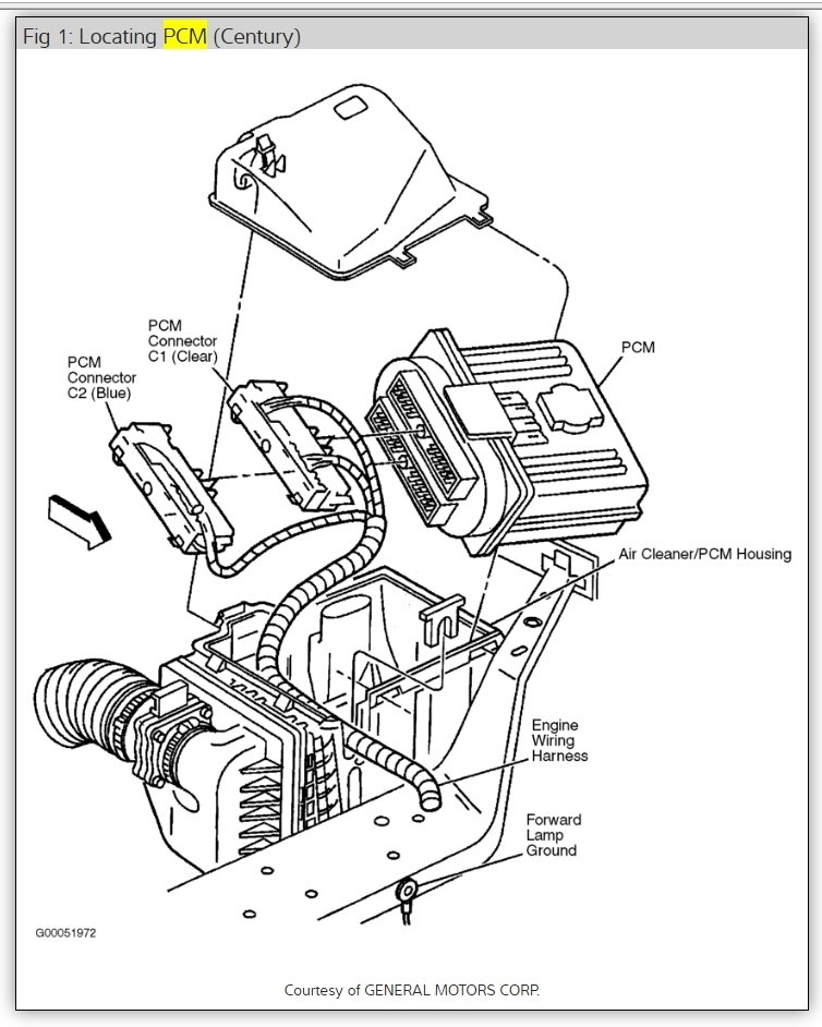
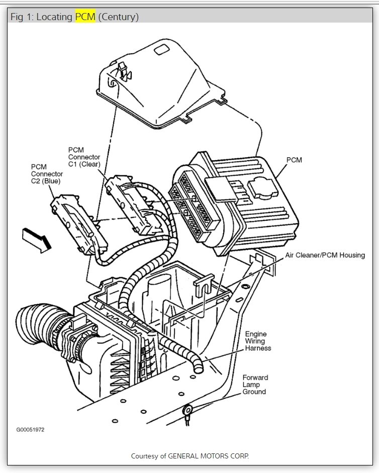
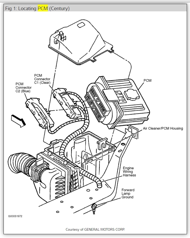
Car will run for about 2 minutes stumbles and dies like its running out of fuel when I'm not getting correct data link between the computer and my analyzer are not working I think it needs an ecm where is it?









