Where is the BCM located?

Tiny
JOHN SCHARES
  • MEMBER
  • 2014 CHEVROLET MALIBU
  • 2.4L
  • 4 CYL
  • 2WD
  • AUTOMATIC
  • 88,000 MILES
I bought a prior salvage title car. High beams, wipers and horn don’t work. I have no power going to the plugs to them.
Wednesday, December 16th, 2020 AT 4:39 PM

3 Replies

Tiny
KASEKENNY
  • MECHANIC
  • 18,907 POSTS
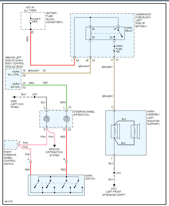
I am attaching the info on the BCM for this vehicle. Clearly you are on the right path. We need to start tracing power through the circuits to find out where we have power and where we do not.

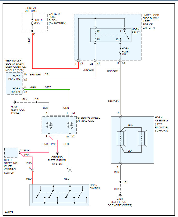
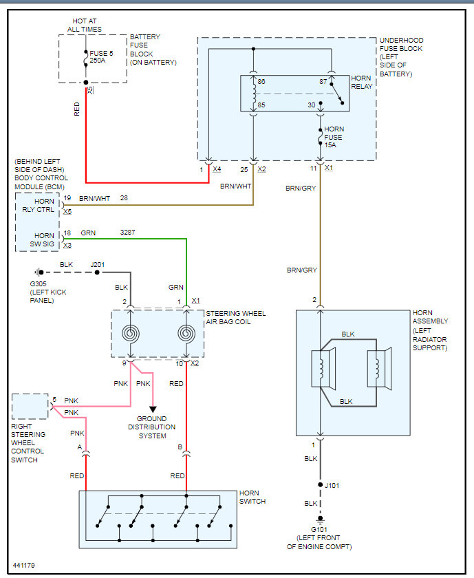
I would suggest starting with the horn because it is the easiest circuit. I attached the wiring diagram for this as well.

https://www.2carpros.com/articles/how-to-check-wiring

Let us know what questions you have from here and we can go from there. Thanks
Was this
answer
helpful?
Yes
No
-1
Wednesday, December 16th, 2020 AT 7:29 PM
Tiny
JOHN SCHARES
  • MEMBER
  • 2 POSTS
Not sure if I’m seeing the 250A fuse (#5) in the fuse block on the battery but all of them are hot. My horn fuse in the under hood fuse block is a good fuse but does not light up.
Was this
answer
helpful?
Yes
No
Thursday, December 17th, 2020 AT 10:21 AM
Tiny
KASEKENNY
  • MECHANIC
  • 18,907 POSTS
I just want to make sure I understand. They are hot to the touch or they are hot meaning they all have power?

Then the horn fuse is not blown but you don't have power on either side of the fuse?

I just want to make sure we are on the same page because with that info, I am sure we will figure this out. Thanks
Was this
answer
helpful?
Yes
No
+1
Thursday, December 17th, 2020 AT 5:42 PM

Please login or register to post a reply.