A/C compressor clutch relay location

Tiny
LEWJANET
  • MEMBER
  • 2008 CHRYSLER SEBRING
  • 2.7L
  • 134,000 MILES
I do not where it is located.
Monday, May 28th, 2018 AT 4:54 AM

1 Reply

Tiny
ASEMASTER6371
  • MECHANIC
  • 52,796 POSTS
Good morning.

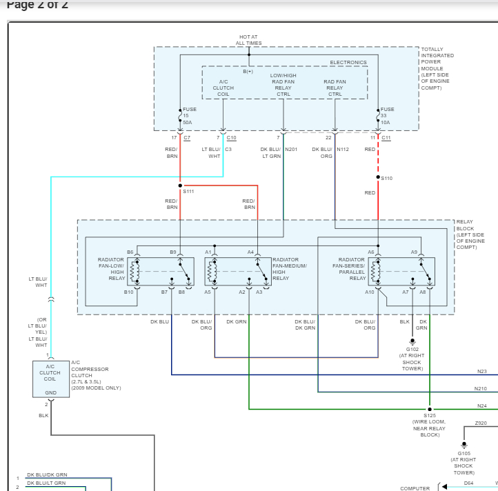
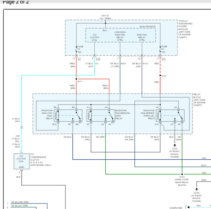
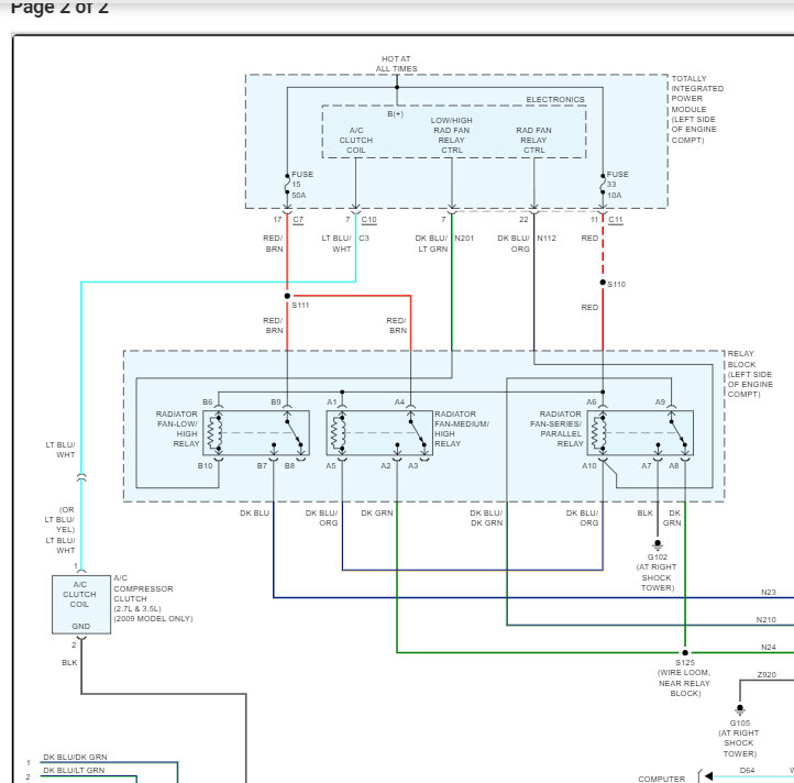
The control for the A/C compressor is inside the totally integrated power module. You cannot service it at all. It sends power to the compressor once it gets the correct signals from the pressure switches. Have you checked for Freon in the system if it is not coming on? If the relay is bad you must replace the TIPM. Here is how in the images below.
Was this
answer
helpful?
Yes
No
Monday, May 28th, 2018 AT 5:06 AM

Please login or register to post a reply.