Where is my AC amplifier located

Tiny
SEAN RICHARDSON
  • MEMBER
  • 2000 TOYOTA ECHO
  • 4 CYL
  • 2WD
  • AUTOMATIC
  • 100,000 MILES
When I turn on the air-conditioner switch it blows the 7.5 amp fuse.
Disconnected the AC compressor and it still blows the fuse, I believe it’s something wrong with the amplifier.
Sunday, July 7th, 2019 AT 1:14 PM

1 Reply

Tiny
KASEKENNY
  • MECHANIC
  • 18,907 POSTS
Hi Sean,

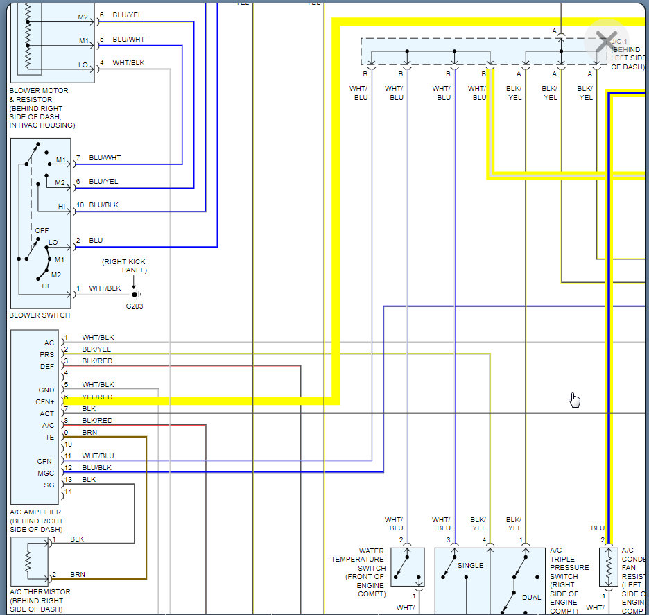
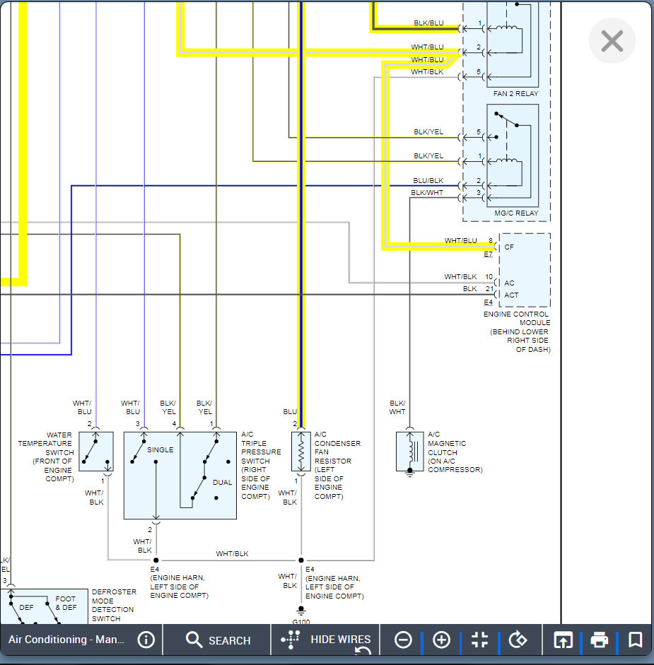
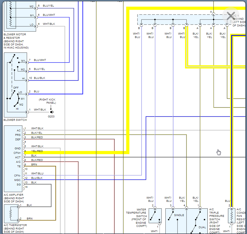
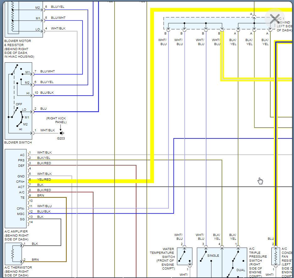
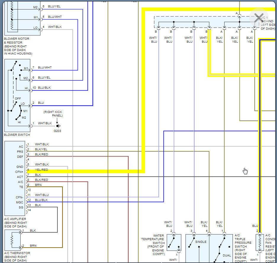
Here is the wiring diagram with each of the components that come off the 7.5 amp fuse. The best way to find what is blowing this fuse is going to each of these components and installing a smaller amp fuse on each of these components. So they have 3 amp or 5 amp fuses just for this purpose. When you install these fuses on these components then which ever is causing the 7.5 amp fuse to blow will first take out the lower amp fuse and then you know which component is causing your issue.

Let me know if this is not clear and I will give you more detail. Thanks
Was this
answer
helpful?
Yes
No
-1
Sunday, July 7th, 2019 AT 4:39 PM

Please login or register to post a reply.