After replacing the wiper/high beam switch I cannot find where this little connection goes

Tiny
NICOLAS CANTU
  • MEMBER
  • 1994 MERCEDES BENZ E420
  • V8
  • 2WD
  • AUTOMATIC
  • 144,000 MILES
I replaced my wiper/high beam switch lever and cannot seem to figure out where this little connection connects to?
Sunday, October 9th, 2016 AT 7:32 PM

6 Replies

Tiny
CJ MEDEVAC
  • MECHANIC
  • 11,005 POSTS
Not a Mercedes kinda guy.

I did go looking for some diagrams in "Prodemand" for you. (I try to aid if possible)

There was only one concerning the multi-function switch

If this does you no good, please respond back (good or bad) so that your question will resurface in our question list, this will make it available for the other guys to maybe give it a shot! (I'll stay out of it if it's a bad news response.)

Good Luck! Diagram is below.

The Medic
Was this
answer
helpful?
Yes
No
Monday, October 10th, 2016 AT 4:44 PM
Tiny
NICOLAS CANTU
  • MEMBER
  • 3 POSTS
Gosh thats a great diagrahm. Thank you. I called dealership and they said if there isn't anyplaceto connect it, not to worry about it because he said some year models have that adapter and this replacement part maybe universal for many models. The only issue now is that the break lights dont work. Neither side nor third breaklight. Tail lights come on when lights are on and blinkers work but not the reverse or stop lights. Any suggestions? I thought this connector was vital.
Was this
answer
helpful?
Yes
No
Monday, October 10th, 2016 AT 5:41 PM
Tiny
CJ MEDEVAC
  • MECHANIC
  • 11,005 POSTS
This don't look nothing like a Jeep CJ brake light switch.

It probably has a plunger of some sort

See if it fell out of it's bracket, slid fore or aft in it's bracket, now not being pushed/ or released by the pedal (I don't know if it's normally pushed or released) (it's possible it may be bad)

Check this stuff first.

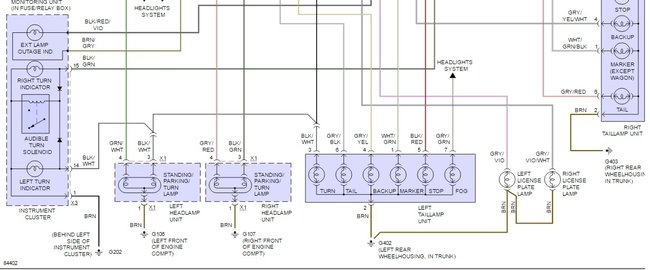
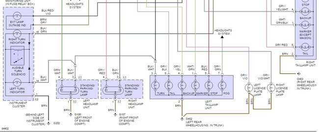
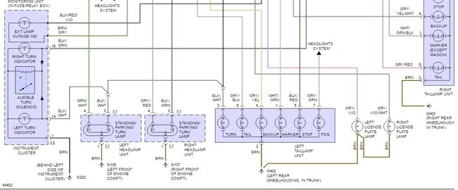
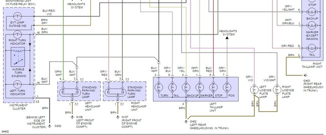
Below is an "exterior lights" wiring diagram from "Prodemand". This puppy may show everything but the headlights (that might be another diagram) It took so long to make screenshots, then on to "Microsoft Paint" to crop and retrive them, I didn't pay attention to the headlights. (Hopefully irrelevant in your situation)

We cannot just "save as" in "Prodemand". They are an Online pay repair manual.

So I have four screenshots, they are in the order they stack, I made sure I had overlappage so it is all there! 1-3 top row, 4 next row.

Look at/ check the fuses that are shown in the blocks, they are numbered and give locations for the box.

Cool thing here is it shows everything in the system and where it is! Just in case you need to dig deeper!

For one of my Jeeps, I EMAILED my diagram to "Office Max", they blew up the two halves, I overlapped them correctly, then they laminated it, Maybe $25 I think.

You can print 'em, overlap and tape 'em together, Just use a magnifying glass to see!

Hope my Jeep knowledge is aiding you!

Return with good news!

The Medic
Was this
answer
helpful?
Yes
No
-1
Monday, October 10th, 2016 AT 8:00 PM
Tiny
CJ MEDEVAC
  • MECHANIC
  • 11,005 POSTS
Other Jeep did not post, here it is!

The Medic
Was this
answer
helpful?
Yes
No
-1
Monday, October 10th, 2016 AT 8:01 PM
Tiny
NICOLAS CANTU
  • MEMBER
  • 3 POSTS
My. Car is a 1994 mercedes-not a Jeep. Thanks for your reply though.
Was this
answer
helpful?
Yes
No
Tuesday, October 11th, 2016 AT 2:30 AM
Tiny
CJ MEDEVAC
  • MECHANIC
  • 11,005 POSTS
Roger on that.

I was not implying yours was a Jeep!

Were any of the fuses in the 4 part MERCEDES diagram I sent blown?

The Medic
Was this
answer
helpful?
Yes
No
Tuesday, October 11th, 2016 AT 5:24 PM

Please login or register to post a reply.