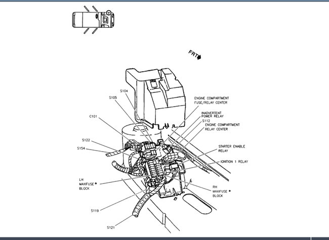
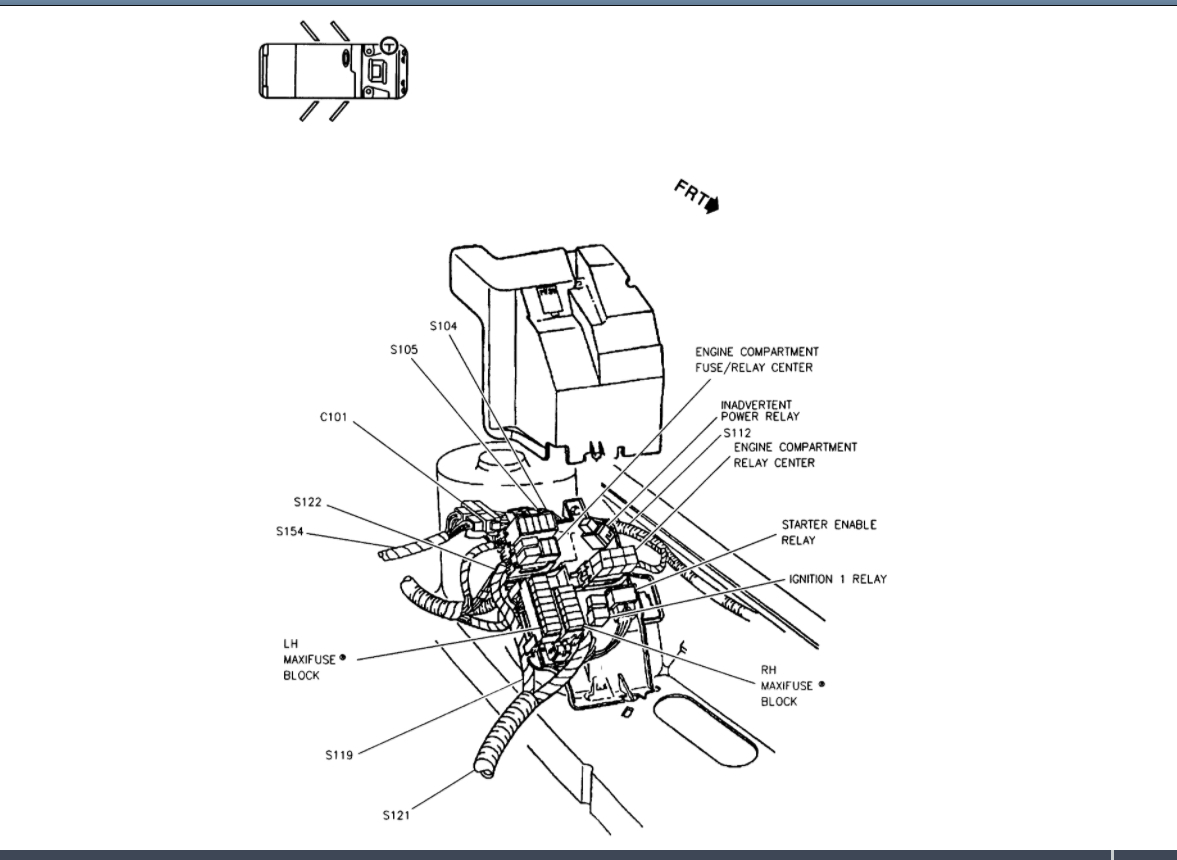
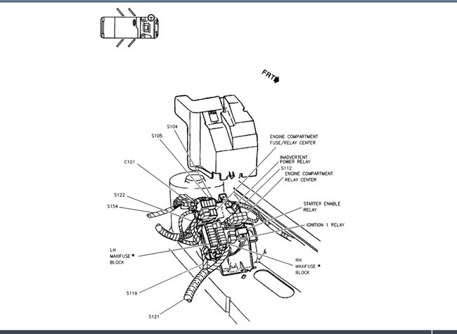
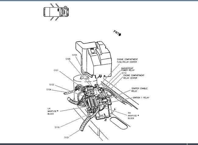
Blower motor fuse location

Tiny
NMARTIN1
  • MEMBER
  • 1998 CADILLAC DEVILLE
  • 4.6L
  • V8
  • 2WD
  • AUTOMATIC
  • 45,000 MILES
Where is the fuse for the blower motor located on the car listed above De Elegance model with the digital dash?
Friday, January 24th, 2020 AT 11:01 AM

1 Reply

Tiny
SCGRANTURISMO
  • MECHANIC
  • 4,897 POSTS
Hello,

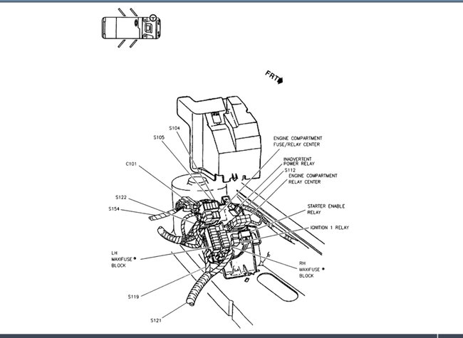
I have included the information that you have requested in the diagrams down below. I hope that this helps and please report back here with how everything turns out.

Thanks,
Alex
2CarPros
Was this
answer
helpful?
Yes
No
Friday, January 24th, 2020 AT 7:51 PM

Please login or register to post a reply.