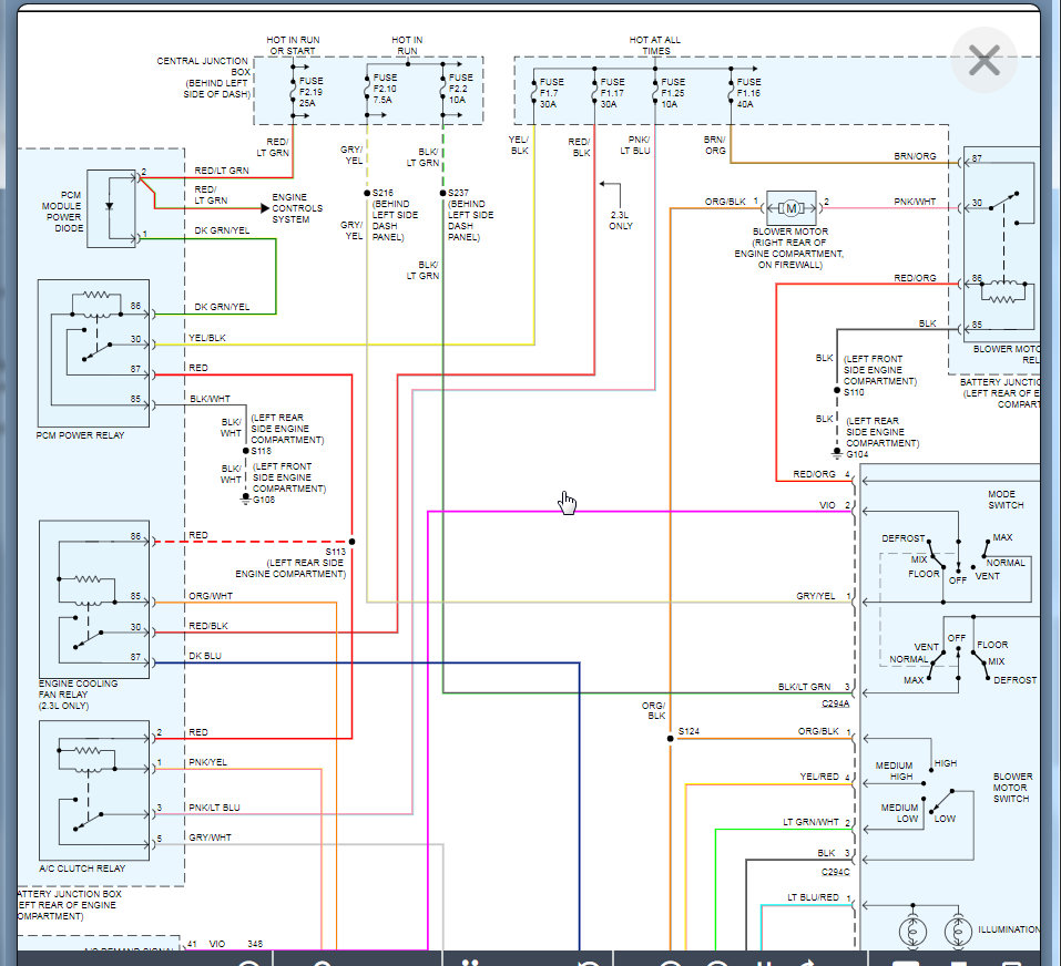
Air conditioning wiring diagram

Tiny
UHSNOEBIRD
  • MEMBER
  • 2001 FORD RANGER
  • 6 CYL
  • 4WD
  • MANUAL
  • 100,000 MILES
I am needing a wiring diagram ( with pictures ) for the vehicle listed above 4 x 4, 3.0L automatic. So I can determine where to put a plug in that's loose.
This plug in has 2 wires on it and it looks like it might be the high pressure connection, the location of this loose wire connector is on the passengers side of the truck near the front.
Friday, July 17th, 2020 AT 12:01 PM

11 Replies

Tiny
KASEKENNY
  • MECHANIC
  • 18,907 POSTS
I attached the wiring diagram for the A/C system. If this is on the right side of the engine, I suspect it is for the A/C clutch cycling switch. Let me know if you need more help figuring this out and we can go from there. Thanks
Was this
answer
helpful?
Yes
No
Friday, July 17th, 2020 AT 12:12 PM
Tiny
UHSNOEBIRD
  • MEMBER
  • 342 POSTS
The loose plug in is on the drivers side up near the radiator, it's not the low pressure switch or the magnetic coil plug in.
The plug in will reach near the radiator on the drivers side.
Was this
answer
helpful?
Yes
No
Friday, July 17th, 2020 AT 12:27 PM
Tiny
KASEKENNY
  • MECHANIC
  • 18,907 POSTS
Okay. In the first post you said it was on the passenger side. If it is on the drivers side front, it appears that would be the high pressure switch. The switch itself is on the A/C line so you should be able to find it.

It appears that is the only 2 wire connector on the A/C in the front driver side of the truck. Maybe get a picture of it if this isn't it.
Was this
answer
helpful?
Yes
No
Friday, July 17th, 2020 AT 5:42 PM
Tiny
UHSNOEBIRD
  • MEMBER
  • 342 POSTS
This is on a friends truck, I looked for that pressure fitting on the high side line, it doesn't have one unless someone changed that high side line. What do you think? Can I use a jumper wire on this high side line for a minute or so to see if the compressor clutch kicks in, I think I should be able to. Without any damage, let me know.
Was this
answer
helpful?
Yes
No
Friday, July 17th, 2020 AT 6:41 PM
Tiny
KASEKENNY
  • MECHANIC
  • 18,907 POSTS
Yep. It is a simple switch that just needs the contact closed so you should be able to jump it to test to see if that is why the compressor is not coming on.
Was this
answer
helpful?
Yes
No
Saturday, July 18th, 2020 AT 6:45 PM
Tiny
UHSNOEBIRD
  • MEMBER
  • 342 POSTS
Okay, can you find a picture of the high pressure line that has the switch connection on it? Because we cannot find one on this high pressure line that's on the truck right now. I'm not sure if this line has been replaced with one that doesn't have the switch on it for the plug in to go on. Thanks
Was this
answer
helpful?
Yes
No
Saturday, July 18th, 2020 AT 6:56 PM
Tiny
KASEKENNY
  • MECHANIC
  • 18,907 POSTS
Check the compressor and see if it has the high pressure switch on the line coming out of it. Take a look at the diagram. I think the 3.0L and 4.0L are the same.
Was this
answer
helpful?
Yes
No
+1
Sunday, July 19th, 2020 AT 7:05 PM
Tiny
UHSNOEBIRD
  • MEMBER
  • 342 POSTS
That is probably all the information I need on this truck, thanks so much for your help.
Watch who you deal with on that virus.
Was this
answer
helpful?
Yes
No
Sunday, July 19th, 2020 AT 7:36 PM
Tiny
KASEKENNY
  • MECHANIC
  • 18,907 POSTS
Sounds good. Thanks for the update. Let us know how you make out.

You as well. Stay safe. Thanks
Was this
answer
helpful?
Yes
No
+1
Monday, July 20th, 2020 AT 7:06 PM
Tiny
UHSNOEBIRD
  • MEMBER
  • 342 POSTS
Thanks for all the info on that truck. I have a question on a 2002 Saturn exhaust system, can you look that question up and help me with it? Thanks
Was this
answer
helpful?
Yes
No
Sunday, August 16th, 2020 AT 2:12 PM
Tiny
RENEE L
  • ADMIN
  • 1,260 POSTS
Hello,
Can you please start a new question for the 2002 Saturn? In order for the site to properly index questions they need to be about the same car and issue.
For your convenience here is the link:

https://www.2carpros.com/questions/new

Before clicking on the link make sure you are logged into the site.

Thank you and have a great rest of your day!

Renee
Site editor
Was this
answer
helpful?
Yes
No
+1
Sunday, August 16th, 2020 AT 3:30 PM

Please login or register to post a reply.