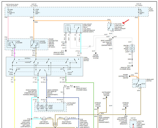
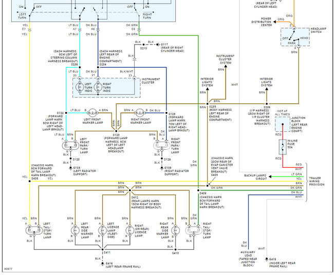
Tuesday, March 11th, 2025 AT 12:02 PM
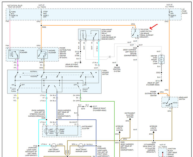
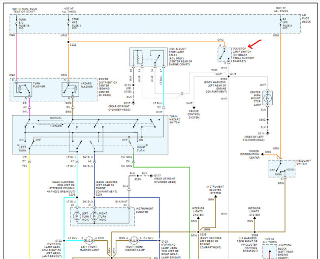
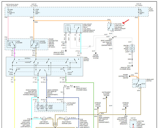
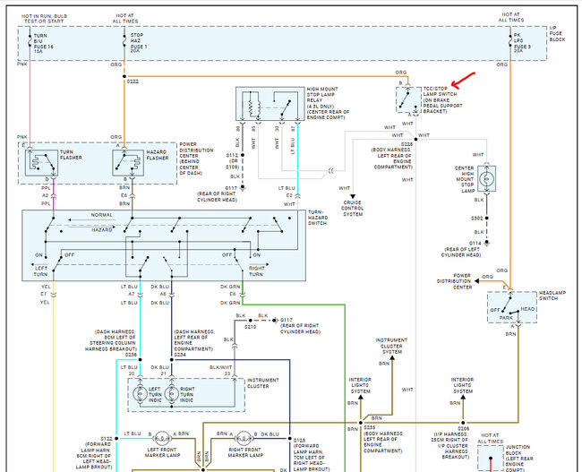
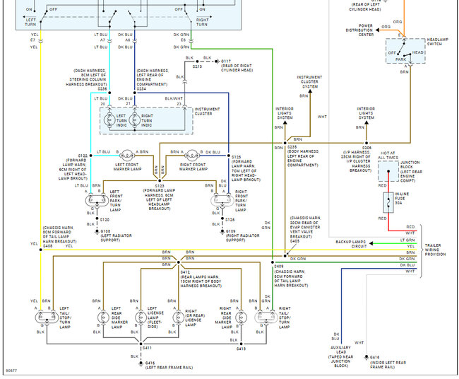
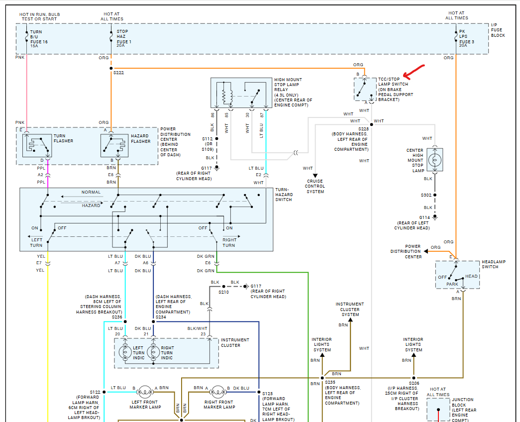
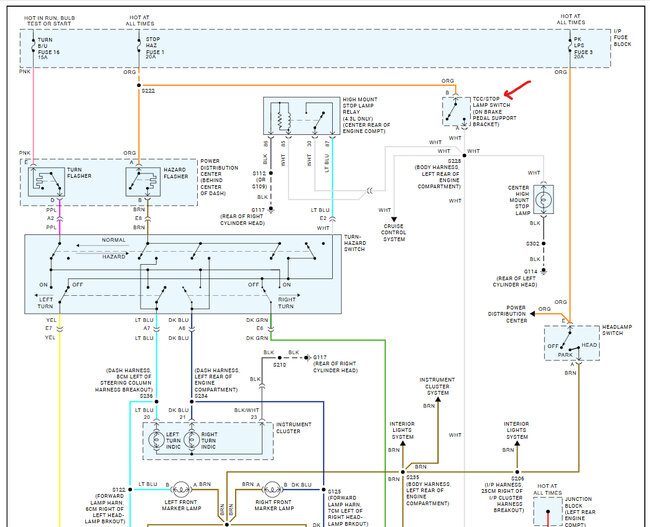
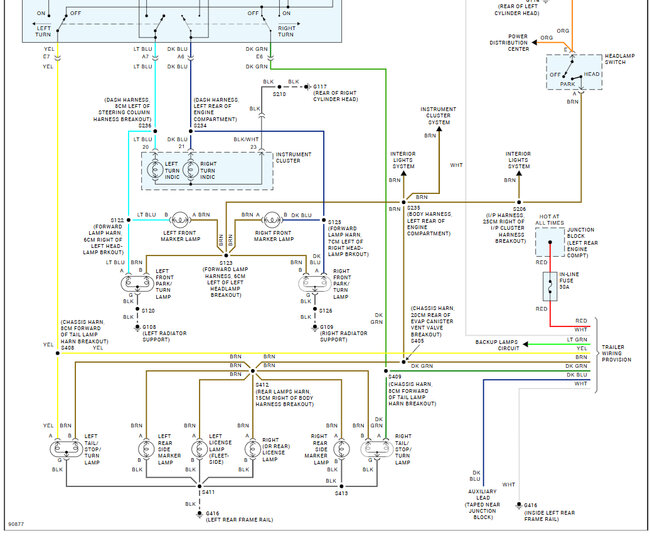
I replaced the brake light switch which attaches to the brake pedal because the rear lights stay on when the engine is started. However, even though I replaced the switch, it didn't solve the problem. Can one of you Pros help me solve the problem? Take care, Bob.



