When I turn on my lights at night my driver side brake light does not work

Tiny
CARMELA SOLORIO ASCENCIO
  • MEMBER
  • 1995 NISSAN PATHFINDER
  • AUTOMATIC
  • 230,458 MILES
When i'm driving during the day without my night lights on my brake lights work fine, as soon as it gets dark and I turn on my lights and I hit the brake my driver side brake lights don't work, don't even turn on. All the other 2 brake lights turn on fine except that one in total there is 3 brake lights on the pathfinder. I checked the fuses there all fine. Please help me with this it's urgent. How do I remove the housing from the taillights to get to the bulb? There's nowhere on YouTube or Google how to do it. Please help.
Tuesday, October 13th, 2020 AT 7:07 PM

1 Reply

Tiny
CARADIODOC
  • MECHANIC
  • 34,478 POSTS
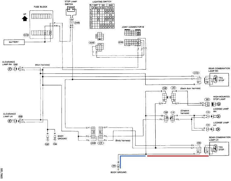
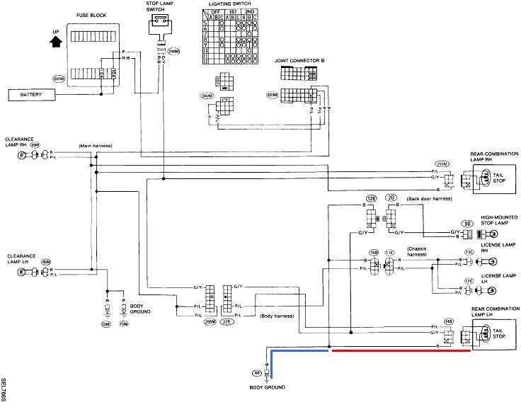
This isn't a bulb problem. When a light operation differs from headlights on to off, it is the classic symptom of a bad ground circuit for the affected bulb. In your vehicle, that ground circuit is shared with the license lamps and the center-high-mount brake light. You observed the center brake light is working properly. That leaves just the part of the ground circuit that is only for the left lamp as the suspect area. That is shown by the red line in the diagram. If you were to find the license lamps and the center brake light also did not work properly, that would point to the part of the circuit with the blue line.

Start by looking at the socket for the affected bulb. Some of them have a plugged-in ground terminal that can corrode. The best fix for that is a new socket. The next suspect is the black ground wire itself, including the splice, which can be susceptible to corrosion.

The additional clue to a bad ground is you will see the left bulb doesn't light up as bright as the right one. Also, if a helper applies the brakes, and you unplug the right rear bulb, the left one will go out. That's because with the bad ground for the left bulb, current looks for an alternate path to ground. It finds that by doubling back through the left rear tail light filament in the same bulb, then over to the tail light on the right side, through it, then to ground over there. Use a rag if you unplug the right bulb as it will get hot very quickly.
Was this
answer
helpful?
Yes
No
Wednesday, October 14th, 2020 AT 5:03 PM

Please login or register to post a reply.