Someone had installed an aftermarket round trailer connector with a brake controller, some of which had multiple crimp connectors. I am dealing with years of rust, a rear end accident where a car slid down the hill in ice and pushed in the trailer hitch in, water in the loom, and I’m not sure what else, But it’s a real mess. Some of the wires were detached, some were cut and some were chaffed and corroded. I can see why Pops has been having ongoing problems with the rear lighting for the last few years.
So far I replaced all the bulbs because some were bad.
Replaced rear tail light circuit boards because one was bad.
Removed the after market trailer hitch mess and recovered the 4 pin trailer harness in the rear, wired in a new 4 pin trailer pigtail, repaired the harness where necessary (grounds) and tested ohms and continuity, and rebundled everything. The Rear lighting should now be good to go once I tie in the new ground.
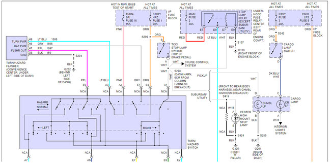
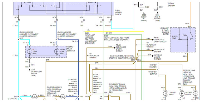
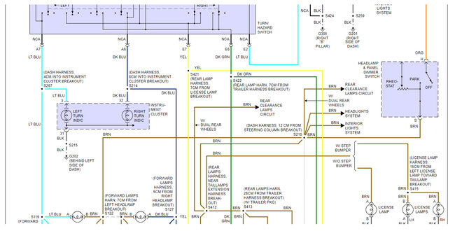
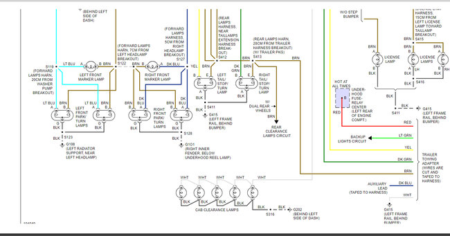
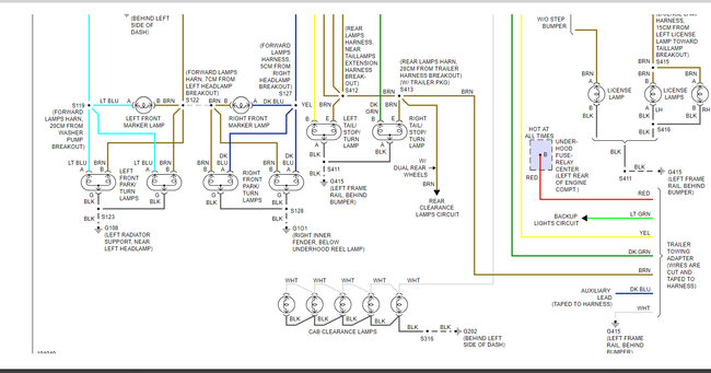
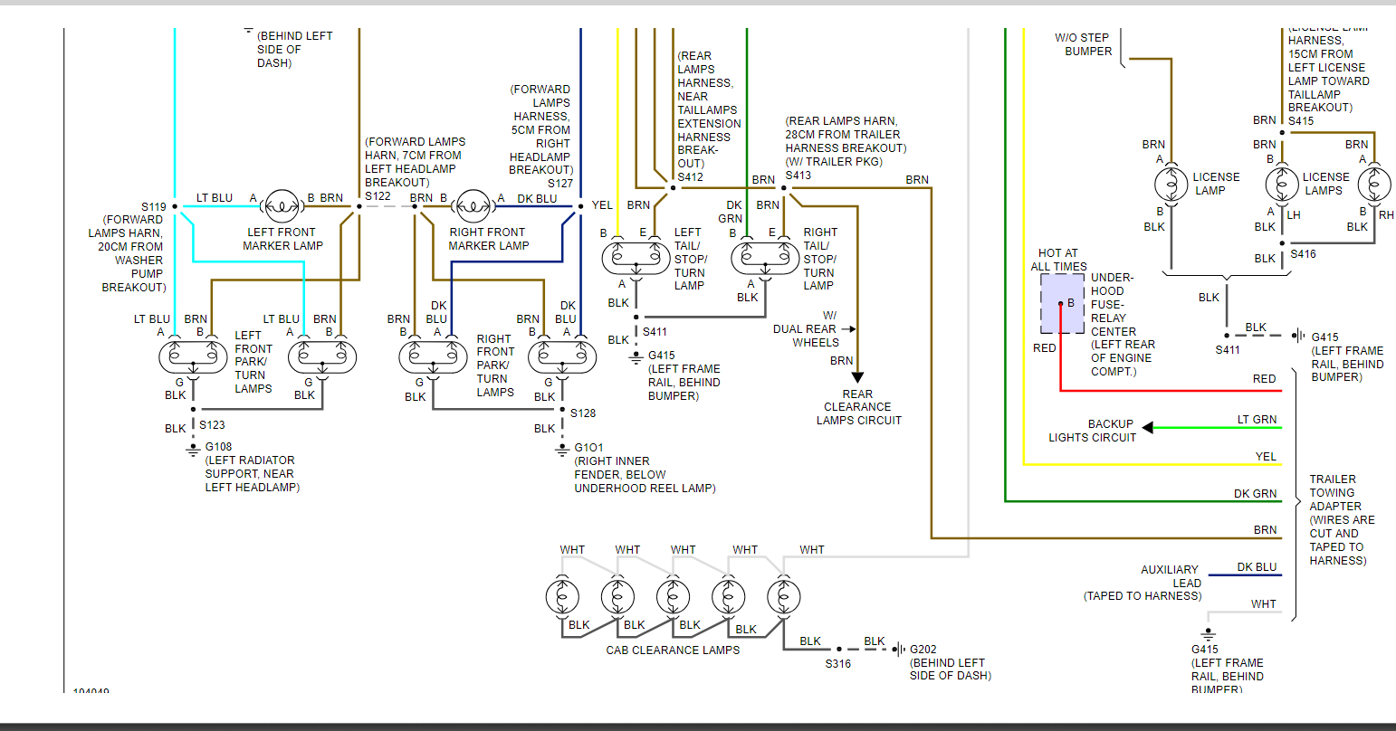
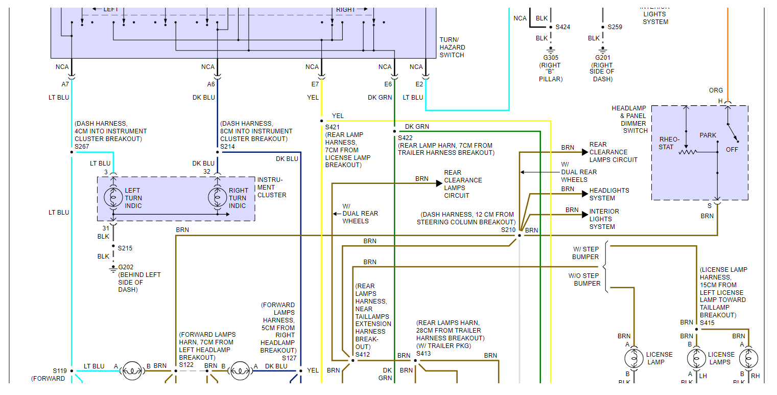
I am chasing the problems forward. Took out the electrical harness that runs back along the frame, to remove the excess trailer wiring that was damaged and to inspect. I was going to test repair, retest and rebundle it, but I have a white mystery wire, that is not on any of the wiring schematics I could locate and I need to know where it normally lives. The wire was severed near the driver side rear tire along the frame. It was in the loom with the rest of the taillight/trailer wiring. The connector to the rear light harness from the chassis harness beyond the drivers rear tire is the brown taillight, yellow turn signal, dark green turn signal, and light green back up light, that’s all. I did not see any other connectors. Any idea where the white wire drops out at or what it might be for? That’s a long way to travel to go to nowhere. I’d like to get this harness done tonight if I can.
Once that’s done I still have to get through the rest of the wiring up to the multi switch junction block. Someone prodded a bunch of the break circuit wiring and damaged it, I’m guessing searching for where to splice the brake controller in and right now, I have a rapid left turn signal that is back feeding through the back up lights, which I cannot troubleshoot until I fix all this mess and run some new grounds. The left brake light was lighting up the left reverse lights also, but I’ve cleaned up that problem by taking out the old aftermarket trailer wiring and repairing the harness. It already has a new multi function switch because the hazard switch, (after some lady side swiped the left front bumper as she was trying to pass at a stop sign in the wrong lane and swerved to avoid an oncoming ambulance) was intermittent. (A duplicate problem when you wiggled the hazard switch that was wiping out the turn signals because you could not determine when the hazards were on) So I’m ruling out the multi function switch for the moment. (Hopefully It did not short out). I have not checked all the fuses yet, I will as soon as I get this wiring squared away. Otherwise the lighting appears to be serviceable and functioning appropriately.
Thanks you will save me a lot of delay if you happen to know what this white wire belongs to. I really need to get to this truck back on the road for my Pops ASAP.
The 1998's have the backup light switch in the transmission.
The basic wiring schematics I have do not show any overlaps of the left turn and backup light circuits. But I was able to troubleshoot and confirm it was coming from the front of the vehicle. The wires aren’t shorted in the harness from the engine compartment to the rear end of the vehicle, so I’ll keep inspecting and chasing it, but more in-depth schematics would be helpful if anyone has any. I’d like to see if I can track down a serviceable harness from the brake switch to the junction block and it would help immensely to have a part number.
Thanks!
Wednesday, February 27th, 2019 AT 8:02 PM






