Weird RPM up and down after cold start

Tiny
LIVINGSSKY
  • MEMBER
  • 2001 TOYOTA CAMRY
  • 2.2L
  • 4 CYL
  • 2WD
  • AUTOMATIC
  • 145,000 MILES
When idling (gear on P):
At cold start, RPM shoots up to 1400-1500 and drop to 1000-1100 immediately. Then within five seconds, RPM starts to climb gradually for about one minute until getting over 1500. And going down slowly for ~4 minutes and stabilized at ~700.

- When coasting (gear on D):
Put gear to D right after cold start, and let the car creep without pedaling gas. The RPM behaves exactly the same as above. The engine revs up and gets the car accelerate on its own.

This happens only after "cold start" (even in summer). Once engine reaches operating temperature, everything is fine. However, LTFT > 10% whenever idling and coasting.

No vacuum leak. TB and IAC valve are kept clean. No CEL and no code.

Anywhere else should be checked as per the symptoms? Thanks!
Wednesday, October 3rd, 2018 AT 12:16 PM

9 Replies

Tiny
JACOBANDNICKOLAS
  • MECHANIC
  • 110,194 POSTS
Hi and thanks for using 2CarPros. Com.

That sounds like it could be related to the idle air control valve (IAC). Here are directions for testing idle speed. Do this first. It requires a scanner,

_____________________

COMPONENT TESTS AND GENERAL DIAGNOSTICS
INSPECTION
CONNECT TOYOTA HAND-HELD TESTER OR OBDII SCAN TOOL
a. Remove the fuse cover on the instrument panel.
B. Connect a TOYOTA hand-held tester or OBDII scan tool to the DLC3.
C. Please refer to the TOYOTA hand-held tester or OBDII scan tool operator's manual for further details.
3. INSPECT IDLE SPEED
a. Race the engine at 2,500 rpm for approximately 90 seconds.
B. Check the idle speed.
Idle speed (w/ Cooling fan OFF): 700 ± 50 rpm
If the idle speed is not as specified, check the IAC valve and air intake system.
4. DISCONNECT TOYOTA HAND-HELD TESTER OR OBDII SCAN TOOL
___________________________________

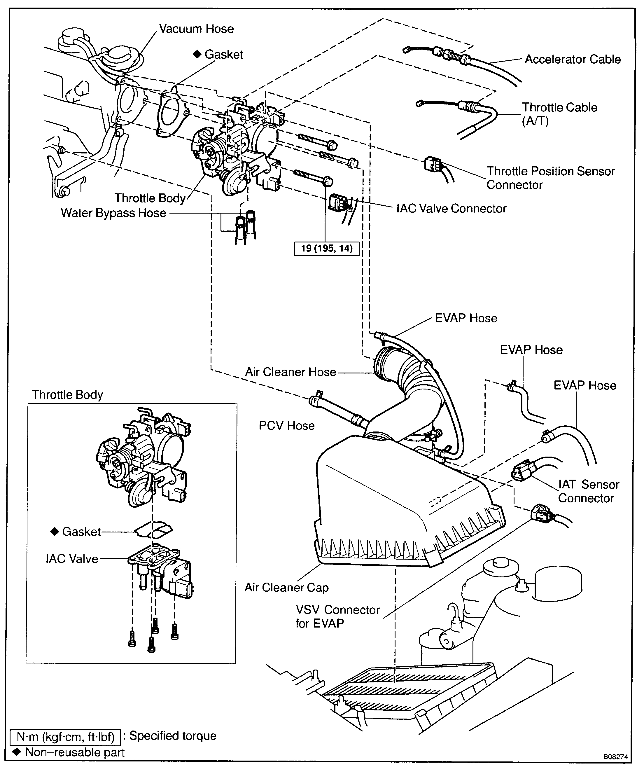
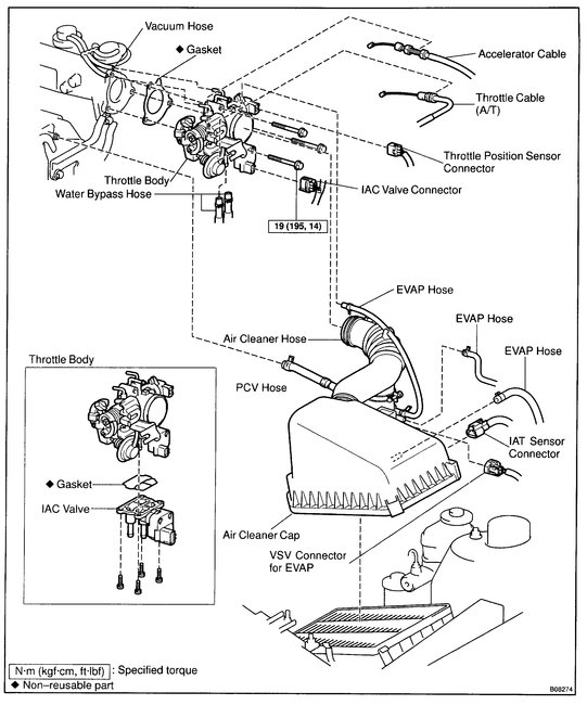
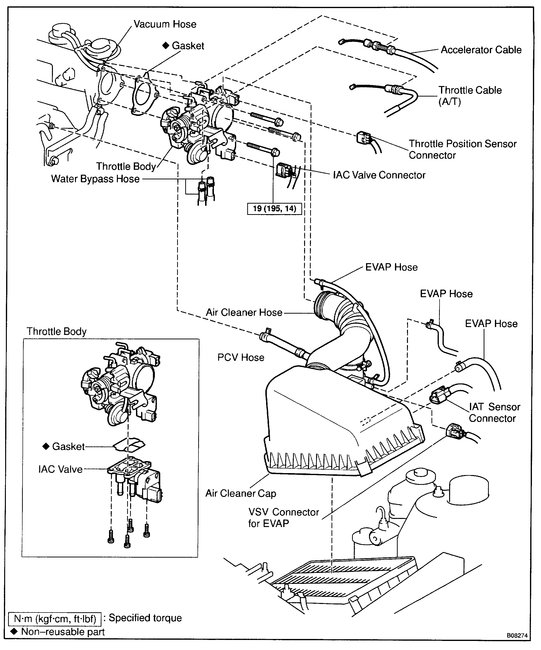
If the vehicle fails the test, check the idle air control valve located on the throttle body. Here are the directions for inspecting. See pic 2
IDLE AIR CONTROL (IAC) VALVE

INSPECTION

INSPECT IAC VALVE OPERATION
a. Check that the IAC valve is half opened.
B. Connect the IAC valve connector to the IAC valve.
C. Turn the ignition switch ON.
D. Check that the IAC valve moves in 0.5 seconds by order of fully close, fully open and half open.

If operation is not as specified, replace the IAC valve.
E. Turn the ignition switch OFF.
F. Disconnect the IAC valve connector from the IAC valve.

__________________________________________________-

If the IAC isn't functioning properly, it will need replaced or cleaned. Here are the directions for removal and replacement. All remaining pictures correlate with these directions.

REMOVAL AND INSTALLATIUON
Ideal Air Control (IAC) Valve
REMOVAL
1. REMOVE THROTTLE BODY
2. REMOVE THE IAC VALVE
Remove the 4 screws, IAC valve and gasket

INSTALLATION

1. INSTALL IAC VALVE
a. Place a new gasket on the throttle body.
B. Install the IAC valve with the 4 screws.

2. INSTALL THROTTLE BODY

_________________________________________________

If you have checked for vacuum leaks and there are no trouble codes, I suspect this could be the issue.

Let me know if this helps or if you have other questions.

Take care,
Joe
Was this
answer
helpful?
Yes
No
+1
Thursday, October 4th, 2018 AT 4:38 PM
Tiny
LIVINGSSKY
  • MEMBER
  • 11 POSTS
Thanks Joe. Will do the test and report back. -Simon
Was this
answer
helpful?
Yes
No
Thursday, October 4th, 2018 AT 11:56 PM
Tiny
JACOBANDNICKOLAS
  • MECHANIC
  • 110,194 POSTS
Happy to help. Let me know what you find.

Take care,
Joe
Was this
answer
helpful?
Yes
No
Friday, October 5th, 2018 AT 8:30 PM
Tiny
LIVINGSSKY
  • MEMBER
  • 11 POSTS
Got a car's repair manual, and there are IAC test procedures specifically for the model/year and engine (2001 Camry four cylinder, 5sfe). Basically the on-car check is like the following:
- Engine to operating temperature, and gear to Park.
- Be sure idle stable at normal ( 700rpm for mine).
- Bridge E1 and TE1 on DLC1 with jumper wire.
- RPM should rise to 900-1300 immediately for five seconds, and then return to normal (700).

My result: RPM increased to 850 and stayed for three seconds, and drop to 620 and pretty steady there. Apparently the IAC failed the test strictly per the procedure. But do the behaviors and the test results indicate that the IAC does have response to PCM? May not be working to designed specs at idle?

I am trying to remove the IAC valve, then can check closer on valve, and maybe do a thorough cleaning. But now got stuck with breaking loose its screws, too tough.
Thanks!
-Simon
Was this
answer
helpful?
Yes
No
Tuesday, October 9th, 2018 AT 12:30 AM
Tiny
JACOBANDNICKOLAS
  • MECHANIC
  • 110,194 POSTS
Yes, there can be a signal issue to the IAC. However, more often than not, the problem is the IAC or a build up of corrosion/carbon both the valve and the intake. Keep in mind, that valve determines the idle speed. If it cannot breath properly, the air intake to the engine is restricted. The result is a crazy idle issue. Often times the computer gets rich mixture readings from an O2 sensor and tries to compensate.

When you get it off, let me know what you find. I am anxious to know.

Take care,

Joe
Was this
answer
helpful?
Yes
No
+1
Tuesday, October 9th, 2018 AT 5:33 PM
Tiny
LIVINGSSKY
  • MEMBER
  • 11 POSTS
Hi Joe and everyone. Sorry for being late to update. I have been fighting an attempt to remove the IAC for weeks, but still no avail, even with screw extractor. I gave up.

But I tried this alternative: apply batter power to the open and close pins alternately, and spray TB cleaner at the same time. Just wish it could help. After then I indeed observed some change to the idle behavior after cold start - the RPM up and downs not that significant as before, while still erratic.

So this should, plus the fact it failed the test on repair manual, indicate the IAC valve is somewhat faulty. I will live with that as everything is good except for a rough cold start.

Could please help explain this accidental finding? I lately had a battery reset. Surprisingly, the first startup after the reset was very smooth. No RPM fluctuation at all from the cold start until engine warmed up. But it all came back to the bad "normal" after then. My guess is, the bad IAC renders some abnormal numbers such as a high LTFT (mine +10%). The ECU tires to adapt by adjusting RPM (cold start only?). Thanks!
-Simon
Was this
answer
helpful?
Yes
No
Friday, December 7th, 2018 AT 1:53 PM
Tiny
JACOBANDNICKOLAS
  • MECHANIC
  • 110,194 POSTS
I feel the actuator is bad. If you can, here is a mechanical test for the IAC. I have a feeling the valve is sticking, corroded, or just bad.

A. Check that the IAC valve is half opened.
B. Connect the IAC valve connector to the IAC valve.
C. Turn the ignition switch ON.
D. Check that the IAC valve moves in 0.5 seconds by order of fully close, fully open and half open.

If operation is not as specified, replace the IAC valve.

E. Turn the ignition switch OFF.
F. Disconnect the IAC valve connector from the IAC valve.

As far as the fuel trims are concerned, that really doesn't involve the IAC, but rather injection times. What specific screws are preventing you from removing the IAC?
Was this
answer
helpful?
Yes
No
Friday, December 7th, 2018 AT 4:45 PM
Tiny
LIVINGSSKY
  • MEMBER
  • 11 POSTS
All six JIS screws (like phillips) striped, and only two taken off. I may find a chance to try again during holidays. Then can do the test as advised. It is time consuming as have to remove the throttle body. Will report back. Thanks!
Was this
answer
helpful?
Yes
No
Saturday, December 8th, 2018 AT 11:25 PM
Tiny
JACOBANDNICKOLAS
  • MECHANIC
  • 110,194 POSTS
That explains the delay. Why the easiest things turn into nightmares is beyond my understanding. However, they always seem to.

Take care and if I don't hear back, have a nice holiday.

Joe
Was this
answer
helpful?
Yes
No
Sunday, December 9th, 2018 AT 7:56 PM

Please login or register to post a reply.