Wednesday, August 28th, 2024 AT 8:30 PM
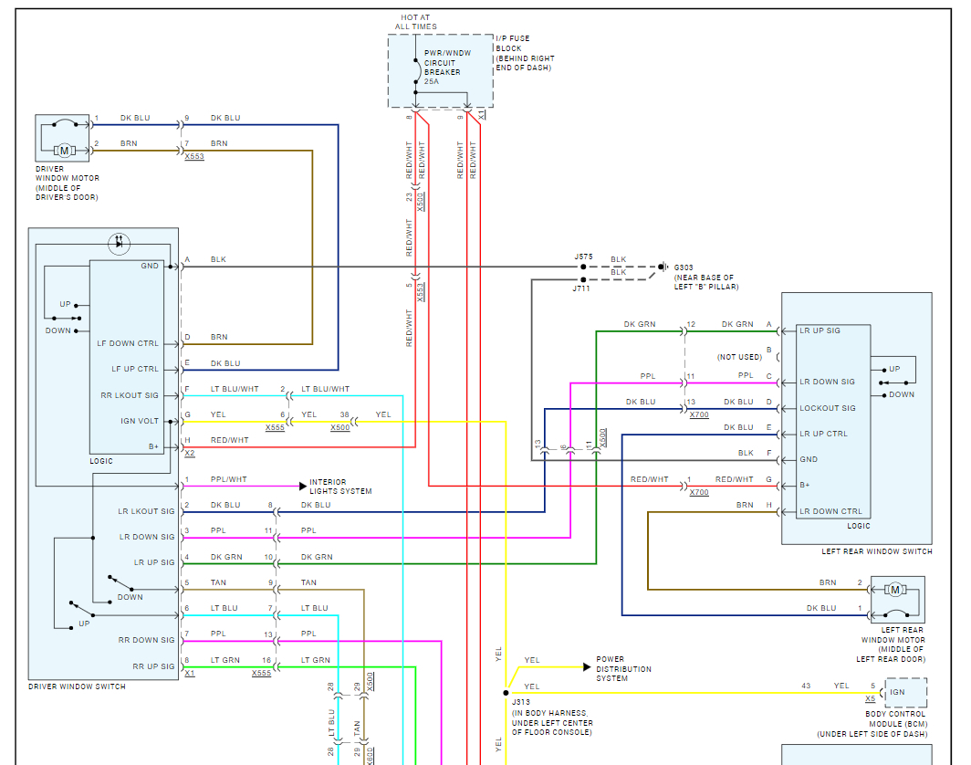
I'm trying to figure out my mother's vehicle's power windows as it's an odd one. The driver window works fine but controlling the passenger only down works but the passenger itself is fine. Controlling rear passenger from driver works fine but can't control rear driver from driver as well as rear driver itself doesn't work. The odd part is that my scan tool doesn't work on any windows but I can lock/unlock and control everything else. I have checked the fuse/relay its fine but haven't takin anything apart yet.




