Headlights, turn signals, brake lights and hazard lights are not working properly?

Tiny
CHAVEZ00
  • MEMBER
  • 2000 CHEVROLET SILVERADO
  • 5.3L
  • V8
  • 4WD
  • AUTOMATIC
  • 200,000 MILES
Blinkers don't work when the headlights are on acts like the hazards are enabled. With the headlights off blinkers work until the brakes are applied and causes the blinker and brake lights to flash. Also, when the headlights are on and I hit the brakes I see both blinker indicators illuminate.
•Replaced taillight circuit board.
•Cleaned most grounds.
•Removed and taped tailer connector at the end of the truck to rule that out.
•Also changed the taillight ground from the.
spare tire hoist to the frame of the truck.
•Replaced turn signal switch.
•Replaced flasher.
•Bulbs replaced and sockets are good.
•Brake light switch replaced.
Saturday, August 5th, 2023 AT 3:52 PM

8 Replies

Tiny
JACOBANDNICKOLAS
  • MECHANIC
  • 110,194 POSTS
Hi,

The idea that the signal indicators turn on when the headlamps tells me power is back feeding at some point.

Usually, this type of issue is caused by a faulty ground causing power to seek a new ground via whatever circuit it can use. I suspect that is what you were thinking when you replaced the ground.

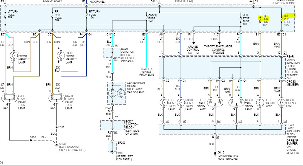
Let's try something. There is a fuse for the left-side parking lamps and one for the right side. Remove one at a time and see if that changes the power back feeding.

Also, I'm questioning if there may be a ground issue with the headlamp circuit causing issues or if the trailer wiring is an issue before the area you repaired.

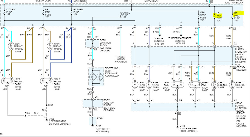
Pic 2 shows the fuses specific to the trailer wiring. Remove one at a time to check if any change things. Somewhere, wiring is crossed or a faulty ground is still the issue.

Sorry for so many ideas. My mind goes off and I start trying to narrow things down, but there are several variables.

Let me know.

Joe

See pics below.
Was this
answer
helpful?
Yes
No
Saturday, August 5th, 2023 AT 10:11 PM
Tiny
CHAVEZ00
  • MEMBER
  • 6 POSTS
Thanks for the response. I'll pull the fuses one by one and inspect the harness more closely soon as I get off work today I have a few things to try today. Quick question does this sound like a faulty BCM OR BCM ground I do not want to spend all that money and not fix my issue?
Was this
answer
helpful?
Yes
No
Sunday, August 6th, 2023 AT 8:13 AM
Tiny
CHAVEZ00
  • MEMBER
  • 6 POSTS
Okay, so, I added two more body/frame grounds. Also pulled some fuses PARK LP/LR PRK the blinkers start to work but I lose exterior lights only in the rear. What does this mean?
Was this
answer
helpful?
Yes
No
Sunday, August 6th, 2023 AT 5:06 PM
Tiny
JACOBANDNICKOLAS
  • MECHANIC
  • 110,194 POSTS
Hi,

The two fuses you mentioned are specific to the rear lamps. So, if those are the two you are referring to, that is normal.

Next, if the blinkers started working, was it when either of the two fuses were removed or was it one or the other? I attached a pic and circled the two fuses I believe you are referring to. Please confirm or let me know if I'm wrong.

Since things start working normally with one of them removed, that is where we need to focus. Check the tail lamp sockets to make sure they are in good condition. Also, and don't laugh, make sure you have the correct bulbs installed.

Let me know.

Joe

See pic below.
Was this
answer
helpful?
Yes
No
Sunday, August 6th, 2023 AT 9:37 PM
Tiny
CHAVEZ00
  • MEMBER
  • 6 POSTS
I can pull one or the other or both and the blinkers work. I rechecked the fuses I pulled. They are (PARK LP) and (LR PRK).
Was this
answer
helpful?
Yes
No
Monday, August 7th, 2023 AT 7:26 AM
Tiny
CHAVEZ00
  • MEMBER
  • 6 POSTS
Grounding out the blinkers behind the taillight assembly to the bed has solved my issue. Bad main ground? The one that's located on the spare tire hoist on the pic you sent?
Was this
answer
helpful?
Yes
No
Monday, August 7th, 2023 AT 8:00 AM
Tiny
JACOBANDNICKOLAS
  • MECHANIC
  • 110,194 POSTS
Hi,

Thanks for the update. When you said the indicators would light up, I suspected there was a ground-related issue. Electricity is interesting. It will find the easiest way out. LOL If the main ground has failed, it actually was seeking ground through a different circuit which turned the indicator lights on in the vehicle.

Regardless, it's good to know you found the issue. Take care of yourself and feel free to come back anytime in the future.

Joe
Was this
answer
helpful?
Yes
No
Monday, August 7th, 2023 AT 1:47 PM
Tiny
CHAVEZ00
  • MEMBER
  • 6 POSTS
Definitely electricity can be interesting for sure. Thank you so much for your time and your knowledge. You take care as well.
Was this
answer
helpful?
Yes
No
Monday, August 7th, 2023 AT 6:28 PM

Please login or register to post a reply.