Saturday, January 25th, 2020 AT 12:14 PM
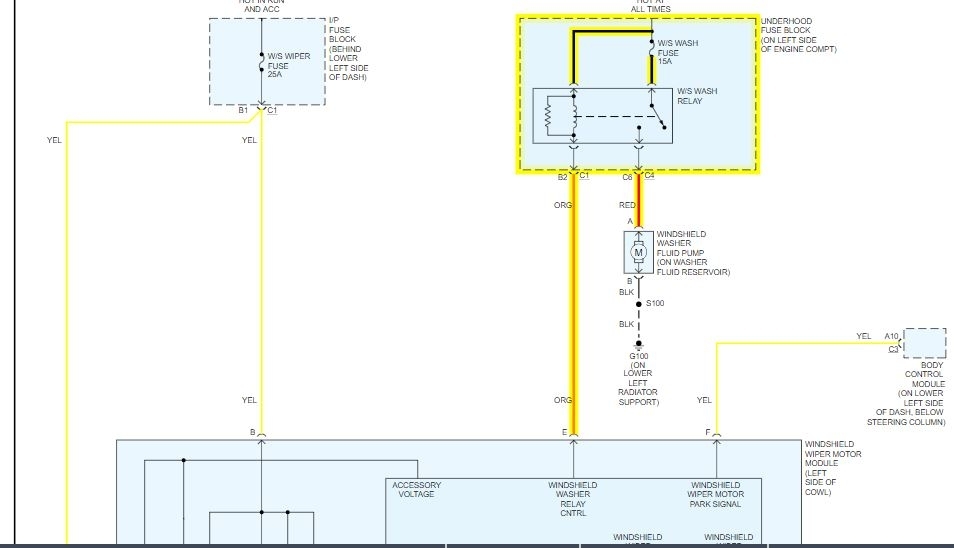
Pump works and sprays when I jump across 30 and 87 at the relay so it’s good. Fuse and relay are good in the engine fuse box. The washer tab on multi switch shows continuity in the washer wire to pulse board when activated so that’s not the problem. Don’t know how to test the pulse board so I replaced it but no fix. Must be in the wiring from fuse box to pulse board or multi switch to pulse board? How to check without tearing things apart or is there something else I can try before taking it to pro?








