Flashing battery light

2006 FORD RANGER
16,000 MILES • 4.0L
Avatar
GOODWIN LARRY
  • MEMBER
  • 1 POST
Battery light flashing going down road. replaced battery, belt tensioner, replaced serpentine belt. had alternates checked twice, checked okay. but battery light still flashes and now other icons have started but go out when at idle or stopped.
May 7, 2021 at 5:25 PM
Advertisement
Repair Safety Notice: This information is for general instructional purposes only. Vehicle repair can be dangerous. Verify all information, follow manufacturer service procedures, use proper tools and safety equipment, and consult a qualified repair shop when needed.
Avatar
KASEKENNY
  • AUTOMOTIVE REPAIR CONTRIBUTOR
  • 18,907 POSTS
More then likely you have a wiring issue that is causing the alternator to not be able to properly charge the system.

Just want to confirm you are testing the alternator as shown in this guide:

https://www.2carpros.com/articles/how-to-check-a-car-alternator

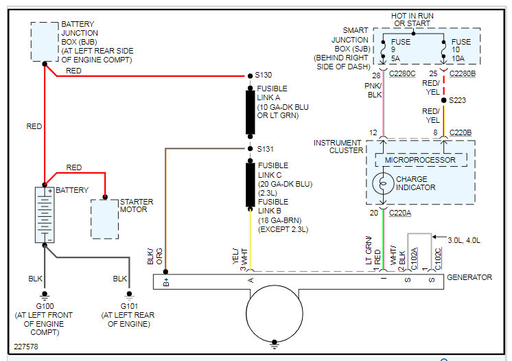
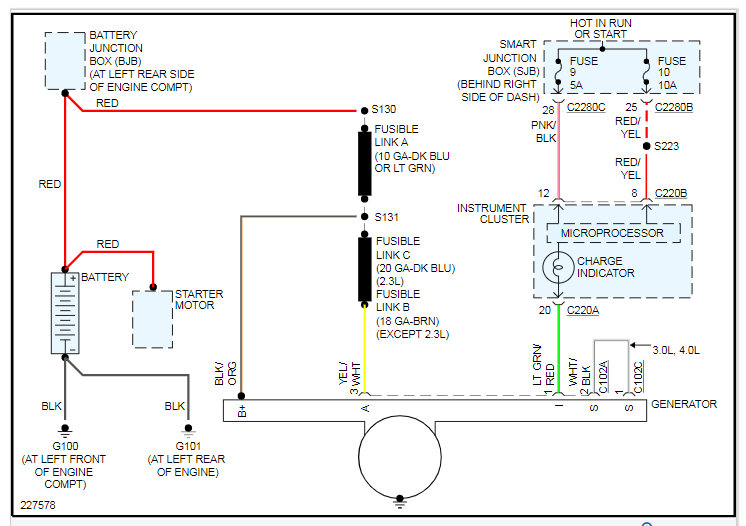
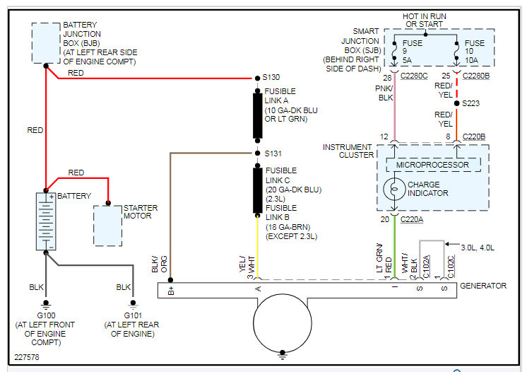
If so and it passes then we need to check the resistance in the wiring, specifically the fusible links shown below.

I would take the battery cable off the battery and the alternator and measure the resistance from end to end with a meter.

https://www.2carpros.com/articles/how-to-check-wiring

Then we can go to the alternator and check the voltage at each of the wires.

The alternator may also perform its charging function but there is an issue at the terminal for the charge indicator and it is turning the light on incorrectly.

Have you had any issues with the battery not staying charged?

Also, what other lights are turning on?
May 8, 2021 at 5:03 PM