Engine shuts off once it gets warm

Tiny
MIKER2
  • MEMBER
  • 2006 CHEVROLET TRAILBLAZER
  • 5.3L
  • V8
  • 2WD
  • AUTOMATIC
  • 80,000 MILES
Engine shuts off after about twenty minutes once it gets warm. No spark to plugs at that point. Once engine cools down it will restart. Changed the ECU and it still does the same thing.
Tuesday, September 4th, 2018 AT 10:31 AM

1 Reply

Tiny
JACOBANDNICKOLAS
  • MECHANIC
  • 110,194 POSTS
Hi and thanks for using 2CarPros.com.

Honestly, it sounds like a bad crankshaft position sensor. When they are bad and get hot, internally they lose connection. Thus, no spark. Take a look through this link:

https://www.2carpros.com/articles/symptoms-of-a-bad-crankshaft-sensor

Here are general directions for replacement:

https://www.2carpros.com/articles/crankshaft-angle-sensor-replacement

If you determine this is the problem, here are the directions for sensor replacement specific to your vehicle. All attached pictures correlate with these directions.
_____________________________________________

CRANKSHAFT POSITION SENSOR REPLACEMENT
CRANKSHAFT POSITION (CKP) SENSOR REPLACEMENT
Disconnect The Battery Prior To Removal
REMOVAL PROCEDURE
1. Remove the starter.

IMPORTANT: Perform CKP System Variation Learn Procedure whenever the crankshaft position (CKP) sensor is removed or replaced.

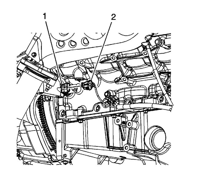
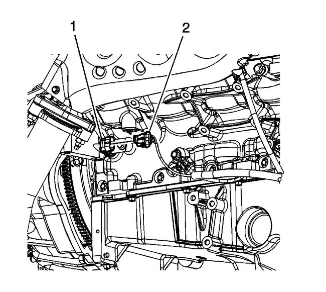
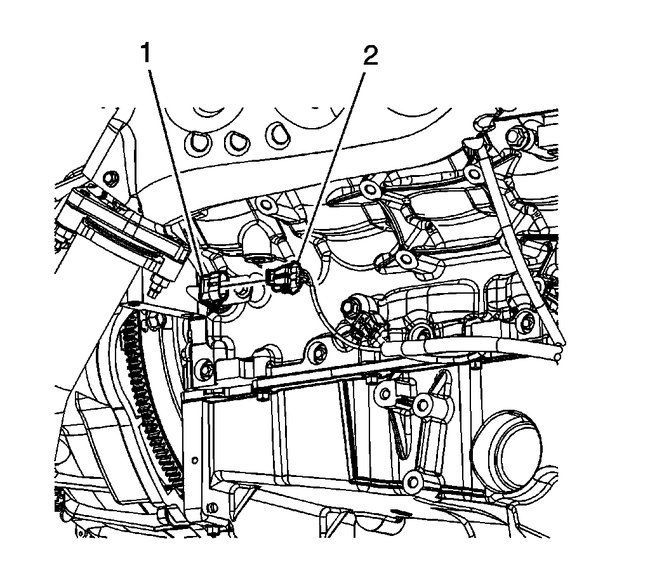
2. Disconnect the electrical connector (2) from the CKP sensor (1).
3. Clean the area around the CKP sensor before removal in order to avoid debris from entering the engine.
4. Remove the CKP sensor bolt.
5. Remove the CKP sensor.

INSTALLATION PROCEDURE
1. Install the CKP sensor.
2. Install the CKP sensor bolt.

NOTE: Refer to Fastener Notice in Service Precautions.

Tighten the bolt to 25 N.m (18 lb ft).
3. Connect the electrical connector (2) to the CKP sensor (1).
4. Install the starter.
___________________________________________________
Once the sensor is replaced, you will need to complete a variation relearn. Here are the directions from Alldata:

CRANKSHAFT POSITION SYSTEM VARIATION LEARN
CKP SYSTEM VARIATION LEARN PROCEDURE

1. Install a scan tool.
2. Monitor the engine control module (ECM) for DTCs with a scan tool. If other DTCs are set, except DTC P0315, refer to Diagnostic Trouble Code (DTC) List - Vehicle for the applicable DTC that set.
3. Select the crankshaft position (CKP) variation learn procedure with a scan tool.
4. The scan tool instructs you to perform the following:
1. Accelerate to wide open throttle (WOT).
2. Release throttle when fuel cut-off occurs.
3. Observe fuel cut-off for applicable engine.
4. Engine should not accelerate beyond calibrated RPM value.
5. Release throttle immediately if value is exceeded.
6. Block drive wheels.
7. Set parking brake.
8. DO NOT apply brake pedal.
9. Cycle ignition from OFF to ON.
10. Apply and hold brake pedal.
11. Start and idle engine.
12. Turn A/C OFF.
13. Vehicle must remain in Park or Neutral.
14. The scan tool monitors certain component signals to determine if all the conditions are met to continue with the procedure. The scan tool only displays the condition that inhibits the procedure. The scan tool monitors the following components:
- CKP sensors activity-If there is a CKP sensor condition, refer to the applicable DTC that set.
- Camshaft position (CMP) sensor activity-If there is a CMP sensor condition, refer to the applicable DTC that set.
- Engine coolant temperature (ECT)-If the ECT is not warm enough, idle the engine until the engine coolant temperature reaches the correct temperature.
5. Enable the CKP system variation learn procedure with a scan tool.
6. Accelerate to WOT.

IMPORTANT: While the learn procedure is in progress, release the throttle immediately when the engine starts to decelerate. The engine control is returned to the operator and the engine responds to throttle position after the learn procedure is complete.

7. Release when the fuel cut-off occurs.
8. Test in progress
9. The scan tool displays Learn Status: Learned this ignition. If the scan tool indicates that DTC P0315 ran and passed, the CKP variation learn procedure is complete. If the scan tool indicates DTC P0315 failed or did not run, refer to DTC P0315. If any other DTCs set, refer to Diagnostic Trouble Code (DTC) List - Vehicle for the applicable DTC that set.
10. Turn OFF the ignition for 30 seconds after the learn procedure is completed successfully.
11. The CKP system variation learn procedure is also required when the following service procedures have been performed, regardless of whether DTC P0315 is set:
- A CKP sensor replacement
- An engine replacement
- A ECM replacement
- A harmonic balancer replacement
- A crankshaft replacement
- Any engine repairs which disturb the CKP sensor relationship

_____________________________________

I hope this helps. Let me know if you have other questions.

Take care,
Joe
Was this
answer
helpful?
Yes
No
Tuesday, September 4th, 2018 AT 6:10 PM

Please login or register to post a reply.