Wednesday, September 22nd, 2021 AT 4:04 PM
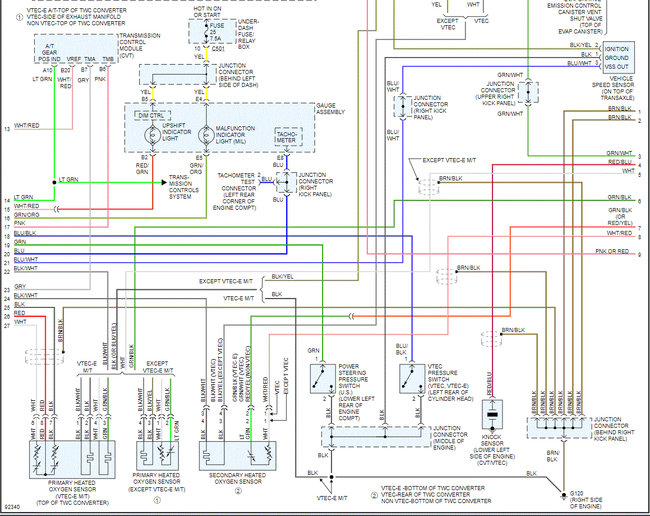
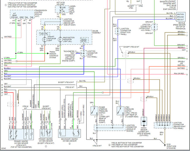
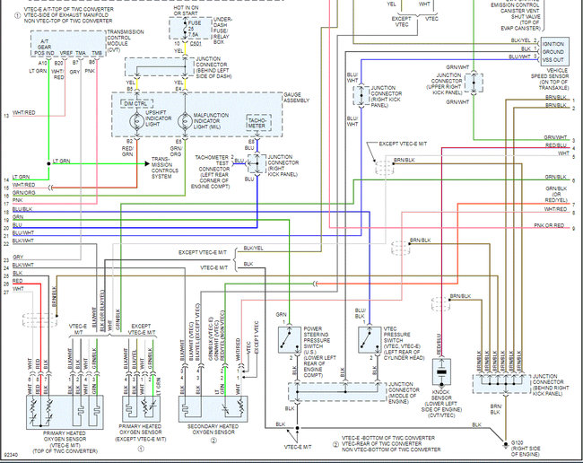
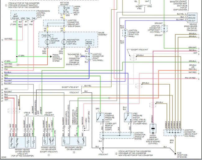
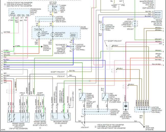
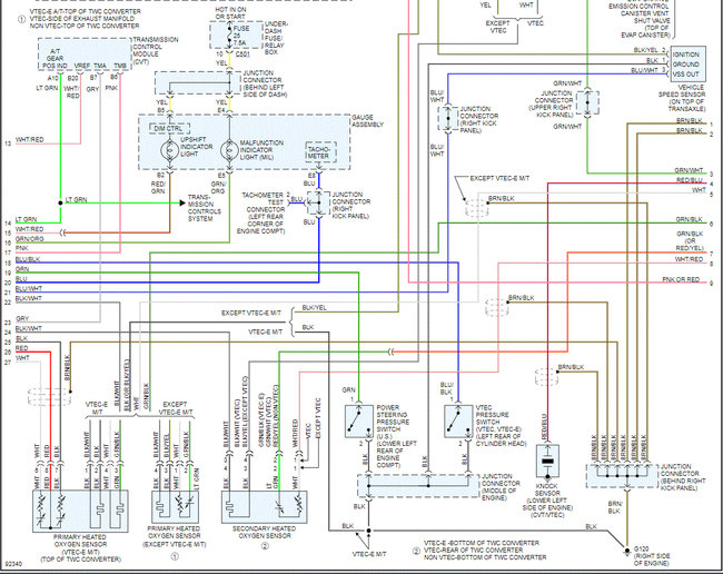
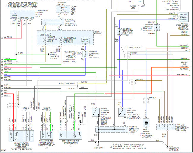
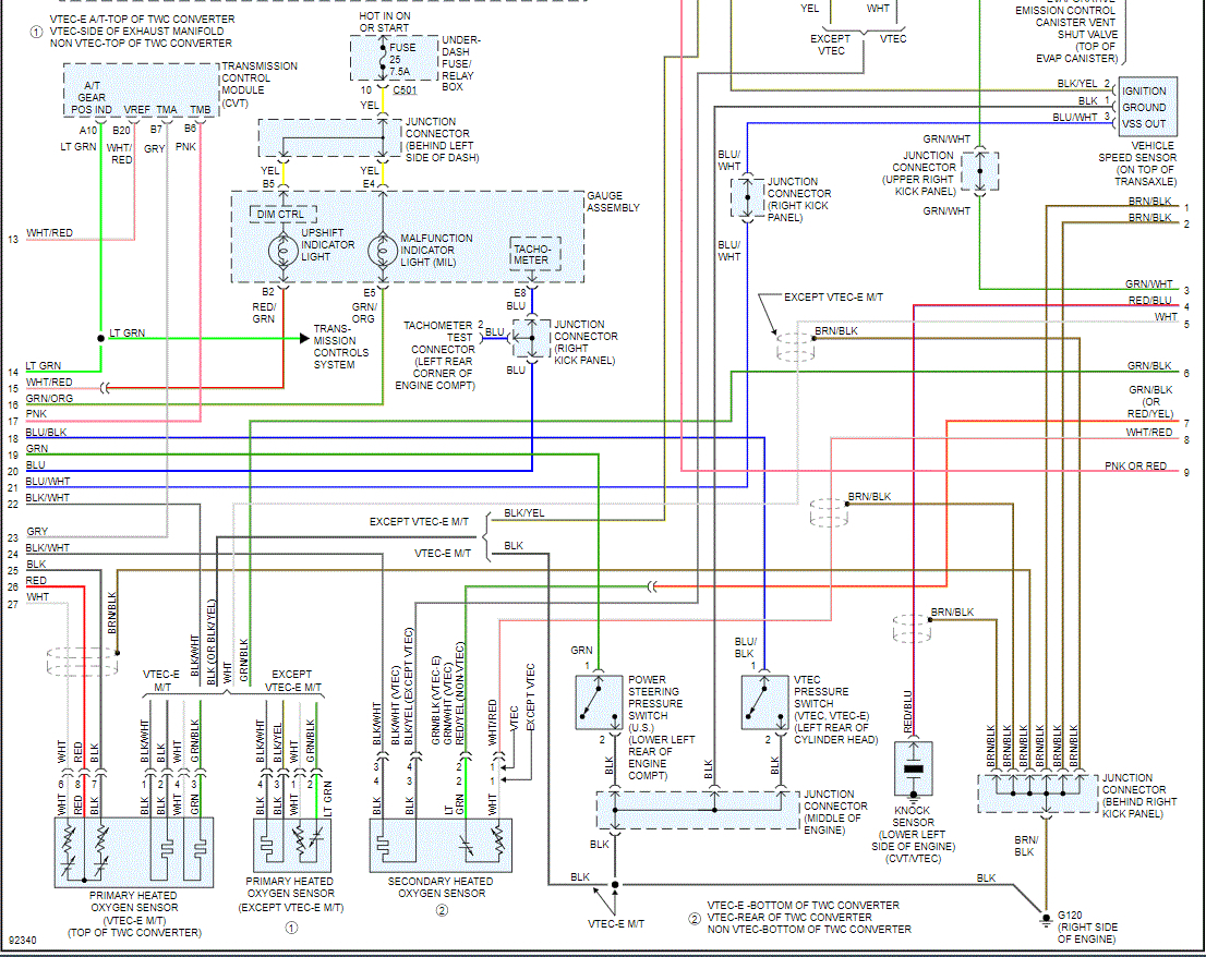
So the vehicle I just bought has the wires that go to the VTEC solenoid cut and I don't know what wires went there. Like; what color they were. If I could get an engine wiring diagram for my vehicle that would help a lot and if it’s needed the motor is a d16y5 1.6 vtec-e 4 cylinder out of the car listed above hx. It is a manual but it has running like garbage because the VTEC solenoid isn’t wired up.








