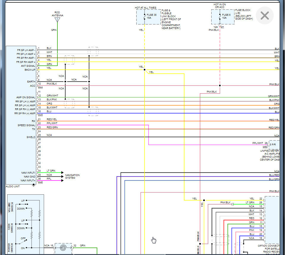
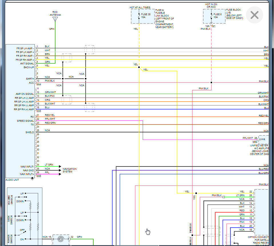
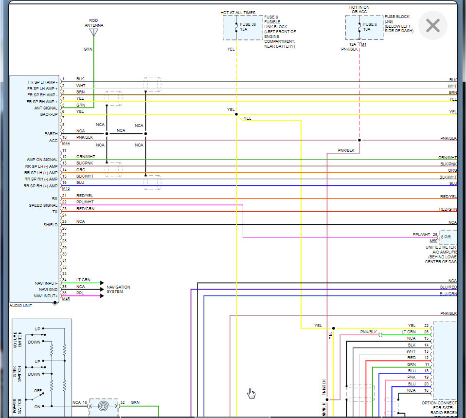
My volume and mode buttons were not working and the airbag light was on. An electrician diagnosed it and told me to replace the clock spring, which I did but those two buttons are still malfunctioning. My horn and cruise control buttons were working before and after the clock spring replacement. Please help.
May 22, 2021 at 3:28 PM






