Voltage regulator reading failed

1994 FORD RANGER
174,000 MILES • 4.0L • 6 CYL • 4WD • AUTOMATIC
Avatar
TOTHESOUNDOF
  • MEMBER
  • 4 POSTS
I tested my alternator after having charging issues. The voltage regulator tested bad but the charging system was good. I replaced the entire alternator since the voltage regulator was attached to the back. After installing my new alternator, I again had it tested and again the voltage regulator failed. Why would this be? Is there something else that could cause this?
Sep 15, 2021 at 5:13 PM
Advertisement
Repair Safety Notice: This information is for general instructional purposes only. Vehicle repair can be dangerous. Verify all information, follow manufacturer service procedures, use proper tools and safety equipment, and consult a qualified repair shop when needed.
Avatar
CARADIODOC
  • AUTOMOTIVE REPAIR CONTRIBUTOR
  • 34,308 POSTS
We're going to need some voltage readings and symptoms to start the diagnosis. You might want to start by reviewing this article so you know what we're looking for:

https://www.2carpros.com/articles/how-to-check-a-car-alternator

The very first thing I look for is whether the red "Battery" light on the dash turns on when you turn on the ignition switch. That is in the turn-on circuit that tells the voltage regulator to wake up and start working. Next, if that warning light turns off once the engine is running, the charging system is working, but possibly not correctly.

The next step is to measure the battery's voltage with the engine off. Expect to see 12.6 volts if the battery is good and fully-charged. If it's good but run down, the voltage will be closer to 12.2 volts. If you don't have a voltmeter, you can find a perfectly fine one at Harbor Freight Tools for $7.00. Walmart, any hardware store, and all auto parts stores have them too. This article:

https://www.2carpros.com/articles/how-to-use-a-voltmeter

shows how to use one, but they're using one with the "auto-ranging" feature that inexpensive meters don't have. I can help if you need it with setting up the meter.

If the battery's voltage is okay, measure it again with the engine running. Now it must be between 13.75 and 14.75 volts. Besides turning on the warning light for a no-charge condition, your voltage regulator will also turn it on for an under-charge and an over-charge condition.

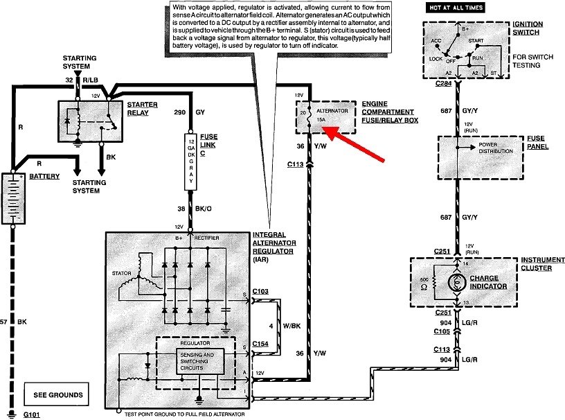
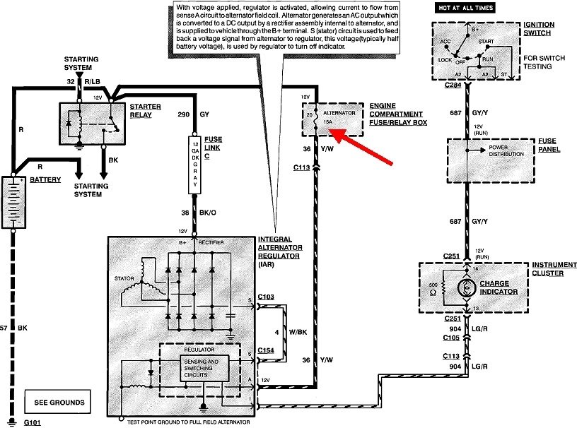
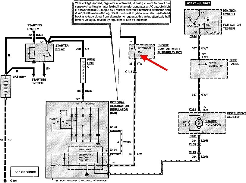
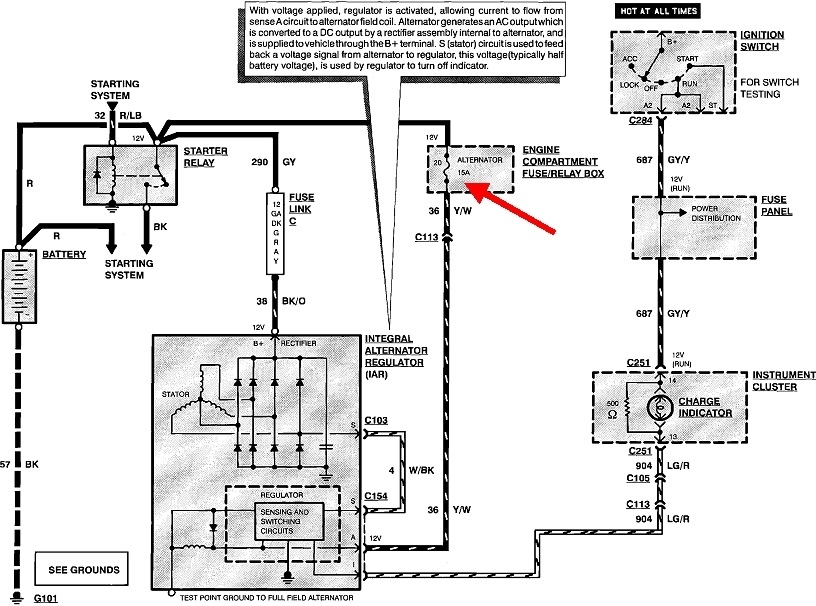
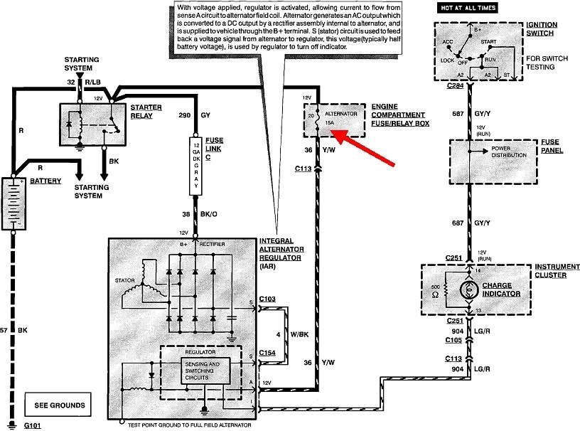
If the battery's voltage stays at or under 12.6 volts with the engine running, the best suspect is a blown 15-amp fuse. I pointed that out with the red arrow on this diagram. The fuse box is under the hood. Look for a blue fuse # 20.

If we need to go further, we'll need some voltage readings to analyze. Specifically, measure the voltage on the fat output wire on the back of the generator with the engine not running, and the voltages on the three-wire plug on the side / back of the generator. To be valid, these have to be taken with the connector plugged in, so you'll have to poke the voltmeter's probe through the rubber seal alongside the wires. Don't worry about the white wire. There must be 12 volts on the yellow / white wire all the time. Expect to find around 2 volts on the light green / red wire with the ignition switch on and the engine not running. That voltage will jump up to more than 12 volts with the engine running when the charging system is working

Let me know what you find.
Sep 16, 2021 at 6:31 PM
Avatar
TOTHESOUNDOF
  • MEMBER
  • 4 POSTS
Okay, so no battery light comes on when the vehicle's ignition is in the "on" position, nor when I start the truck.
The battery's voltage when off is 12.37 volts and when I turn the truck on it drops down to 12.06 volts.
I checked the 15-amp fuse under the hood, it didn't appear to be blown but I am going to replace it anyway.
For now, I took the measurements of the various wires with the engine either off or with the ignition in the "on" position and their readings are:
Fat output wire: 12.37 volts (off position)
Red/green: 3.51 volts (on position)
White: 01 volts (on)
Yellow: 11.87 volts (on)
And I also took the voltage of the smaller connector, and it's reading was .03 volts.
Another thing I'd like to mention is that the smaller connectors clip broke when I took it off the old alternator and so it doesn't seat very tightly.
Thank you for your help.
Oct 7, 2021 at 4:08 PM
Advertisement
Avatar
CARADIODOC
  • AUTOMOTIVE REPAIR CONTRIBUTOR
  • 34,308 POSTS
Dandy. The battery is run down, which is to be expected. The 15-amp fuse is okay. That's how the 11.87 volts gets to the yellow wire.

It would appear the "Battery" warning bulb is burned out. The turn-on circuit is working. That's the 3.51 volts on the light green / red wire. Current is flowing there through the 500 ohm resistor on the instrument cluster. Its only purpose is to provide that turn-on voltage when the bulb is burned out.

At this point the charging system should work when the engine is running. When it is working, roughly half of charging voltage, or near 7 volts, will appear on the white wire. The broken clip on that plug doesn't matter as long as the plug remains on the terminal. That 7 volts is what tells the voltage regulator the system is working, then the regulator puts full system voltage back out on the light green / red wire to turn the warning light off.

As far as these voltages are concerned, you have everything you need for the system to work. Since it is not working, it can be broken down into two parts for the diagnosis. Those are the generator itself and the voltage regulator. There's a test point between them. That's indicated by my blue arrow in this photo. If you look closely, you'll see printed right above that screw, it says, "Ground here to test". Also note the heavy corrosion on these screw heads. You'll need to scratch through that with your jumper wire to get a good connection.

Connect your voltmeter to the battery so you can see what happens in this next test. Use a jumper wire to ground that test point while the engine is running. This doesn't have to be a very fat wire. It is only going to pass around three amps. This test bypasses the voltage regulator and runs the generator wide-open with no controls. If you see the battery voltage rise, perhaps to as much as 15 - 16 volts, that proves the generator is okay and the voltage regulator is suspect. Don't raise engine speed since the low speed is the only thing limiting output voltage to a safe level. All generators are relatively inefficient at low speeds.

If the battery voltage doesn't change when you touch the jumper wire, there's a problem inside the generator and chances are the voltage regulator is okay. There are two common failures inside the generator. One is one of the diodes is shorted. In most cases the system still works, but the maximum current the generator can develop is exactly one-third of its maximum rated current. That's only 30 amps from a common 90-amp generator. That's not enough to meet the demands of the entire electrical system under all conditions, but it could be enough for the warning light o turn off.

The more common defect would be worn brushes inside the generator. Those always start out as an intermittent problem that acts up for longer and longer periods of time as they continue to wear down. We can test for this too, but there are some things to be aware of.

Notice the voltage regulator is bolted to the back of the generator with four screws in the four corners. There are two more screws; one with the blue arrow and the other right across from it. The brushes are attached to those two screws. Funny things is, while the brushes are part of the generator, they're actually bolted to the backside of the voltage regulator. If testing shows the brushes are worn, you get them as part of a new voltage regulator.

Use your ohm meter to check for continuity between those two screws. Put the meter on the lowest setting, typically "200 ohms". If you're lucky enough to come up with a reading of around 4 to as much as maybe 10 ohms, the brushes are making contact at this time. Commonly one of two things will interfere with this test. The first is again, that heavy corrosion on the screw heads. You'll have to scratch the probes around until they make a good contact. The other problem is even with brand new brushes, they often don't make good contact with the slip rings they're riding on. Small particles of carbon chip off and get stuck under them. That's not a problem when the generator's rotor is spinning. For this test, if you get an "infinite" or "open circuit" reading, try "irritating" the pulley a little by tugging on the belt. Very little movement is needed for the connection to improve to the point you get a good reading.

Hopefully by this time the defect will be evident. Let me know what you find.
Oct 7, 2021 at 6:08 PM
Avatar
ORIONTOGO
  • MEMBER
  • 1 POST
Caradiodoc, I signed up just to voice my thanks for what you wrote. I'm in a similar situation and would be glad to commission your insight for similar issues that I'm working through.

If not interested, thanks regardless for the already great info.
Dec 15, 2022 at 7:03 PM
Advertisement
Avatar
CARADIODOC
  • AUTOMOTIVE REPAIR CONTRIBUTOR
  • 34,308 POSTS
I'm definitely here to help, but you should start a new question specific to your vehicle. First, these get categorized according to model, year, and symptom to make it easier for others to find when researching a similar problem. Second, unlike other sites where anyone can chime in with confusing replies, this becomes a private conversation between the two of us. We are the only two who get automated e-mails directing us back here when a new reply shows up. As such, none of the other experts will see the conversation or be able to add valuable comments unless they were interested enough in the solution to follow along in the background. That may not get you the help you need.

To further frustrate the issue, I don't have internet at home. I have to drive to town each day to catch up on replies. You may have to wait a day for each of my replies. Waiting can be frustrating when you're trying to get back on the road.

If you also have a Ford product, you should be able to identify the solution from my replies in this question. The clinker is by the later '90s, the engineers at Ford figured out they had made the system much too easy to diagnose, so they added a metal cover over the back of the generator to cover the "Ground here to test" terminal.

You can go here:

https://www.2carpros.com/questions/new

to start your new question. Please be sure to list the engine size, transmission type, and mileage. We need that to look up the correct drawings and diagrams, and to make judgement calls as to best suspects. Also, with truck models, we often run into huge differences between sizes such as F-150, F-250, etc. Please add a note if that applies so we look things up correctly the first time. It can take some time to add arrows and notes to diagrams, and then to format them into a form that can be uploaded. Your patience is appreciated.

I'll watch for your question, and will follow along if someone else answers first. There's a number of very qualified people here who will help you get this solved. They'll stick with you for days or weeks as long as progress is being made.
Dec 16, 2022 at 2:49 PM