Voltage regulator

Tiny
THUNDER DAVIS
  • MEMBER
  • 1990 DODGE TRUCK
  • 3.6L
  • 6 CYL
  • 2WD
  • MANUAL
  • 105,000 MILES
I have rebuilt my alternator once it's a Bosch 90 amp, but my battery won't hold a charge. I'm needing to know if it is my voltage regulator and if so where it would be located? Or could it be some other problem I may be over looking something else? Thanks for your time and help.
Friday, September 27th, 2019 AT 11:42 AM

4 Replies

Tiny
CARADIODOC
  • MECHANIC
  • 34,489 POSTS
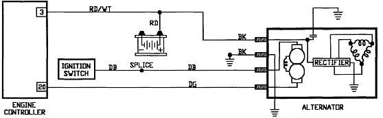
The voltage regulator is built into the Engine Computer. Failures do occur, but they're very uncommon. This entire system can be diagnosed with three voltage measurements. Start by measuring the battery's voltage with the engine running. It must be between 13.75 and 14.75 volts. If you find that, the charging system is working and we have to look for a drain on the battery or some other problem.

If the battery voltage stays at around 12.6 or less with the engine running, double-check that voltage at the large output terminal on the back of the alternator. The voltage there must always be the same as the battery voltage. If it is significantly different, there is a fuse link wire burned open. That will be spliced into that fat wire and will be close to the battery's positive terminal.

Next, measure the voltage on the two smaller terminals on the back of the alternator. This has to be done with the engine running. One of them is going to have full battery voltage, ... The same as you measured in the last step. The secret is what you find on the other terminal. You should find it is between roughly 4 - 11 volts. The lower that voltage is, the greater the difference is between the two terminals, and the stronger electromagnetic field is being developed. That results in higher output voltage and current.

If you find exactly the same voltage on both small terminals, there is a break in the circuit after that point. That includes the wire going to the voltage regulator, any connector terminals, and the regulator itself. We can do a little more testing to verify the alternator is okay.

If you find 0 volts on the second terminal, the internal brushes are open. 0 volts can also be caused by the wire going to the regulator is grounded, but then the alternator would be charging wide open and over-charging the battery. One common mistake when rebuilding some alternators is a thin wire or toothpick is needed to hold the brushes retracted until the assembly is installed over the slip rings, then that toothpick is pulled out to allow the spring-loaded brushes to drop into place. Sometimes people forget to pull out that toothpick.

Let me know what you find with those voltages, then we'll figure out where to go next.
Was this
answer
helpful?
Yes
No
Friday, September 27th, 2019 AT 2:03 PM
Tiny
THUNDER DAVIS
  • MEMBER
  • 4 POSTS
A little more input on my previous statements. When my engine is on the alternator doesn't kick on and off like it's supposed to. With a fresh battery I could maybe keep it on for about 20 miles before it drains completely.
Was this
answer
helpful?
Yes
No
Saturday, September 28th, 2019 AT 9:30 AM
Tiny
THUNDER DAVIS
  • MEMBER
  • 4 POSTS
I am in the process of doing the tests and will reply back with my results shortly. Thanks for the help.
Was this
answer
helpful?
Yes
No
Saturday, September 28th, 2019 AT 9:31 AM
Tiny
CARADIODOC
  • MECHANIC
  • 34,489 POSTS
The alternator doesn't turn on and off like an AC compressor clutch. It actually switches on and off 400 times per second, but the average "on-time" is varied by the voltage regulator to cause what we perceive as a smooth, gradual adjustment of field current to keep the system voltage at the desired voltage. You'll never see that change under normal operation.
Was this
answer
helpful?
Yes
No
Saturday, September 28th, 2019 AT 9:24 PM

Please login or register to post a reply.