Voltage regulator

Tiny
COREY H JENKINS
  • MEMBER
  • 1996 NISSAN 200SX
  • 1.6L
  • 4 CYL
  • 2WD
  • AUTOMATIC
  • 350,000 MILES
Alternator went bad. Changed it out. Turns out it was not the alternator but it was the voltage regulator which is internal. Thought it was the plugin for the voltage regulator so I changed it. Took car to AutoZone and had them test charging system and found out that the voltage regulator still not working. Changed alternator again and same thing. So I took a test light and checked the voltage regulator plugin. No power going to it. Can I straight wire the plugin with an inline fuse to make it work? And if so, what size fuse should I use? There is power on the battery wire that attaches to the back of alternator and the ground wire that attaches to the casing is good.
Help me please!
Also, is there a fuse for it somewhere? I looked in the fuse box under the dash and the two under the hood and did not see anything marked for it.
Wednesday, August 22nd, 2018 AT 4:37 PM

8 Replies

Tiny
JACOBANDNICKOLAS
  • MECHANIC
  • 110,192 POSTS
Hi and thanks for using 2CarPros. Com.

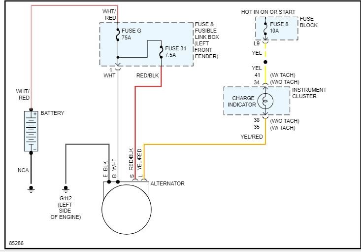
There is a fuse under the hood (left front fender) fuse number 31 and G. Take a look at the attached wiring schematic and let me know if it helps.

I will watch for your reply.

Take care,
Joe
Was this
answer
helpful?
Yes
No
Wednesday, August 22nd, 2018 AT 6:40 PM
Tiny
COREY H JENKINS
  • MEMBER
  • 80 POSTS
When you say left, do you mean the driver side or the passenger side?
Was this
answer
helpful?
Yes
No
Thursday, August 23rd, 2018 AT 4:21 PM
Tiny
COREY H JENKINS
  • MEMBER
  • 80 POSTS
Found both fuses. Checked them with a meter. Both good.
Was this
answer
helpful?
Yes
No
Thursday, August 23rd, 2018 AT 4:48 PM
Tiny
CARADIODOC
  • MECHANIC
  • 34,463 POSTS
I am here to save the day! First of all, it is good that you are using a test light instead of a voltmeter. For this type of tests, a voltmeter can give misleading results.

You already found 12 volts on the large output wire on the generator. Check for that on the smaller red wire in the plug too. It should be there all the time. That 12 volts comes through the 7.5 amp fuse, so if that is missing, look for a corroded connector terminal or a break in that wire.

Next, the yellow wire is the turn-on signal that tells the voltage regulator when to turn on and do its thing. That current comes through the warning light in the instrument cluster, so check if that bulb is working. If that bulb never lights up, check fuse 8, a 10-amp in the inside fuse box. Do not worry about the bulb itself. They almost always have a resistor in parallel with them to insure the regulator gets its start-up signal if the bulb has burned out.

The best way to test on the yellow wire is to back-probe it with the connector plugged in, but that is not always possible. If you were to use a voltmeter, expect to see around 2.0 volts with the ignition switch on. Ten volts is being dropped across the dash light so it is lit up, and that leaves that 2.0 volts you see at the plug. If you unplug the connector, and then measure on the yellow wire, you will find full battery voltage of 12.6 volts, and the bulb will be off.

If you do this with a test light with the connector unplugged, half of the battery voltage will be dropped across the dash light, and the other half will be dropped across the test light's bulb, so both will be dim.

If all these voltages are right, inspect the connector terminals to see if one is spread and not making good contact. With the engine running, often you will hear the engine load down a little and you will hear the generator start to labor if it starts working while you are wiggling the plug. You can also watch the brightness of the head lights change or you can use your voltmeter to measure battery voltage. When the system is working, battery voltage must be between 13.75 and 14.75 volts.

It is also part of the regulator's job to place full charging voltage back on the yellow wire when it sees the system is working properly. With, ... Lets say 14.2 volts on the yellow wire, and 14.2 volts at the battery, and therefore on the other side of the dash light, it has the same voltage on both sides so the dash bulb turns off.

I know you said you checked the ground, but to cover all the bases, some generators are mounted on rubber bushing to insulate them from engine vibration. Those need to have a large ground cable or braided ground strap connected between them and the engine. The cables often get removed for some other service, and then forgotten, and the braided cables often corrode and break.
Was this
answer
helpful?
Yes
No
Saturday, August 25th, 2018 AT 4:18 PM (Merged)
Tiny
COREY H JENKINS
  • MEMBER
  • 80 POSTS
Done all this and it checks out like you say it should. What should I look for next?
Was this
answer
helpful?
Yes
No
Monday, August 27th, 2018 AT 6:22 AM
Tiny
COREY H JENKINS
  • MEMBER
  • 80 POSTS
  • 1996 NISSAN 200SX
  • 1.6L
  • 4 CYL
  • 2WD
  • AUTOMATIC
  • 350,000 MILES
Been having voltage regulator problems. On the plugin to the alternator, the red wire has power at all times. The yellow wire is suppose to have power when engine is running but I do not. The short is behind the dash where the harness goes through the wall. To keep from pulling the dash apart, can I just cut the wire at the plugin and tie in to it and run it to the fuse box? I know it is not proper but pulling the dash really is not an option at this time. Also which fuse box should I run to, the one under the hood or the one behind the dash?
Help me.
Was this
answer
helpful?
Yes
No
Tuesday, August 28th, 2018 AT 3:35 PM (Merged)
Tiny
COREY H JENKINS
  • MEMBER
  • 80 POSTS
  • 1996 NISSAN 200SX
  • 1.6L
  • 4 CYL
  • 2WD
  • AUTOMATIC
  • 350,000 MILES
Voltage regulator wiring has a short behind the dash where it goes through the wall. The red wire on the plugin has power all the time. The yellow wire which is suppose to have power when it is running does not. Pulling apart the dash to get to the short is not an option. Can I splice the red wire and run it straight to the fuse box? If so, which one? Under the hood or under the dash? And which fuse slot would you recommend? I know that this is not the proper way to fix it, but like I said before tearing apart the dash is not an option at this time.
Please help me rig this.
Was this
answer
helpful?
Yes
No
Thursday, August 30th, 2018 AT 9:39 AM (Merged)
Tiny
CARADIODOC
  • MECHANIC
  • 34,463 POSTS
Hold on. You said the red wire has 12 volts all the time. Is that what you really mean or did you mean it is supposed to have 12 volts all the time, but it does not? It should have 12 volts all the time. If that red wire is shorted to ground, the 7.5-amp fuse would be blowing. Please be sure I'm clear as to what you have.

The yellow wire gets 12 volts put on it by the voltage regulator when the generator is working. The easiest way to tell if that wire is okay is the "Battery" warning light on the dash will light up when you turn on the ignition switch.
Was this
answer
helpful?
Yes
No
Thursday, August 30th, 2018 AT 9:39 AM (Merged)

Please login or register to post a reply.