Generator (GEN), Removing And Installing
CAUTION!
Before beginning repairs on the electrical system:
*Obtain the anti-theft radio security code.
*Switch the ignition off.
*Disconnect the battery Ground (GND) strap.
*After reconnecting battery, re-code and check operation of anti-theft radio.
Special tools, testers and auxiliary items needed

*VAG 1331 Torque wrench (or equivalent 5 - 50 Nm)

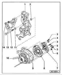
1 - Bracket
*Hex nut
*M8 x 85 mm
*30 Nm (22 ft. lb.)
3 - Screw
4 - Hex nut
*M8
5 - Hex nut
6 - Screw
7 - Voltage Regulator (VR)
*Carbon brushes, checking
8 - Protective cap
9 - Generator (GEN)
*Securing B1+ wire to generator
10 - Ribbed belt
11 - Washer
12 - Hex bolt
*M8 x 85 mm
*25 Nm (18 ft. lb.)
*Remove viscous fan to access bolt.
13 - Tensioning - roller
14 - Hex socket bolt
*M8 x 85 mm
*25 Nm (18 ft. lb.)
https://www.2carpros.com/kpages/auto_repair_manuals_alldata.htm
Saturday, August 21st, 2010 AT 3:26 AM