Hi 12voltinstalls, Welcome to 2carpros and TY for the donation this is what keeps the site going
Do you hear the fuel pump come on when you turn key to run? If so check the fuel pressure

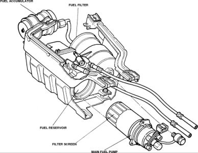
The Main Fuel Pump is mounted next to the fuel filter, the fuel accumulator and the fuel reservoir as they all use the same mounting bracket, these components are located under the rear of the vehicle. The Fuel Pump supplies a high rate of fuel to the fuel injection system. Operation of the pump is controlled by the fuel pump relay. The relay energizes the Fuel Pump briefly (approx. 1.5 sec.) when the ignition switch is turned "ON", as well as energizing the pump during cranking (starting). The fuel pump relay will keep the Fuel Pump energized as long as the engine is running. The CIS-E Motronic fuel injection control unit uses an engine speed signal from the ignition system as an input for fuel pump control and will stop the Fuel Pump if the engine is not running. In order to maintain the pressure in the fuel system under all possible operating conditions, the pump supplies substantially more fuel than the engine needs at maximum engine loads
The Fuel Pump is a roller-cell pump consisting of a cylindrical hollow chamber in which an eccentric rotor plate rotates. This rotor plate is fitted with metal rollers that are held in pocket-shaped recesses around the circumference. When the rotor plate rotates the rollers are pressed outwards by centrifugal force and act as a circulating seal. The pumping action is created by the circulating roller seals which draw fuel from the inlet port and then forces fuel through the outlet port. There is also an internal pressure regulator to prevent overpressure if there is blockage in the pump outlet or fuel supply line. A non-return check valve at the pump outlet prevents fuel from flowing back to the tank when the pump stops, as well as maintaining fuel pressure in the fuel lines which helps hot restarts.
Saturday, September 18th, 2010 AT 3:47 AM