Sunday, April 12th, 2009 AT 8:24 PM
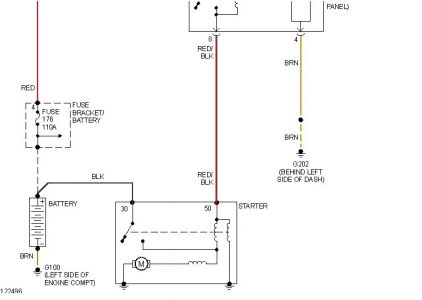
My 1999 Jetta will not start. I had the serpentine belt replaced on Sat. On Sunday AM I got in it to go to church and got nothing. The radio, headlamp and dash lights work. The interior light and electric windows do not. The battery was removed and tested at autozone. The battery is good. I cleaned terminals when I put battery back in. Still nothing. Not even a click. I also noticed that when I lock the car, the light does not blink that shows the cars security system is armed. I am at my wits end and appreciate any ideas. Thanks



