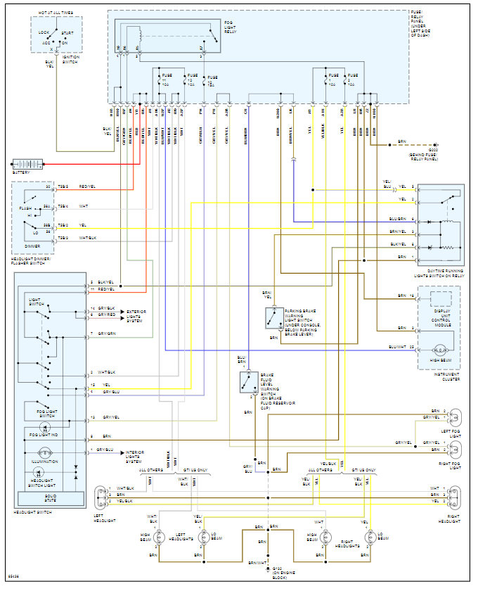
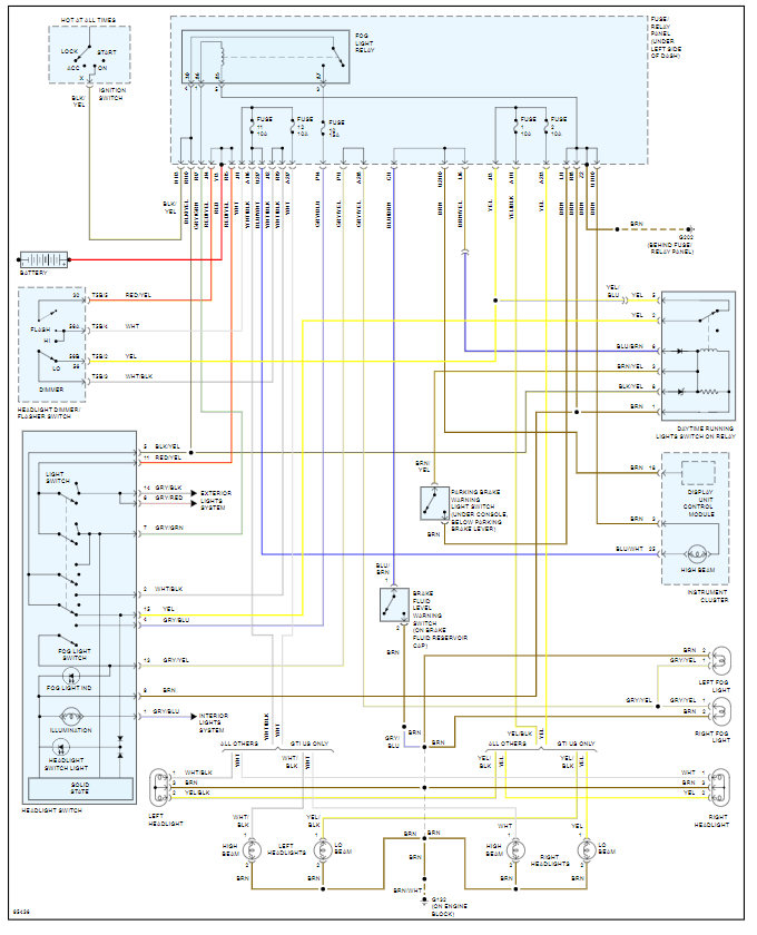
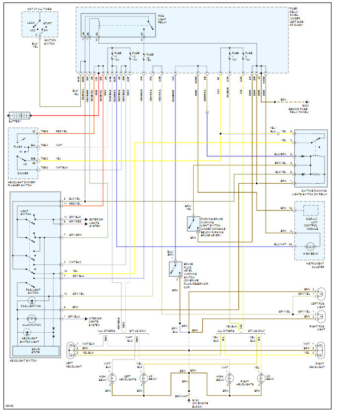
Saturday, July 31st, 2010 AT 5:49 AM
My car runs, the interior lights, both overhead and the dashboard, come on. The switch to turn my headlights on light's up when I switch them to on, but I get no lights coming from the headlights. Checked the bulbs, seem intact. Checked the relevant fuses, they're fine. Thoughts?




