Hello,
Here is the info on the fuse box identification and location.

FUSE IDENTIFICATION
NOTE: Fuse identification for options not listed can be found in appropriate wiring diagrams. For fuse number location, see Fig. 1 .
Fuse 1 - 10-Amp (Red) Headlight, low beam, left
Fuse 2 - 10-Amp (Red) Headlight, low beam, right
Fuse 3 - 10-Amp (Red) License plate lights
Fuse 4 - 15-Amp (Blue) Rear window wiper and washer system
Fuse 5 - 15-Amp (Blue) Windshield wiper/washer
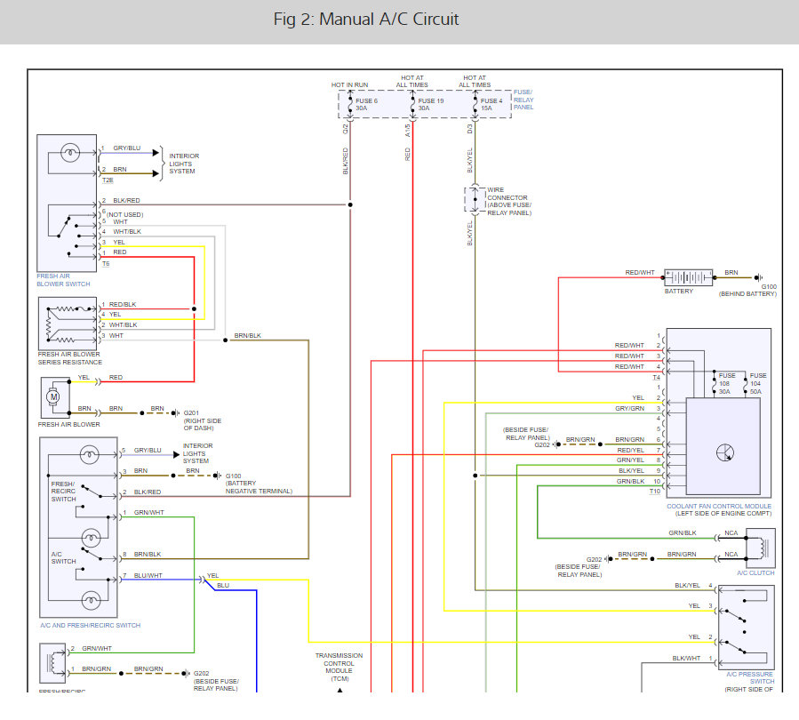
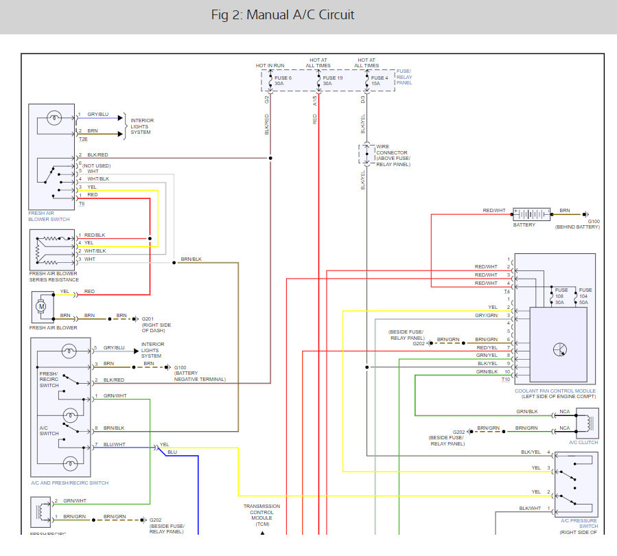
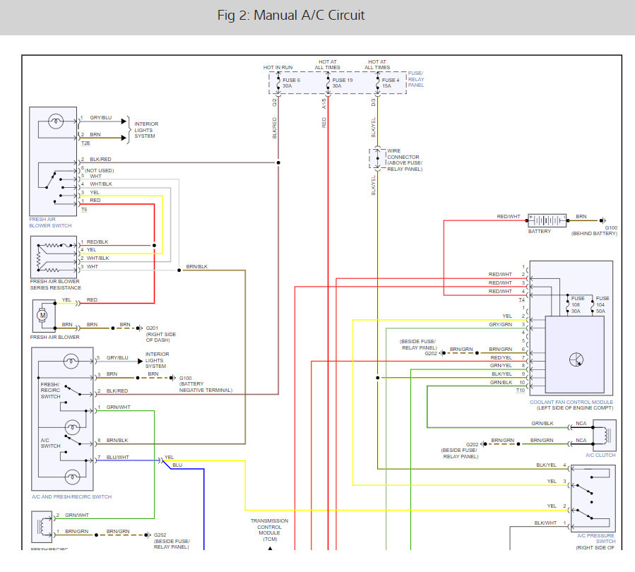
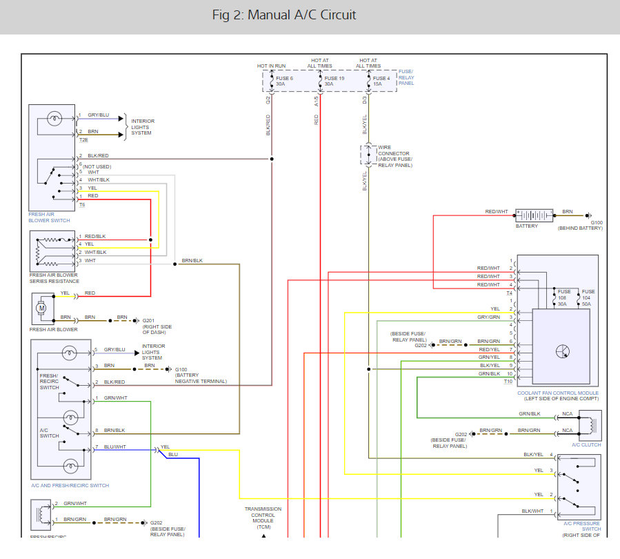
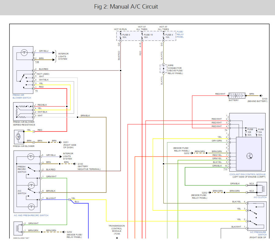
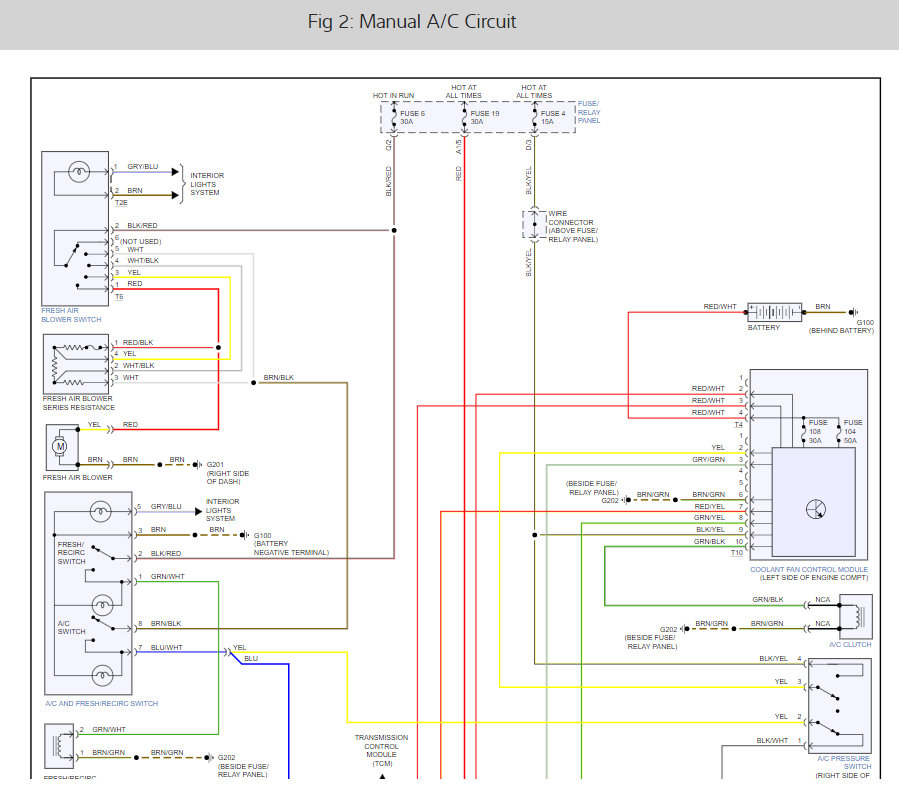
Fuse 6 - 20-Amp (Yellow) Fresh air blower, A/C
Fuse 7 - 10-Amp (Red) Tail lights, right
Fuse 8 - 10-Amp (Red) Tail lights, left
Fuse 9 - 15-Amp (Blue) Rear window defogger
Fuse 10 - 15-Amp (Blue) Fog lights
Fuse 11 - 10-Amp (Red) Headlight, high beam, left
Fuse 12 - 10-Amp (Red) Headlight, high beam, right
Fuse 13 - 10-Amp (Red) Horn
Fuse 14 - 10-Amp (Red) Back-up lights
Fuse 15 - 10-Amp (Red) Engine electronics
Fuse 16 - 15-Amp (Blue) Power sunroof, front map/reading light
Fuse 17 - 10-Amp (Red) Emergency flashers
Fuse 18 - 20-Amp (Yellow) Fuel pump (FP), heated oxygen sensor (HO2S) control module
Fuse 19 - 30-Amp (Green) Coolant fan, A/C relay
Fuse 20 - 10-Amp (Red) Brake lights
Fuse 21 - 15-Amp (Blue) Interior lights, clock, luggage compartment light
Fuse 22 - 10-Amp (Red) Cigarette lighter, radio, luggage compartment release
RELAY IDENTIFICATION
NOTE: For relay number location, see Fig. 1 . Relays 1-12 are located on the fuse/relay panel. Relays 13-24 are located on a relay panel above the fuse/relay panel.
Relay 1 - A/C relay
Relay 2 - Rear window wiper/washer relay
Relay 3 - Engine control module (ECM) power supply relay
Relay 4 - Load reduction relay
Relay 5 - open
Relay 6 - Emergency flasher relay
Relay 7 - open
Relay 8 - Washer/wiper intermittent relay
Relay 9 - Seat belt warning system relay
Relay 10 - Fog light relay
Relay 11 - Dual-horn relay or bridge for horn
Relay 12 - Fuel pump relay or glow plug relay
NOTE: Relays 13-24 are located on a relay panel above the fuse/relay panel. See Fig. 1 .
Relay 13 - Heated oxygen sensor (HO2S) control module
Relay 14 - Park/Neutral position relay
Relay 15 - Open
Relay 16 - Open
Relay 17 - Open
Relay 18 - Open
Relay 19 - Open
Relay 20 - Open
Relay 21 - Open
Relay 22 - Open
Relay 23 - Open
Relay 24 - Open
Please let us know happens so it will help others.
Thursday, August 20th, 2009 AT 9:38 PM