1971 Volkswagen Beetle turn signals

Tiny
JAYCH8151
  • MEMBER
  • 1971 VOLKSWAGEN BEETLE
  • 4 CYL
  • 2WD
  • MANUAL
  • 100,000 MILES
I am having trouble getting my turn signals to work on my 1971 vw super bettle. I believe that it is a wiring issue. I have replaced all fuses and bulbs. Can you explain the wiring from the front turn signal lamp please?
Sunday, February 8th, 2009 AT 5:10 PM

4 Replies

Tiny
BLUELIGHTNIN6
  • MECHANIC
  • 16,542 POSTS


https://www.2carpros.com/forum/automotive_pictures/261618_0900c1528007ab28_1.jpg



If is too small of picture give me your email addy and I will email to you so you can make it larger.

Have you inspected turn signal flasher? Located in front seating area, driver side, under dash, above kick panel, mounted on firewall..

Thanks for using 2CarPros.com!
Was this
answer
helpful?
Yes
No
Sunday, February 8th, 2009 AT 5:22 PM
Tiny
KARENCAREN
  • MEMBER
  • 72 POSTS
Hey dude. Can you email it to me. Karencaren@bigstring. Com. I need to compile some wiring manuals so I can start making some progress about maintenance knowledge.
Was this
answer
helpful?
Yes
No
Monday, February 9th, 2009 AT 7:50 PM
Tiny
BLUELIGHTNIN6
  • MECHANIC
  • 16,542 POSTS
Message was sent. Let me know if you need further assistance.

Thanks for using 2CarPros. Com!
Was this
answer
helpful?
Yes
No
-2
Tuesday, February 10th, 2009 AT 12:14 AM
Tiny
BORIS K
  • MECHANIC
  • 836 POSTS
Hello,

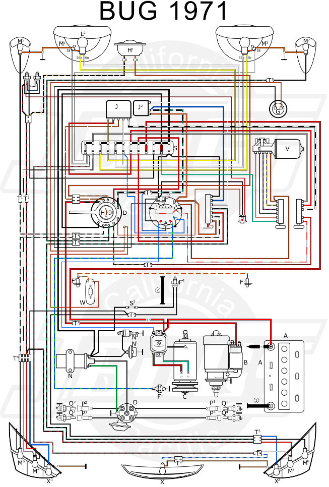
Please see the image below.

VW 1500 Sedan and Convertible Wiring Key
E Windshield Wiper Switch
G Turn Signal and Headlight Dimmer Switch
H1Horn ButtonH2Steering Column Connection
J1Turn Signal and Emergency Flasher Relay
J2Dimmer Relay
J3Brake Light Switch
K1High Beam Warning Light
K2Generator Warning Light
K3Turn Signal Warning Light
K4Oil Pressure Warning Light
K5Speedometer Light
O1Automatic Choke
O2Electro-magnetic Pilot Jet
P1Plug Connector, #1 Cylinder
P2Plug Connector, #2 Cylinder
P3Plug Connector, #3 Cylinder
P4Plug Connector, #4 Cylinder
T Cable Adapter
T1Cable Connector, Single
T2Cable Connector for Horn under front luggage compartment lining
T3Cable Connector Triple
X1Brake and Taillight
X2Brake and Taillight
X3Turn Signal light
X4Turn Signal light
2Horn ring to steering coupling ground connection
4Wiper motor to body ground strap

Hope this helps.

Cheers, Boris
Was this
answer
helpful?
Yes
No
Monday, August 8th, 2022 AT 4:24 AM

Please login or register to post a reply.