VID not working

Tiny
PBHATT
  • MEMBER
  • 2011 NISSAN ALTIMA
  • 2.5L
  • 4 CYL
  • 2WD
  • AUTOMATIC
  • 100,000 MILES
I was driving and out of nowhere the vehicle information display started fading. It has been 4 days and now you can't see anything. You can see the text but barely meaning it is really dim. The backlight is on but the texts are dim.
Thursday, December 23rd, 2021 AT 1:38 PM

1 Reply

Tiny
KASEKENNY
  • MECHANIC
  • 18,907 POSTS
This could be a fuse for the cluster but normally there would be other parts of it that would not be working either. However, since you said it started to fade and it is just dim and not completely blank, then that is the circuit board of the cluster itself.

The only other thing it could be is high resistance in the wiring from the fuse to the cluster but again, this would affect more than just the display.

So, if you want to check the resistance in the wiring then you can do that.

https://www.2carpros.com/articles/how-to-use-a-voltmeter

If it were me, I would start sourcing another cluster as I suspect that is what it is going to need.

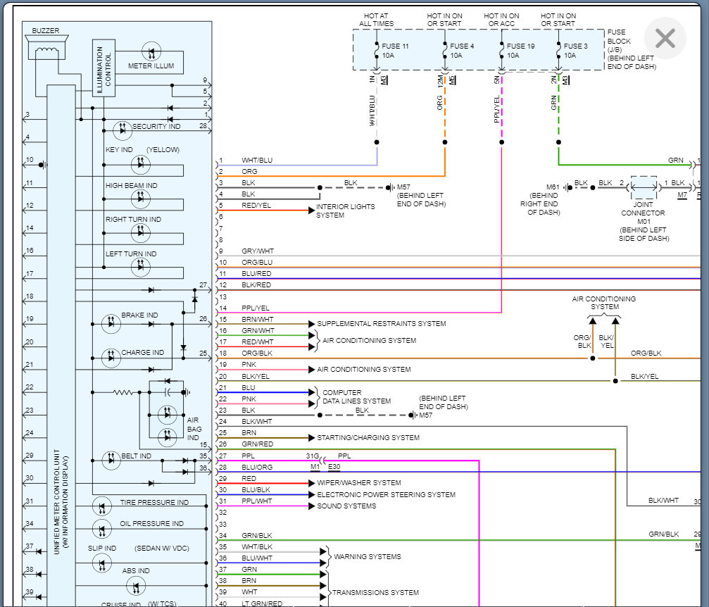
See the wiring diagram below that will show the display is integral to the cluster.

Let me know what questions you have.

Thanks
Was this
answer
helpful?
Yes
No
Friday, December 24th, 2021 AT 5:22 PM

Please login or register to post a reply.