Vehicle has no forward movement when shifted into gear

Tiny
SEKJR
  • MEMBER
  • 1986 NISSAN TRUCK
  • 6 CYL
  • 4WD
  • MANUAL
  • 132,000 MILES
This happened all of a sudden not gradually.

Clutch pedal down, shift into any gear.
Clutch pedal up, try shifting into any gear, gears grind.
Clutch pedal down, shift In gear, clutch pedal up, no movement.

Truck doesn't move.
No noises.
Runs great but - won't go!

Appears something snapped?
Thursday, December 17th, 2020 AT 11:52 AM

10 Replies

Tiny
JACOBANDNICKOLAS
  • MECHANIC
  • 110,192 POSTS
Hi,

The idea that it grinds with the clutch out, tells me the input shaft is turning as it should. However, if nothing is happening when you release it in gear indicates something (like you said) has broken after that point. Don't laugh, but did you confirm the driveshafts are attached? Will it move if you place it in 4wd?

Do me a favor, crawl under the vehicle, and check the driveshaft. Since it isn't making any noise, check at the transfer case.

I attached a pic of a driveshaft so you know what to look for.

If everything is attached, the transmission and transfer case need to be removed and inspected. If I had to guess, I suspect there is an issue after the transmission, likely the transfer case.

Let me know.

Joe
Was this
answer
helpful?
Yes
No
+1
Thursday, December 17th, 2020 AT 9:31 PM
Tiny
SEKJR
  • MEMBER
  • 8 POSTS
Thank you so much not only for your quick reply, but for replying at all!

The 1st thing I did was check the driveshaft. I thought a universal broke, but this morning I went out thinking the 4 wheel drive lever was in neutral (which it wasn't) and I tried it in different positions, no luck. Then just for snickers, with the clutch engaged I was able to shift into any gear without effort! Without grinding any gears!

What the heck?

.
Was this
answer
helpful?
Yes
No
Friday, December 18th, 2020 AT 9:17 AM
Tiny
JACOBANDNICKOLAS
  • MECHANIC
  • 110,192 POSTS
Hi,

Is it working now? With the clutch in you said it shifts without effort and no grinding. Are you able to drive it or is it still doing the same thing?

Let me know.
Joe
Was this
answer
helpful?
Yes
No
-1
Friday, December 18th, 2020 AT 10:35 PM
Tiny
SEKJR
  • MEMBER
  • 8 POSTS
". With the clutch engaged I was able to shift into any gear without effort! Without grinding any gears!"

I said with the clutch engaged! Engaged!

Connected! I don't know how else to say it.

Clutch pedal up in the air - not down to the floor!
Was this
answer
helpful?
Yes
No
Saturday, December 19th, 2020 AT 10:01 AM
Tiny
SEKJR
  • MEMBER
  • 8 POSTS
And still not moving.
Was this
answer
helpful?
Yes
No
Saturday, December 19th, 2020 AT 10:01 AM
Tiny
JACOBANDNICKOLAS
  • MECHANIC
  • 110,192 POSTS
Hi,

When you were saying engaged, I'm thinking the pedal is on the floor engaging the pressure plate and releasing the disc.

If you can shift through all the gears with the engine running and without grinding, the transmission needs removed. I suspect the input shaft is broken and there is no longer a connection between the engine and transmission.

I attached a pic below showing an exploded view of the trans. I highlighted the main shaft. If the transmission feels like it is shifting normally and it's not moving, something has come apart somewhere on that shaft. Without it connected, the vehicle won't move unless the clutch is no longer functional. However, that would prevent you from shifting when it's running.

Do me a favor if possible. Put the vehicle in 2wd and safely lift the rear wheels from the ground. See if the wheels turn at all when in gear.

Let me know.
Joe
Was this
answer
helpful?
Yes
No
Saturday, December 19th, 2020 AT 3:05 PM
Tiny
SEKJR
  • MEMBER
  • 8 POSTS
I lifted one rear wheel. With the transmission in gear, I rotated the tire.
The driveshaft turned.

I started the engine, and put in gears 2 and 4wheel drive.

The rear tire did not rotate.
Was this
answer
helpful?
Yes
No
Monday, December 21st, 2020 AT 11:54 AM
Tiny
JACOBANDNICKOLAS
  • MECHANIC
  • 110,192 POSTS
Hi,

The transmission needs to be removed and inspected. I have a feeling the input shaft is broken. Since it's not even turning in 4wd (front or rear) there has to be a disconnection. The only other thing I can think of is if the shifter is not properly installed and is stuck in neutral (trans or transfer case)

Here are the directions for removal. This is what I would do, but that is your call. The attached pics correlate with the directions.

_______________________

1986 Nissan-Datsun Truck D21 Hardbody 4WD V6-2960cc 3.0L SOHC (VG30i)
Transmission Removal
Vehicle Transmission and Drivetrain Manual Transmission/Transaxle Service and Repair Procedures Transmission Removal
TRANSMISSION REMOVAL
WARNING Do not remove transmission/transfer case without Special Tool #GP8600 (available through a dealership) or equivalent. Use a transmission jack with at least 500 lb. Capacity. Transmission/transfer case assembly weighs approximately 300 lbs. Use extreme caution when handling.

FIGURE 1

NOTE: All bolt specifications shown are socket/wrench size.

1. Disconnect the battery cables (negative cable first).
2. Raise the vehicle on a frame type hoist.
3. Drain the oil from the transmission.
4. Place match marks on the rear propeller shaft/rear axle flanges (Figure 1).
5. Mark both front propeller shaft flanges (at front axle and transfer case) (Figure 1).
6. Remove the four (17 mm) nuts and bolts between the rear propeller shaft and rear axle (breaker bar or impact wrench required) (Figure 1).

FIGURE 2

7. THIS STEP IS FOR LONG WHEELBASE VEHICLES ONLY. Remove the two propeller shaft center bearing bracket bolts (17 mm) (Figure 2).

FIGURE 3

8. Remove the rear propeller shaft from the vehicle. Plug the transfer case with a rag to avoid oil loss.
9. Loosen (do not remove) both torsion bar adjusting bolts (19 mm) (Figure 3).

FIGURE 4

10. Remove the front torsion bar mounts (two 14 mm and one 19 mm nut per side) (Figure 4). Remove the two 10 mm vent line screws in cross member.

FIGURE 5

11. Remove the two bolts (17 mm) on each side of torsion bar cross member (Figure 5).
12. Remove the cross member and torsion bars as a unit.

FIGURE 6

13. Remove the exhaust system as follows:

a. Disconnect front tubes A and B from each exhaust manifold (3 [17 mm] nuts on each side) (Nuts A in Figure 6).
A. Disconnect front tube B from tube A (2 [17 mm] bolts) (Bolts B in Figure 6).
A. Remove the two bolts (17 mm) between front tube A and front tube C (Bolts C in Figure 6).
A. Remove front tubes A and B from the vehicle (Figure 6).
14. Remove exhaust bracket from transfer case (two 12 mm bolts).

FIGURE 7

15. Remove the four bolts (14 mm) from both front propeller shaft flanges (Figure 7).
16. Remove the front propeller shaft from the vehicle.

FIGURE 8

17. Remove the speedometer cable and vent tube from the transfer case. Disconnect the neutral switch and 4WD switch harness connectors from the main harness (Figure 8).

FIGURE 9

18. Remove the transfer control lever from the transfer outer shift lever (Figure 9).

FIGURE 10

19. Disconnect the transfer case linkage assembly (two 12 mm bolts on each bracket) from the transmission (Figure 10).

FIGURE 11

20. Using an open end wrench, remove the two (13 mm) and two (12 mm) bolts from the shifter control housing (Figure 11). Loosen the control housing from the transmission.
21. Disconnect the neutral switch and reverse lamp switch harness connectors from the transmission (Figure 11).

FIGURE 12

22. Remove the clutch operating cylinder (two 14 mm bolts) (Figure 12).
23. Remove the starter (two 14 mm bolts).
24. Remove the front under guard (six 10 mm bolts and two plastic rivets).
25. Remove the O2 sensor harness from clips on transmission.
26. Disconnect the vent tube from the transmission.
27. Support the transfer case tail shaft with a transmission jack.

FIGURE 13

28. Remove the transfer case under guard (two 12 mm and two 14 mm bolts).
29. Remove the two bolts (17 mm) between transmission mount and transmission (Bolts A in Figure 13).
30. Remove the four bolts (17 mm) between the transmission cross member and vehicle frame (Bolts B in Figure 13).

FIGURE 14

31. Remove the two lower bolts at the rear of the transfer case (Figure 14).

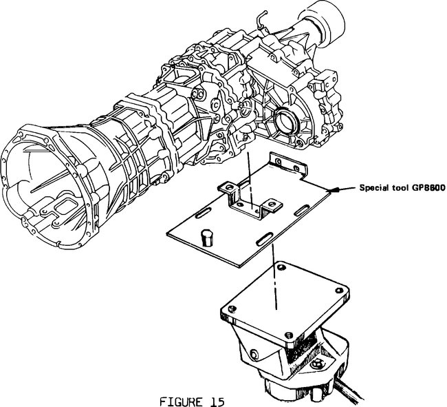
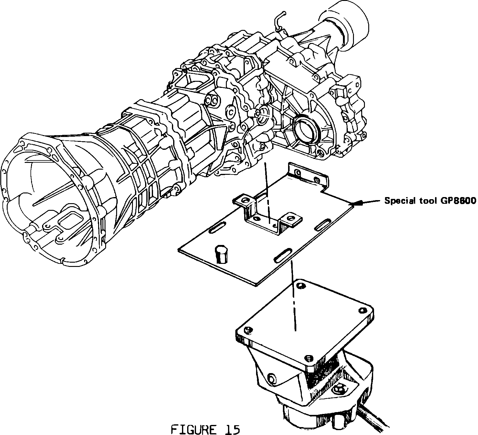
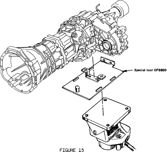
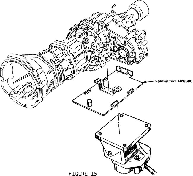
FIGURE 15

32. Mount the transmission/transfer case jack adaptor (Special Tool # GP8600) to a transmission jack using shop bolts.
33. Raise the transmission jack and mount the jack adaptor to the transmission/transfer case (two bolts at cross member mount and two bolts at rear of transfer case) (Figure 15).

FIGURE 16

34. Remove the tall jack stand under the tail shaft.
35. Remove the four front mounted bell housing bolts (14 mm) (Figure 16).
36. Support the engine with a jack stand under the oil pan. Use a block of wood as a spacer between jack and oil pan.
37. Remove the remaining five bell housing bolts.
38. Move the transmission/transfer case rearward and lower from vehicle.

WARNING: Transmission/transfer case assembly weighs approximately 300 lbs. Use extreme caution when handling.

FIGURE 17

39. Remove the transfer case from the transmission (thirteen 14 mm bolts) (Figure 17).

__________________________________________

Let me know your thoughts. The only thing that has me questioning broken parts is there is no noise.

Let me know.
Joe
Was this
answer
helpful?
Yes
No
Monday, December 21st, 2020 AT 8:36 PM
Tiny
SEKJR
  • MEMBER
  • 8 POSTS
Thanks for the exhaustive effort but - I don't think I'm going to attack this until the summer.
Was this
answer
helpful?
Yes
No
Tuesday, December 22nd, 2020 AT 6:11 AM
Tiny
JACOBANDNICKOLAS
  • MECHANIC
  • 110,192 POSTS
Hi,

I totally understand. And you are welcome. If you remember and have a chance, let me know how things turn out for you when you do it.

Take care and Merry Christmas,

Joe
Was this
answer
helpful?
Yes
No
Tuesday, December 22nd, 2020 AT 8:49 PM

Please login or register to post a reply.