No acceleration limp mode?

Tiny
MAD
  • MEMBER
  • 2004 VAUXHALL ZAFIRA
When I press the accelerator pedal there is no reaction. The car will move, but very slowly even when my foot is flat to the floor. The rev counter barely moves at all. What is wrong?
Tuesday, January 1st, 2008 AT 10:55 AM

17 Replies

Tiny
DAVE H
  • MECHANIC
  • 13,384 POSTS
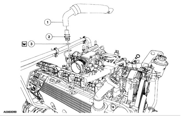
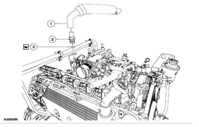
The vehicle is in limp home mode, here is how you can fix the problem by following these guides It probably needs a throttle bore service.

https://www.2carpros.com/articles/reduced-power-limp-mode

and

https://www.2carpros.com/articles/throttle-actuator-service

Please run down these guides and report back.
Was this
answer
helpful?
Yes
No
Friday, January 30th, 2009 AT 7:44 PM
Tiny
TMAJKA
  • MEMBER
  • 1 POST
Thank you for this post I had this problem and had to service the throttle bore all fixed :0)
Was this
answer
helpful?
Yes
No
+1
Saturday, August 17th, 2019 AT 2:33 PM
Tiny
BILLY31
  • MEMBER
  • 2 POSTS
  • 2004 VAUXHALL ZAFIRA
  • 70,000 MILES
2.0 diesel wont rev past 2500rpm and max speed 69mph no smoke runs fine just no power slow on take off and preforms as if a restrictor is in place
Was this
answer
helpful?
Yes
No
+1
Saturday, August 17th, 2019 AT 2:34 PM (Merged)
Tiny
KHLOW2008
  • MECHANIC
  • 41,814 POSTS
Any trouble codes or dash lights indicating?
Any repairs carried prior to this?

Could be a throttle faults, restricted exhaust system or air intake.
Was this
answer
helpful?
Yes
No
Saturday, August 17th, 2019 AT 2:34 PM (Merged)
Tiny
BILLY31
  • MEMBER
  • 2 POSTS
No trouble codes or any dash lights no repairs as yet
Was this
answer
helpful?
Yes
No
Saturday, August 17th, 2019 AT 2:34 PM (Merged)
Tiny
KHLOW2008
  • MECHANIC
  • 41,814 POSTS
Start by checking the basics, fuel filter, air filter and exhaust blockage.
Was this
answer
helpful?
Yes
No
Saturday, August 17th, 2019 AT 2:34 PM (Merged)
Tiny
EDCOOMBS
  • MEMBER
  • 1 POST
Hi,
Might well be worth checking the exhaust manifold switchover valve vacuum pipe. The switchover solenoid valve sits in front of the egr valve to the far right of the engine bay. It has a (usually) white plastic pipe which runs to switchover valve at the right of the inlet manifold. If split or holed it will prevent the manifold switching to the longer manifold length and restrict your rpm and power as per your problem.
Hope this helps,
Ed
Was this
answer
helpful?
Yes
No
Saturday, August 17th, 2019 AT 2:34 PM (Merged)
Tiny
JDUSTY964
  • MEMBER
  • 1 POST
  • 2005 VAUXHALL ZAFIRA
Engine Performance problem
2005 Vauxhall Zafira Two Wheel Drive Manual 55000 miles

My engine is a 2.0 DTI, earlier I stopped for some lights but when I went to pull off again the engine warning light came on and the car would not rev above 1800, this was accompanied by the fact that the car would not speed up to anything over 30 mph.

Having left the car for about 15mins I returned to try and see what power the car had. At first it was sluggish and then what sounded a bit like an injector/turbo kicked in and allowed the revs up a bit.

Though light is still on and car is still very sluggish. Not wanting to drive it until I know roughly what the problem is before trying to get it into a garage.

Any Ideas anyone?
Was this
answer
helpful?
Yes
No
Saturday, August 17th, 2019 AT 2:34 PM (Merged)
Tiny
2CARPRO JACK
  • MECHANIC
  • 11,533 POSTS
Far toomany things could cause that to guess. Need to have the computer scanned to see what the code is (engine light). This will most likely lead to the fix for your vehicle. With computer controls, one thing can affect other items, that is why guess work is far too difficult and the on-board diagnostics are there for
Was this
answer
helpful?
Yes
No
Saturday, August 17th, 2019 AT 2:34 PM (Merged)
Tiny
WELSHTONY
  • MEMBER
  • 1 POST
  • 2003 VAUXHALL ZAFIRA
Engine Mechanical problem
2003 Vauxhall Zafira 4 cyl Front Wheel Drive Manual 97OOO miles

during the recent bad snow my car has giving me problems on 2 occasions when trying to get home. The problem being the air intake which points directly forward just to the right of the vauxhall badge in the grill sucking in snow which is building up in the filter box which in turn is thawing and impregnating the element, what seems to be happening is the water is then passing through the element and being inducted. Which is causing the engine to missfire, wont tick over, lack of power and will not respond to the throttle. Once the element is removed and dried and the box dried out the car drives as normal. Is there any mod that can be done to the air intake and as anyone else had the same problem. The car has never given me a problem either before or after these 2 occasions and only when ive been driving home in heavy snow
Was this
answer
helpful?
Yes
No
Saturday, August 17th, 2019 AT 2:34 PM (Merged)
Tiny
DAVE H
  • MECHANIC
  • 13,384 POSTS
Have a cover fitted to the grill in extreme weather conditions to keep air intake clear. The engine will still get the air it needs !
Was this
answer
helpful?
Yes
No
Saturday, August 17th, 2019 AT 2:34 PM (Merged)
Tiny
COLIN BRIGHT
  • MEMBER
  • 1 POST
  • 2003 VAUXHALL ZAFIRA
  • 4 CYL
  • 2WD
  • MANUAL
  • 102,000 MILES
Hi I have got a 2.0tdi zafia and I have got me engain light come on and out and I loss all power so can you tell me what it may been so I can go and get it done thank you
Was this
answer
helpful?
Yes
No
Saturday, August 17th, 2019 AT 2:34 PM (Merged)
Tiny
DAVE H
  • MECHANIC
  • 13,384 POSTS
Have the vehilce plugged into a diagnostic computer to locate the exact cause of the fault. It could be numerous things. Bad plug/coil/injector/sensor !
Was this
answer
helpful?
Yes
No
Saturday, August 17th, 2019 AT 2:34 PM (Merged)
Tiny
ELLIOTT31
  • MEMBER
  • 1 POST
  • 2000 VAUXHALL ZAFIRA
  • 130,000 MILES
On two ocassions on I have been traveling at around 30mph in 3rd gear and the car will rev loud and seem to lose power it slows to 20mph when I drop a gear it sorts this out but im worried and dont want to take the car on the motorway I think it could be sparks whats your opinion would cleaning out the system solve this with the stuff u put in fuel tank. Its a 1.6 and I have had it a few months.
Was this
answer
helpful?
Yes
No
Saturday, August 17th, 2019 AT 2:34 PM (Merged)
Tiny
HMAC300
  • MECHANIC
  • 48,601 POSTS
Scan for codes and check fuel pressure first. Clean throttle plate on both sides with choke cleaner and iac hole. We have no info for this so can't give specs. The only injector cleaner that works is the professional type that is put in system with special tools.
Was this
answer
helpful?
Yes
No
Saturday, August 17th, 2019 AT 2:34 PM (Merged)
Tiny
LYNN POCOCK
  • MEMBER
  • 1 POST
  • 1998 VAUXHALL ZAFIRA
  • 6 CYL
  • 2WD
  • MANUAL
  • 82,000 MILES
When I have been travelling about 60 miles at a steady speed on the motorway, the car will begin to lose power.
If I release the gear and coast a bit then re engage the gear it will return to proper power. If I stop it will not lose power again for about 20 miles but then it will do it every mile or so. I can drive miles on ordinary roads and this doesn't happen.
Any thoughts?
Was this
answer
helpful?
Yes
No
+1
Saturday, August 17th, 2019 AT 2:34 PM (Merged)
Tiny
DAVE H
  • MECHANIC
  • 13,384 POSTS
Start by having the vehicle plugged into a diagnostic computer to check for any fault codes stored on cars computer ! Repost with codes for more assistance
Was this
answer
helpful?
Yes
No
Saturday, August 17th, 2019 AT 2:34 PM (Merged)

Please login or register to post a reply.