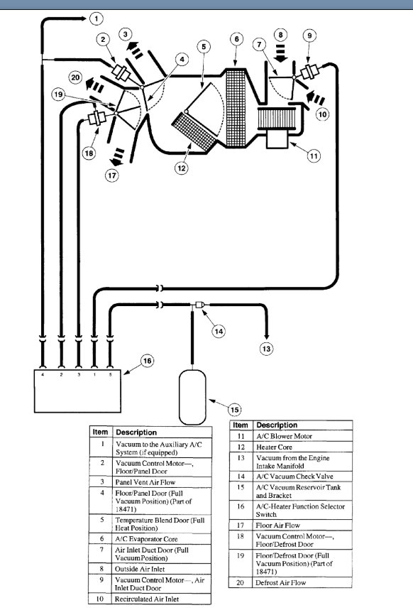
Vacuum check valve location

Tiny
RON KAZ
  • MEMBER
  • 1999 FORD E-SERIES VAN
  • 4.6L
  • V8
  • 2WD
  • AUTOMATIC
  • 168,000 MILES
Can you tell/show me where the vacuum check valve is for vent and defrost? Thank you
Tuesday, September 4th, 2018 AT 7:23 PM

1 Reply

Tiny
KEN L
  • MASTER CERTIFIED MECHANIC
  • 55,046 POSTS
Hello,

The vacuum check valve is right off of the engine intake manifold. Here is a diagram to show you how the system works and where the check valve is. Check out the diagrams (below). Please let us know if you need anything else to get the problem fixed. Cheers, Ken
Was this
answer
helpful?
Yes
No
Thursday, September 6th, 2018 AT 10:36 AM

Please login or register to post a reply.