Valve cover gasket replacement?

Tiny
ROBBIE SCHAFER FUCHS
  • MEMBER
  • 2006 KIA RIO
  • 1.6L
  • 4 CYL
  • 2WD
  • MANUAL
  • 232,550 MILES
There is oil in my sparks, and I bought the new gasket set for it but am not sure if I should replace all the coil on boots and plugs along with it. Also, I'm not sure how to clean the oil out of the sparks. Any suggestions?
Saturday, August 3rd, 2024 AT 7:43 PM

1 Reply

Tiny
JACOBANDNICKOLAS
  • MECHANIC
  • 110,194 POSTS
Hi,

If there is excessive oil in the tubes where the spark plugs are located, I often cover the opening (before removing the spark plug) with a shop rag and then blow compressed air into the tube. The rag catches most of the oil.

As far as the coil, boots, and spark plugs, that is as needed. If there isn't a misfire, chances are they are all good. I don't know how old the plugs are. Just make sure when you put it back together to clean all the oil from the boots on the coils. I recommend putting some dielectric grease inside the spark plug boot. That helps prevent contamination and maintains a better connection. Plus, it will make it easier the next time you have to remove them.

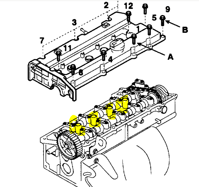
I attached a couple pics below explaining how to tighten the cover once you are reinstalling it. Follow the torque sequence and tightness.

If you want, take a few pics of what you are dealing with so I can see it. Or, let me know if I can help.

Take care,

joe

See pics below. Note: In picture 2, I highlighted the spark plug tubes.
Was this
answer
helpful?
Yes
No
Saturday, August 3rd, 2024 AT 8:26 PM

Please login or register to post a reply.