Engine vacuum diagrams

Tiny
REDBUG
  • MEMBER
  • 1988 MAZDA RX7
  • 2WD
  • MANUAL
  • 900 MILES
I removed the UIM in order to do some work under it. It's been some time and I'm trying to remember where each hose goes. There is a nipple on top of engine block, If I connect a hose on that nipple where would I connect the other end? Or could I just cap it? Question 2: I forgot where the cruise control unit, which is located on passenger's side near firewall, gets its vacuum source( the hose is supposed to go from that unit toward UIM or maybe under it.
Question 3: there is supposed to be a connection between the headers and the actuator pipe to make the actuators work for fifth and sixth port. Help to make that connection is appreciated (location and what it looks like, the actuator pipe).
Thursday, September 12th, 2019 AT 7:08 AM

12 Replies

Tiny
MASTERWRENCH
  • MECHANIC
  • 258 POSTS
Good morning.

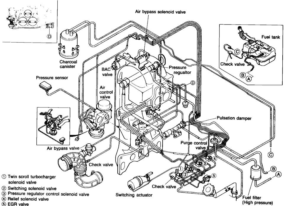
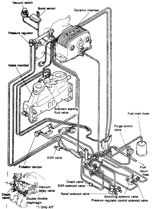
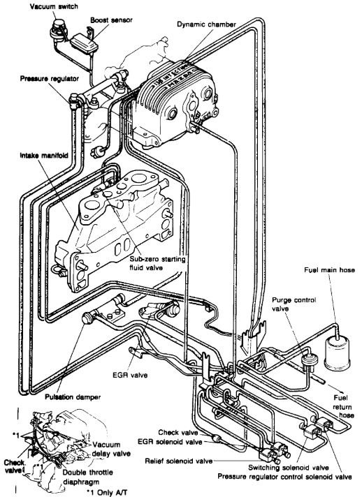
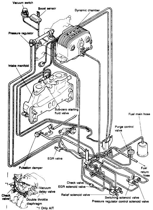
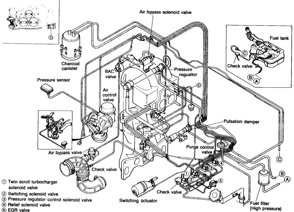
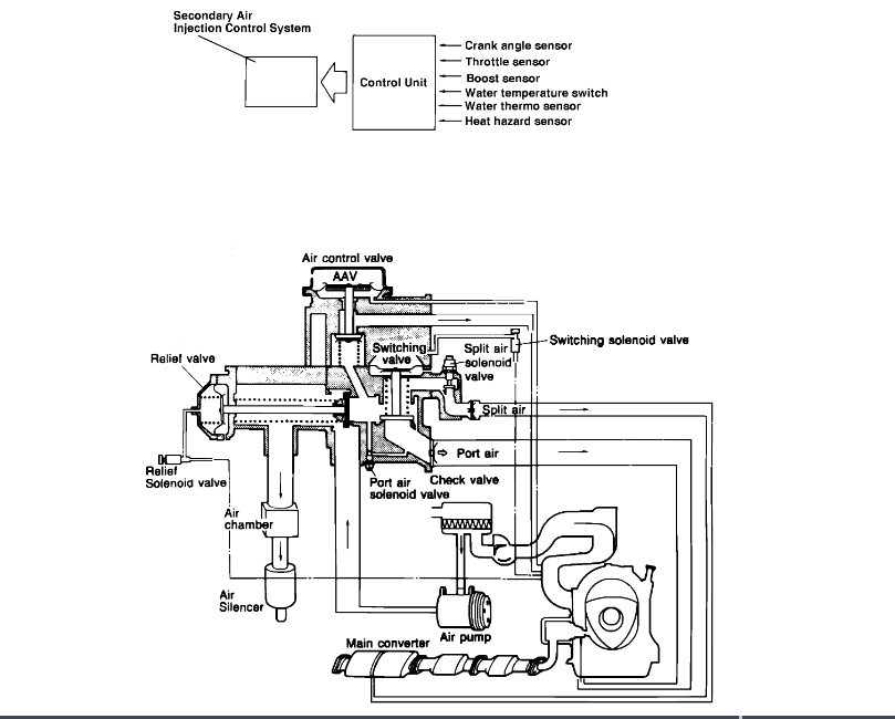
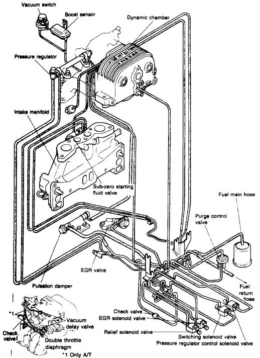
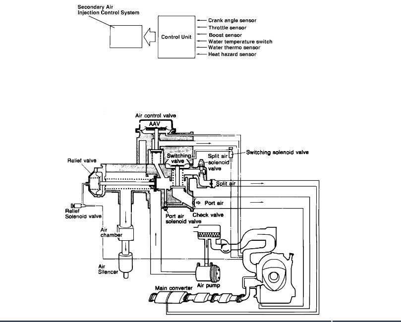
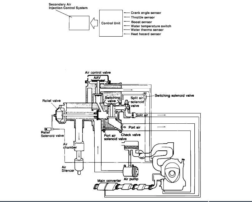
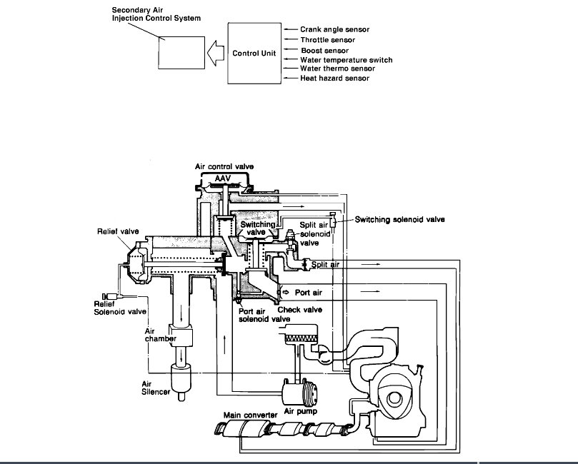
Attached below are the complete vacuum hose routing diagrams for your vehicle. One is for turbo engines (the bigger diagram) and the other is non-turbo. Hopefully this gives you a better idea where every thing connects.

Let me know if you need anything else!
Was this
answer
helpful?
Yes
No
Thursday, September 12th, 2019 AT 7:25 AM
Tiny
REDBUG
  • MEMBER
  • 6 POSTS
Not helpful. The images do not answer my questions.
Was this
answer
helpful?
Yes
No
Thursday, September 12th, 2019 AT 12:42 PM
Tiny
KEN L
  • MASTER CERTIFIED MECHANIC
  • 55,450 POSTS
I checked out the answer looks good. What else are you looking for?
Was this
answer
helpful?
Yes
No
Thursday, September 12th, 2019 AT 12:43 PM
Tiny
REDBUG
  • MEMBER
  • 6 POSTS
Those diagrams do not show the top of engine where the vacuum spout is located. I wanted to know where this spout connects to or whether it can be closed with a cap. Furthermore, the cruise control unit is not shown in the diagrams.
Was this
answer
helpful?
Yes
No
Thursday, September 12th, 2019 AT 1:08 PM
Tiny
KEN L
  • MASTER CERTIFIED MECHANIC
  • 55,450 POSTS
Can you please shoot a quick video with your phone so we can see what's going on? That would be great. You can upload it here with your response.
Was this
answer
helpful?
Yes
No
Friday, September 13th, 2019 AT 10:06 AM
Tiny
REDBUG
  • MEMBER
  • 6 POSTS
  • 1988 MAZDA RX7
  • 1.3L
  • 2WD
  • MANUAL
  • 900 MILES
Can someone provide instructions or photos on my previous question? The FSM diagram or AllData diagram etc, are unhelpful.
Was this
answer
helpful?
Yes
No
Friday, September 13th, 2019 AT 4:01 PM (Merged)
Tiny
SCGRANTURISMO
  • MECHANIC
  • 4,897 POSTS
Hello again,

The information that you requested is in the diagrams down below. Please go through these guides and get back to us with what you are able to find out.

Thanks,
Alex
2CarPros
Was this
answer
helpful?
Yes
No
Friday, September 13th, 2019 AT 4:01 PM (Merged)
Tiny
REDBUG
  • MEMBER
  • 6 POSTS
Hello Ken,
See attached photo showing the port( looks like a vacuum nipple). It is in between the 2 fuel injectors. Where does this port connect to using a hose? Thanks
Was this
answer
helpful?
Yes
No
Saturday, September 14th, 2019 AT 9:13 PM
Tiny
KEN L
  • MASTER CERTIFIED MECHANIC
  • 55,450 POSTS
Good job on the pic, If you look at the second vacuum diagrams it shows it going to one of the control solenoids
Was this
answer
helpful?
Yes
No
Monday, September 16th, 2019 AT 10:30 AM
Tiny
REDBUG
  • MEMBER
  • 6 POSTS
Hello Ken
Following up on the quest about the port in between the 2 fuel injectors. I think it connect to the middle port of the 3ports as shown in the attached pic. Correct me? The hose that's seen hanging, I say it goes to the bottom port of the 3 ports as shown in pic. Can you help with the other arrows with question marks in the pic? 2 are from pulsation damper (?) THANKS
Was this
answer
helpful?
Yes
No
Monday, September 16th, 2019 AT 3:07 PM
Tiny
REDBUG
  • MEMBER
  • 6 POSTS
I took care of the brass port question. Answer to the remaing questions is appreciated.
Was this
answer
helpful?
Yes
No
Monday, September 16th, 2019 AT 4:27 PM
Tiny
KEN L
  • MASTER CERTIFIED MECHANIC
  • 55,450 POSTS
Please post your new question here, you must be logged in.

https://www.2carpros.com/questions/new

Cheers, Ken
Was this
answer
helpful?
Yes
No
Friday, September 20th, 2019 AT 9:11 AM

Please login or register to post a reply.