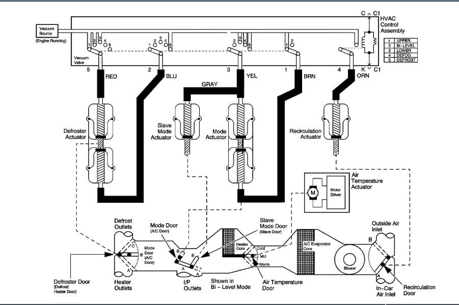
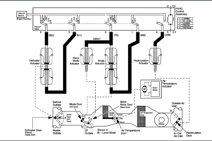
Saturday, March 21st, 2020 AT 7:07 AM
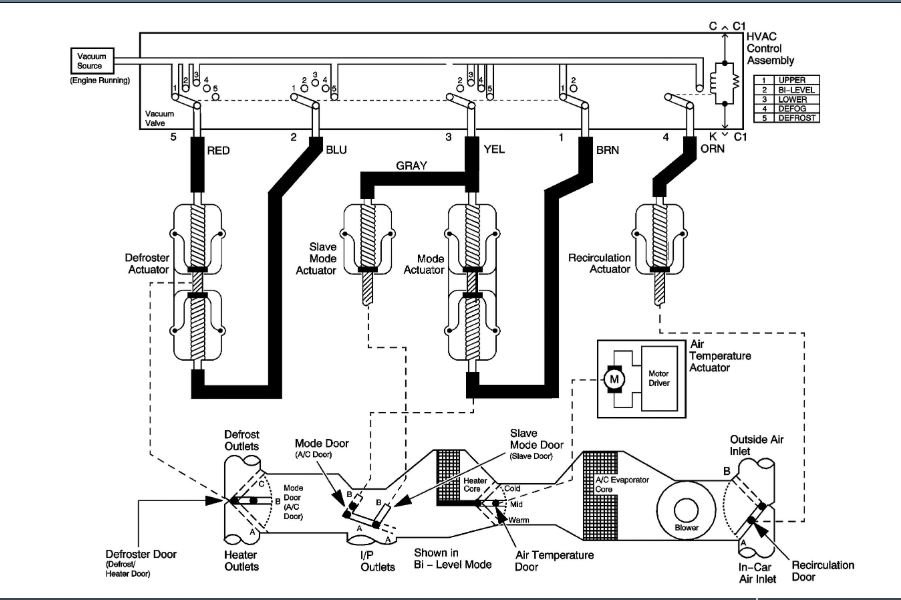
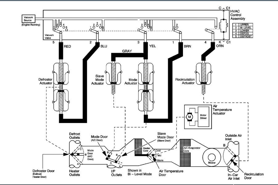
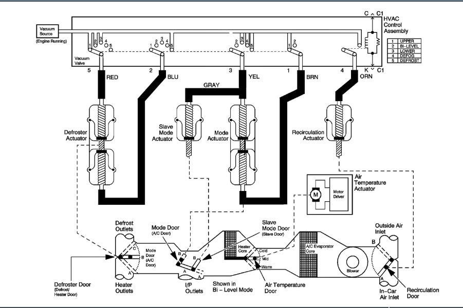
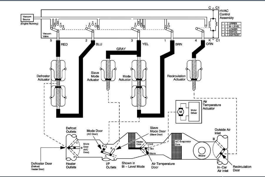
Just replace my heater core. What a headache, and a job, and I have a brown vacuum line which is long stretches to the drivers side and can't figure out where it goes. All the other color coded lines are okay and installed, but this one is really driving me crazy. I'm lost on the issue. Thanks for any help.

