vacuum line diagrams

2003 CHEVROLET BLAZER
172,800 MILES • 4.3L • V6 • 4WD • AUTOMATIC
Avatar
MICHELE HILTON
  • MEMBER
  • 2 POSTS
Need diagrams for the vacuum lines on my 03 Chevy Blazer LS; X, 4dr 4wd vortex 4,3 liter v6 automatic
Apr 30, 2022 at 12:44 PM
Advertisement
Avatar
JACOBANDNICKOLAS
  • CAR REPAIR CONTRIBUTOR
  • 110,190 POSTS
Hi,

I'm not sure if you are looking for a leak or not. However, if you are, here is a link that explains how to locate one.

https://www.2carpros.com/articles/how-to-use-an-engine-vacuum-gauge

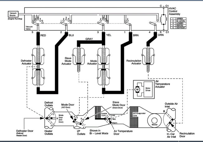
As far as the vacuum schematics, I attached what I have below for your review. The first one is for the EVAP/emissions control system. The second is for the HVAC system.

Take a look through them and let me know if you have questions.

take care,

Joe

See pics below.
Apr 30, 2022 at 9:40 PM
Advertisement
Repair Safety Notice: This information is for general instructional purposes only. Vehicle repair can be dangerous. Verify all information, follow manufacturer service procedures, use proper tools and safety equipment, and consult a qualified repair shop when needed.