HOME
ASK A QUESTION
REPAIR GUIDES
BECOME A MEMBER
LOG IN
Login with Facebook
OR
Remember me
NOT A MEMBER?
FORGOT PASSWORD?
CONTACT US
PRIVACY POLICY
TERMS AND CONDITIONS
☰
Home
Dodge
Ram
Engine
Vacuum Hose Diagram
Vacuum line diagram?
JASON JOANNA SLAYTON
MEMBER
1996 DODGE RAM
5.9L
V8
2WD
AUTOMATIC
1,234,566 MILES
Can someone give me tje vacuum line diagram?
Monday, September 8th, 2025 AT 10:16 AM
3 Replies
KEN L
MASTER CERTIFIED MECHANIC
55,420 POSTS
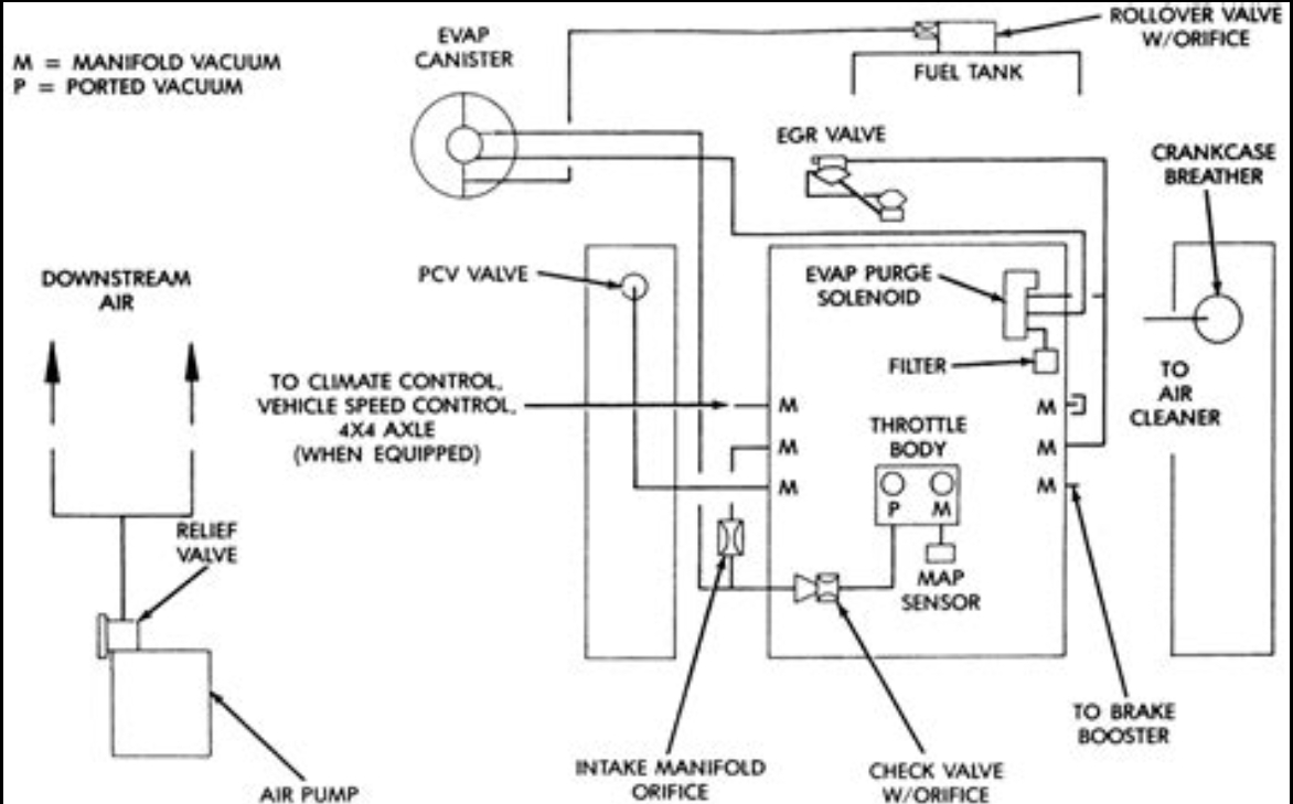
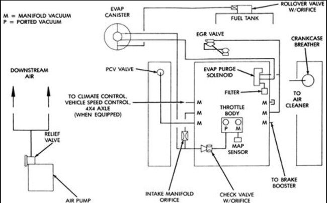
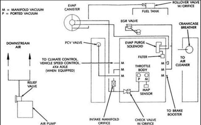
It is a little fuzzy but there is the engine vacuum line diagrams. Check out the images (below). Let us know if you need anything else.
Image (Click to make bigger)
Was this
answer
helpful?
Yes
No
+1
Monday, September 8th, 2025 AT 12:10 PM
JASON JOANNA SLAYTON
MEMBER
2 POSTS
Thank you so much!
Was this
answer
helpful?
Yes
No
Saturday, September 13th, 2025 AT 4:06 PM
KEN L
MASTER CERTIFIED MECHANIC
55,420 POSTS
You are welcome, please use 2CarPros anytime we are here to help.
Was this
answer
helpful?
Yes
No
Sunday, September 14th, 2025 AT 10:35 AM
Please
login
or
register
to post a reply.
Related Vacuum Hose Diagram Content
Vacuum Diagrams?
I Just Rebuild This Motor. Starts Up But Does Not Stay On/does Not Idle. I Can Keep On If I Apply Some Gas But It Sounds Like Either A...
Asked by
2dumdum
·
40 ANSWERS
1 IMAGE
2002
DODGE RAM
I Need A Vacuum Diagram
Two Lines Between The Engine And The Firewall Are Not Connected. I Am Looking For A Drawing That Shows How They Should Be Connected.
Asked by
zman747
·
3 ANSWERS
2 IMAGES
2001
DODGE RAM
After Replacing Engine I Am Not Getting Any Spark From...
I Replaced The Engine And Have Everything Hooked Up Correctly As Far As I Can Tell. I Tried Starting The Engine But I Get No Spark From The...
Asked by
slc240
·
6 ANSWERS
6 IMAGES
1996
DODGE RAM
Idle Air Control
Hi, Got A 1996 Dodge Ram 1500 4x4 5.9 Litre Magnum V8. Check Engine Light On, Codes Were Engine Misfire In 6 Of The Eight Cylinders And...
Asked by
Karl Moulden
·
2 ANSWERS
1996
DODGE RAM
Problems After An Oil Change
1996 Dodge Ram 1500, 5.2l V8, Automatic Trans. I Sent My Truck In To A National Chain For An Oil Change. A Few Days, And A Few...
Asked by
markjohnson1
·
2 ANSWERS
1996
DODGE RAM
VIEW MORE
Ask a Car Question. It's Free!
Vacuum Leak Test and Repair
Vacuum Leak Symptoms
Intermittent Misfire