HOME
ASK A QUESTION
REPAIR GUIDES
BECOME A MEMBER
LOG IN
Login with Facebook
OR
Remember me
NOT A MEMBER?
FORGOT PASSWORD?
CONTACT US
PRIVACY POLICY
TERMS AND CONDITIONS
☰
Home
Ford
F-150
Engine
Vacuum Hose Diagram
Vacuum line diagram needed?
MICHAEL GUNN
MEMBER
2005 FORD F-150
4.6L
V8
4WD
AUTOMATIC
197,999 MILES
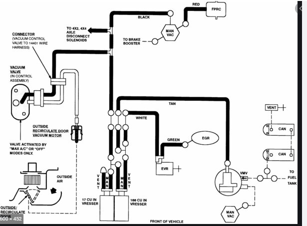
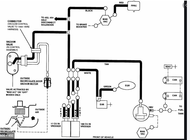
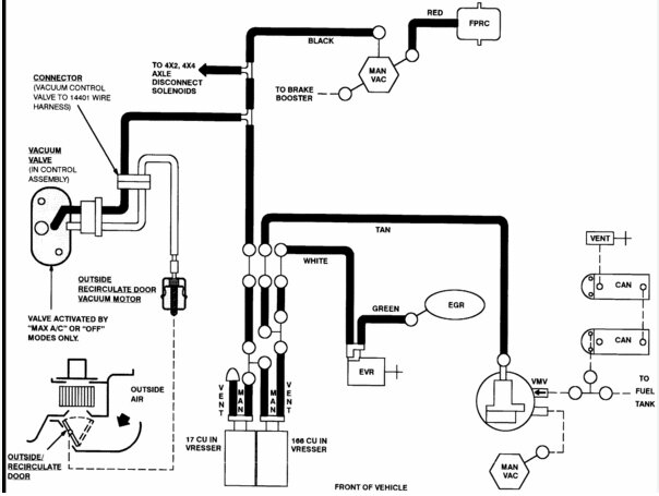
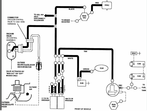
I need a complete list of all vacuum lines.
Tuesday, August 29th, 2023 AT 12:14 PM
1 Reply
KEN L
MASTER CERTIFIED MECHANIC
54,378 POSTS
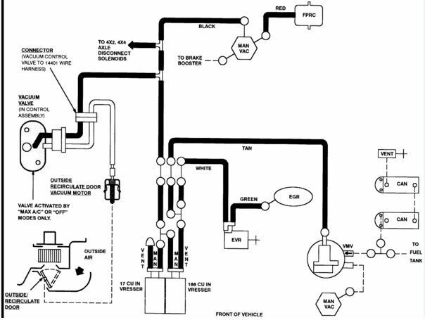
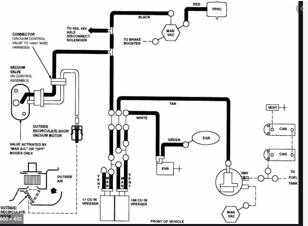
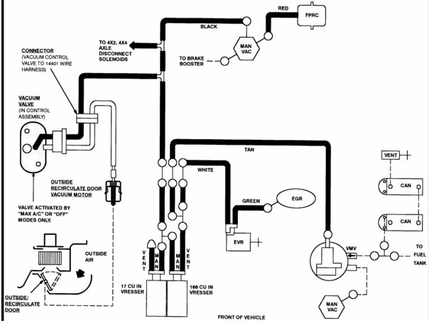
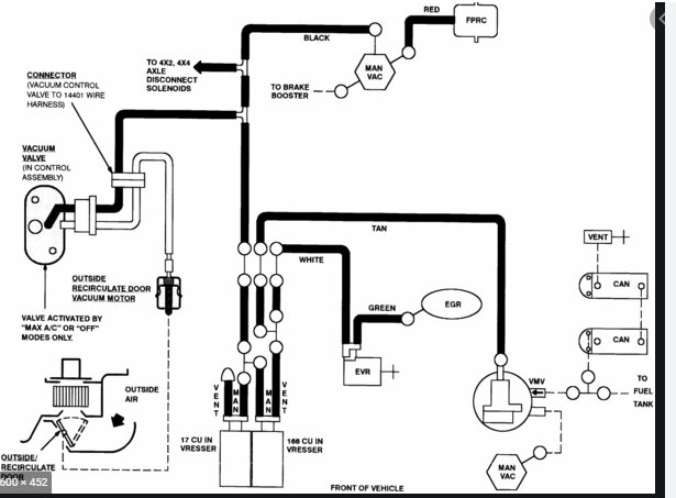
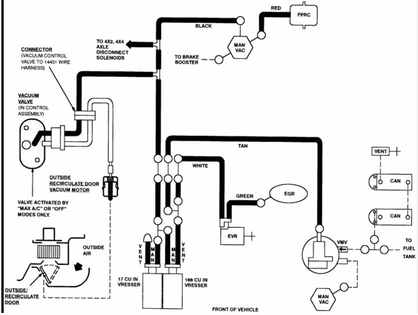
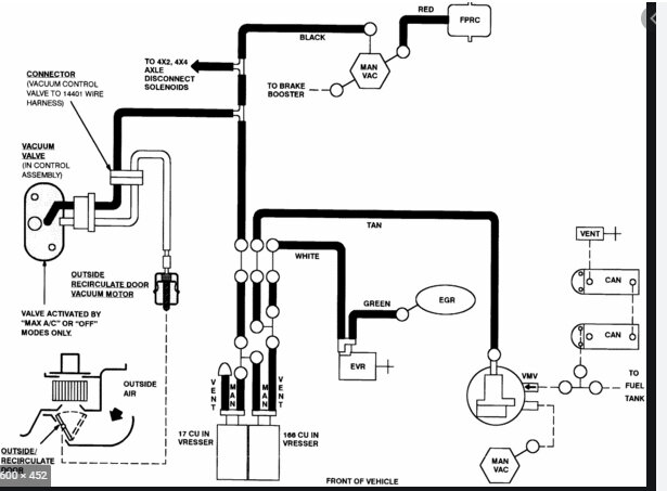
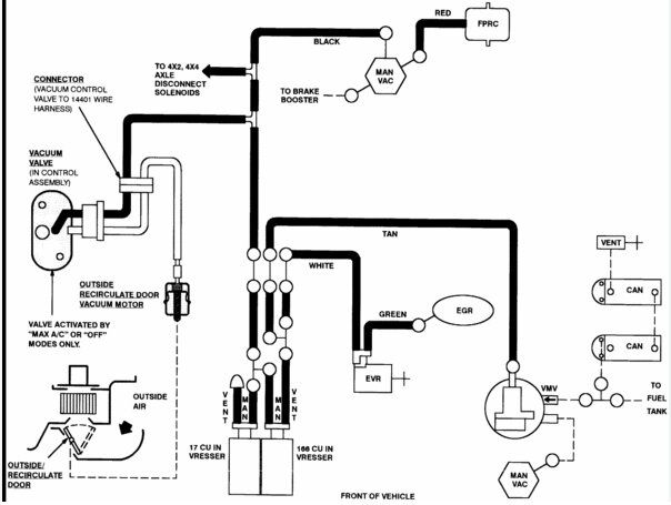
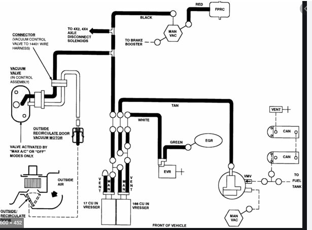
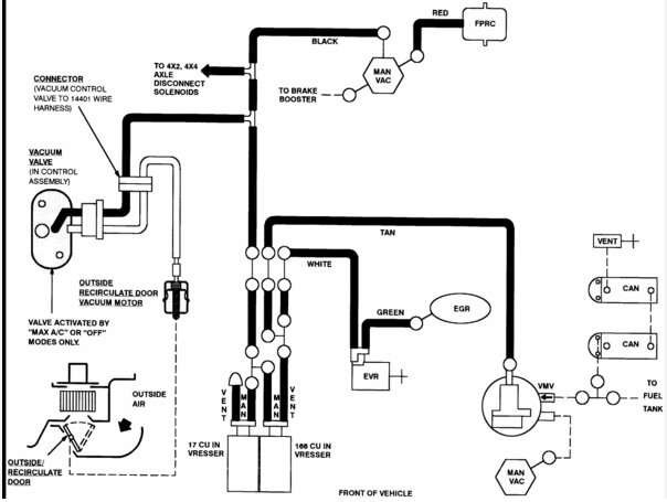
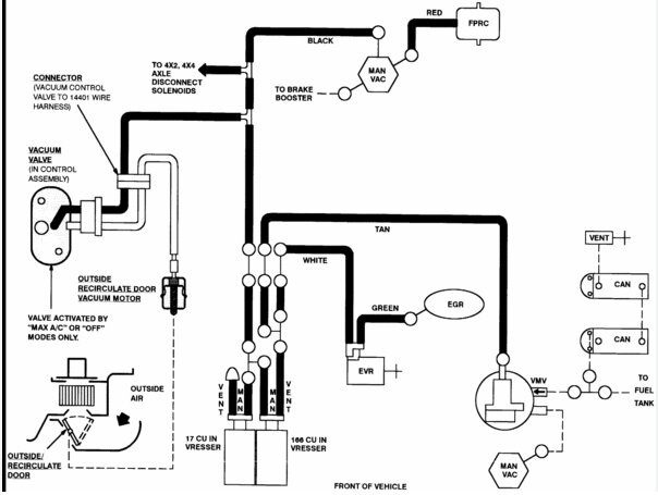
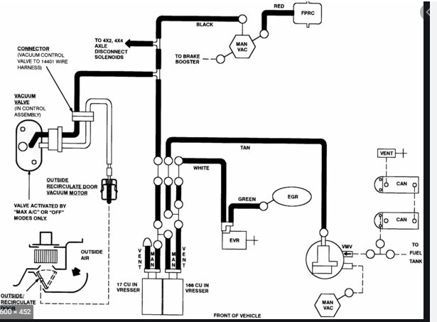
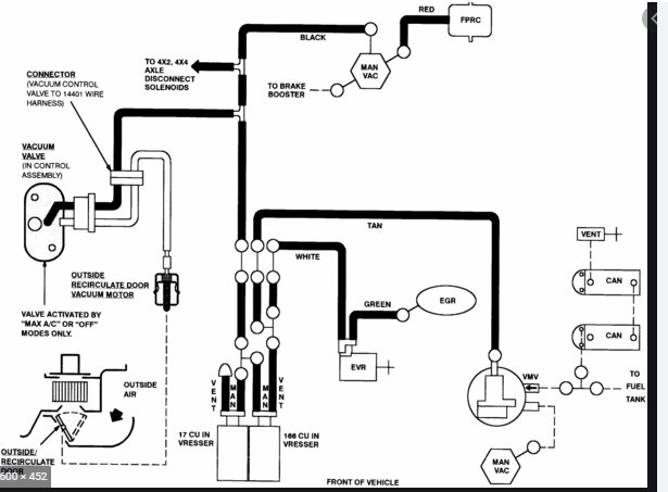
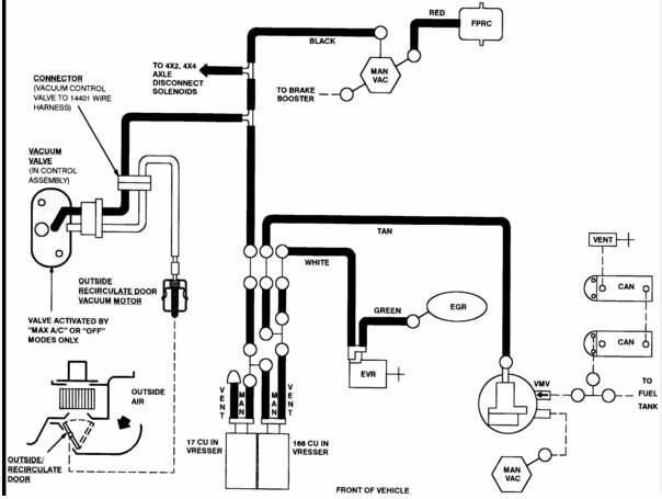
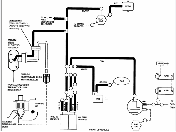
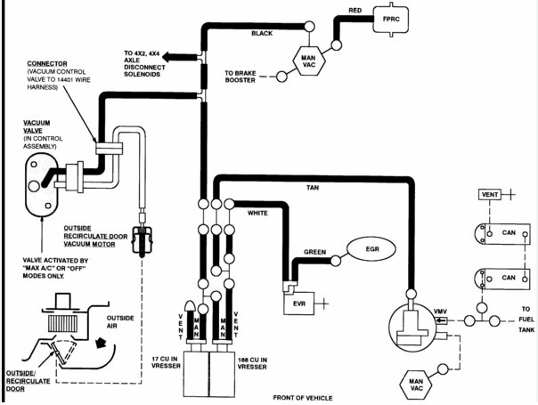
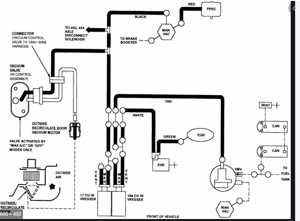
Sure, here are all of the vacuum line diagrams I could find for you. Check out the images (below). Please let us know if you need anything else to get the problem fixed.
Images (Click to make bigger)
Was this
answer
helpful?
Yes
No
+1
Wednesday, August 30th, 2023 AT 11:01 AM
Please
login
or
register
to post a reply.
Related Vacuum Hose Diagram Content
I Cannot Find The End Of A Vacuum-hose Routing
Please Help Me. Give Me A Vacuum Hoses Routing Picture For My Truck Xl, 4.2l Gasoline Engine. I Greatly Appreciate Your Previous Advice.
Asked by
Dumo Jack
·
30 ANSWERS
3 IMAGES
1998
FORD F-150
Vacuum Lines Diagram
1975 Truck With 99,000 Miles, Engine Size 360. I Need To Find The Diagram For The Vacuum Lines. They Were Removed By The Previous Owner. I...
Asked by
revjim
·
2 ANSWERS
FORD F-150
Vacuum Line
Truck Wont Move When Put Into Gear. It Looks Like A Vacuum Line Has Come Off. The Line Is Located Near The B.T.S.I.
Asked by
Vincent R Rapolla
·
1 ANSWER
1 IMAGE
2006
FORD F-150
2001 Ford F-150 Vacume Hose
Changed Out Heater Coil The Other Day And Now It Starts Up But Cuts Off Immediately Unless My Foot Is On The Gas And Runs Real Rough. Also...
Asked by
Ziggy67
·
4 ANSWERS
2001
FORD F-150
2004 F150 Makes Noise In 2wd
My Truck Makes A Ratcheting Sound When Accelerating In 2wd. I Put It Into 4wd, It Stops. I Am Aware Of Iwe And Solenoid Issues. However...
Asked by
shffr0716
·
3 ANSWERS
2004
FORD F-150
VIEW MORE
Ask a Car Question. It's Free!
Vacuum Leak Test and Repair
How to Repair an Engine Cylinder Misfire
Intermittent Misfire