HOME
ASK A QUESTION
REPAIR GUIDES
BECOME A MEMBER
LOG IN
Login with Facebook
OR
Remember me
NOT A MEMBER?
FORGOT PASSWORD?
CONTACT US
PRIVACY POLICY
TERMS AND CONDITIONS
☰
Home
Ford
Explorer Sport Trac
Engine
Vacuum Hose Diagram
Vacuum line broke, A/C only will blow out defrost?
JOEY BREWER
MEMBER
2002 FORD EXPLORER SPORT TRAC
4.0L
V6
2WD
AUTOMATIC
340,000 MILES
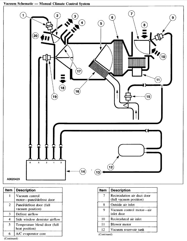
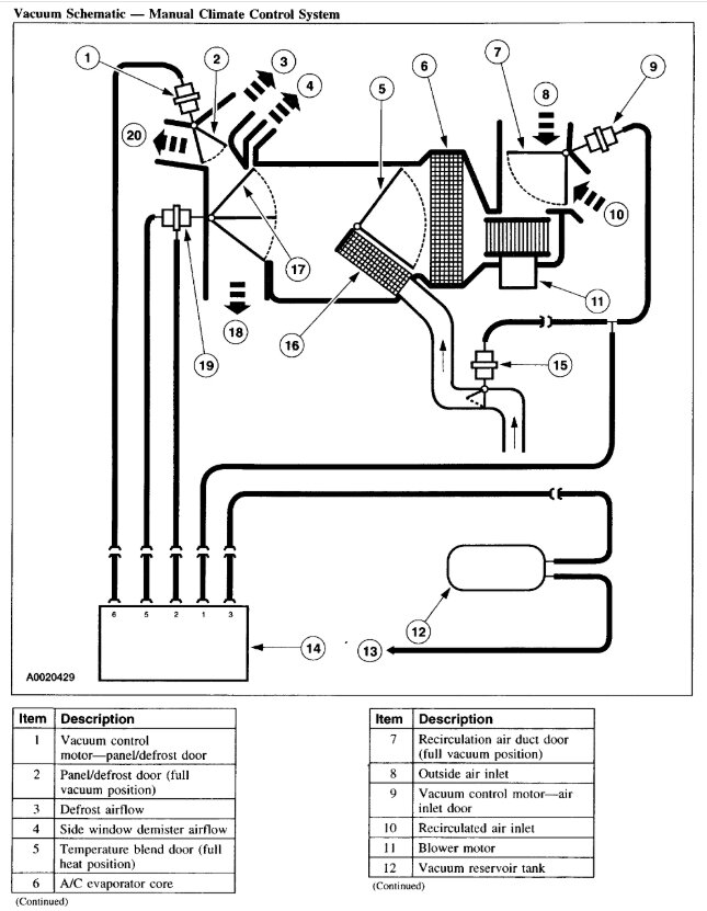
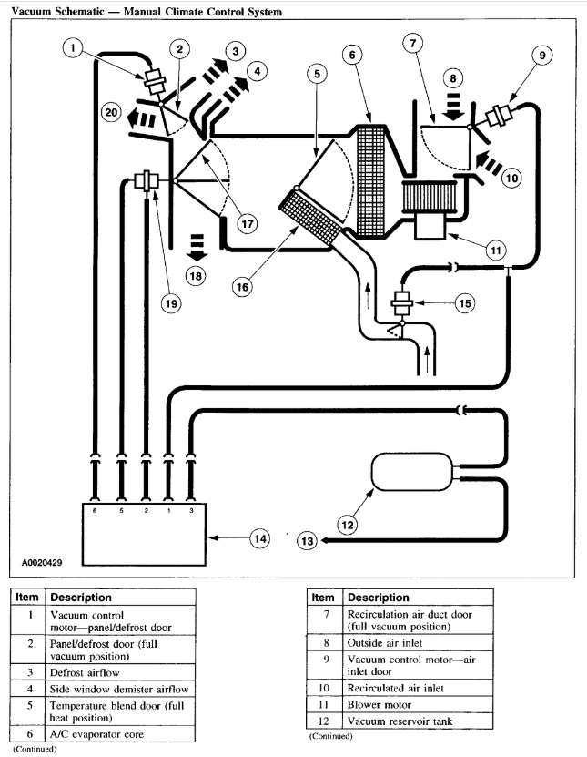
I need a vacuum line diagram to fix vacuum line.
Tuesday, April 1st, 2025 AT 7:51 PM
1 Reply
KEN L
MASTER CERTIFIED MECHANIC
54,591 POSTS
Hello Joey,
Yes, this is a common problem, here is a guide that should be able to help you fix it:
https://www.2carpros.com/articles/air-vents-stay-in-the-defrost-position
Here are the HVAC vacuum line diagrams as requested. Check out the images (below). Let us know if you need anything else.
Image (Click to make bigger)
Was this
answer
helpful?
Yes
No
Wednesday, April 2nd, 2025 AT 12:19 PM
Please
login
or
register
to post a reply.
Ask a Car Question. It's Free!
Intermittent Misfire
Vacuum Leak Test and Repair
Vacuum Leak Symptoms