How can I find the vacuum leak?

2011 VOLKSWAGEN TIGUAN
86,543 MILES • TURBO
Avatar
PETERSONRDT
  • MEMBER
  • 3 POSTS
Vacuum hoses.
Dec 16, 2021 at 1:15 PM
Repair Safety Notice: This information is for general instructional purposes only. Vehicle repair can be dangerous. Verify all information, follow manufacturer service procedures, use proper tools and safety equipment, and consult a qualified repair shop when needed.
Advertisement
Avatar
JACOBANDNICKOLAS
  • CAR REPAIR CONTRIBUTOR
  • 110,190 POSTS
Hi,

As far as locating a vacuum leak, there are a couple of ways. First, with the engine running, listen closely for a hissing or whistling sound. Also, using carb cleaner, the engine will increase in RPM's if it's sprayed near or on the leak. Take a look through this link. It explains how to locate and repair a leak.

https://www.2carpros.com/articles/how-to-use-an-engine-vacuum-gauge

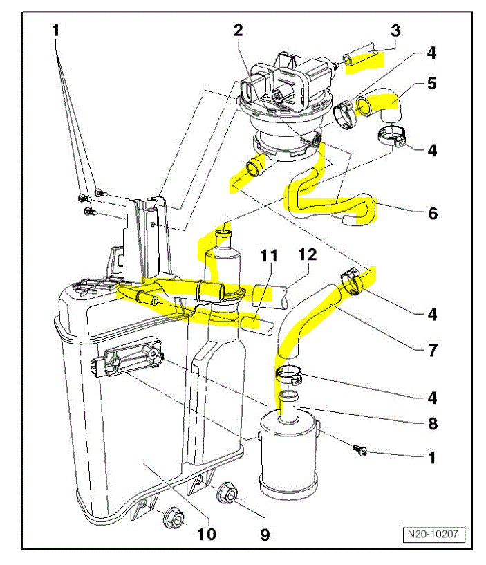
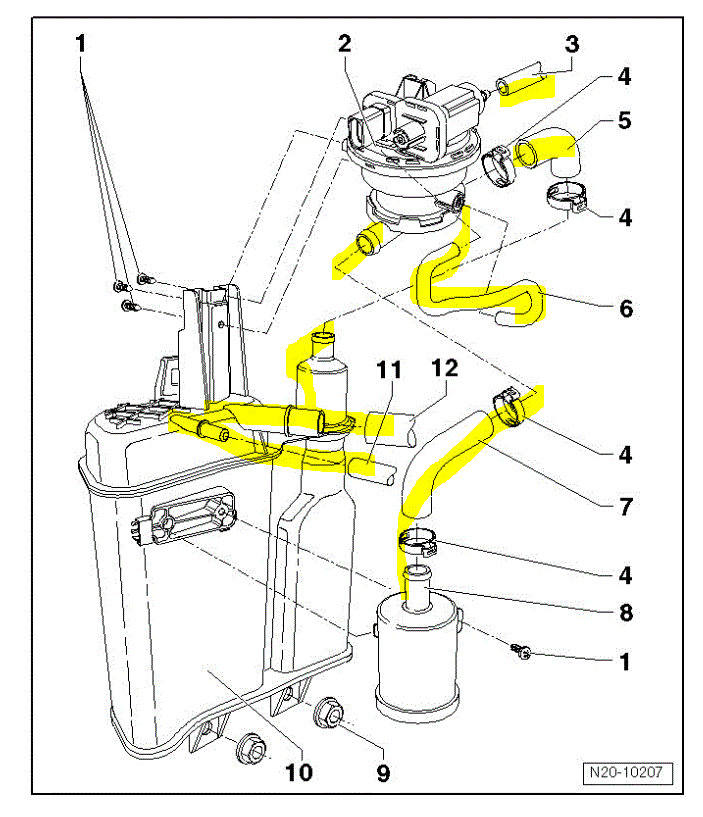
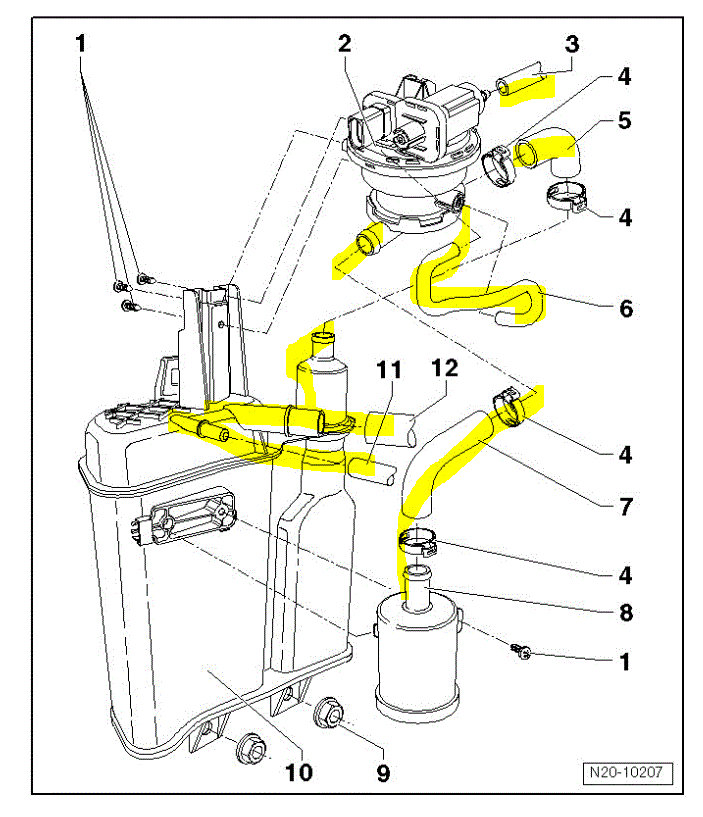
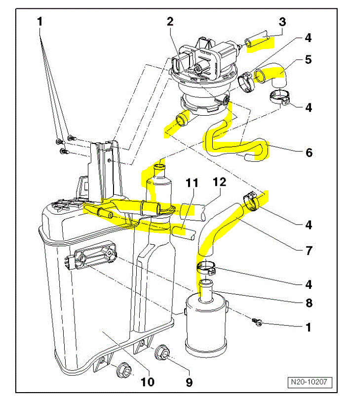
I attached a pic below showing the charcoal canister filter routing. Check around this area as well. I highlighted several vacuum hoses.

If you have a diagnostic trouble code, let me know what it is. That will point me in the right direction.

Take care,

Joe
Dec 16, 2021 at 5:17 PM
Advertisement