Monday, August 21st, 2023 AT 7:14 AM
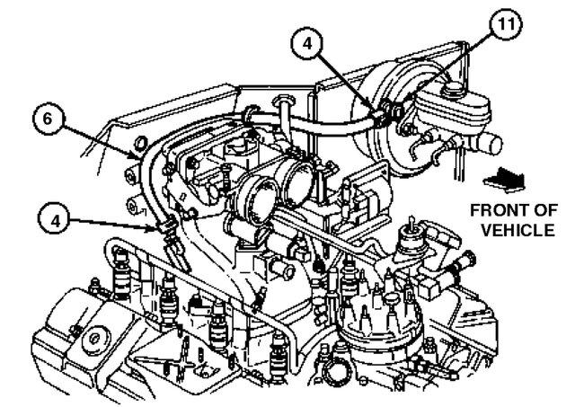
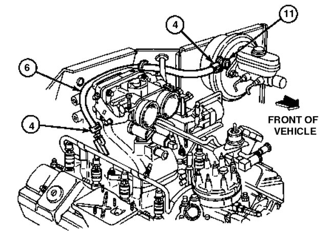
I am nearing the end of a project and cannot find a comprehensive diagram of the complete under-hood vacuum line system. Also, there is an opening in the A/C blower motor that I cannot for the life of me remember what it connects to. Some images attached.









