HOME
ASK A QUESTION
REPAIR GUIDES
BECOME A MEMBER
LOG IN
Login with Facebook
OR
Remember me
NOT A MEMBER?
FORGOT PASSWORD?
CONTACT US
PRIVACY POLICY
TERMS AND CONDITIONS
☰
Home
Ford
Ranger
Engine
Vacuum Hose Diagram
Vaccum line diagram needed?
COOKKEVIN16
MEMBER
1996 FORD RANGER
4.0L
6 CYL
4WD
AUTOMATIC
200,000 MILES
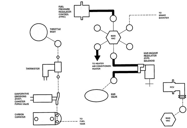
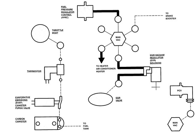
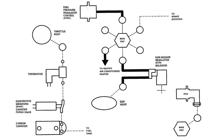
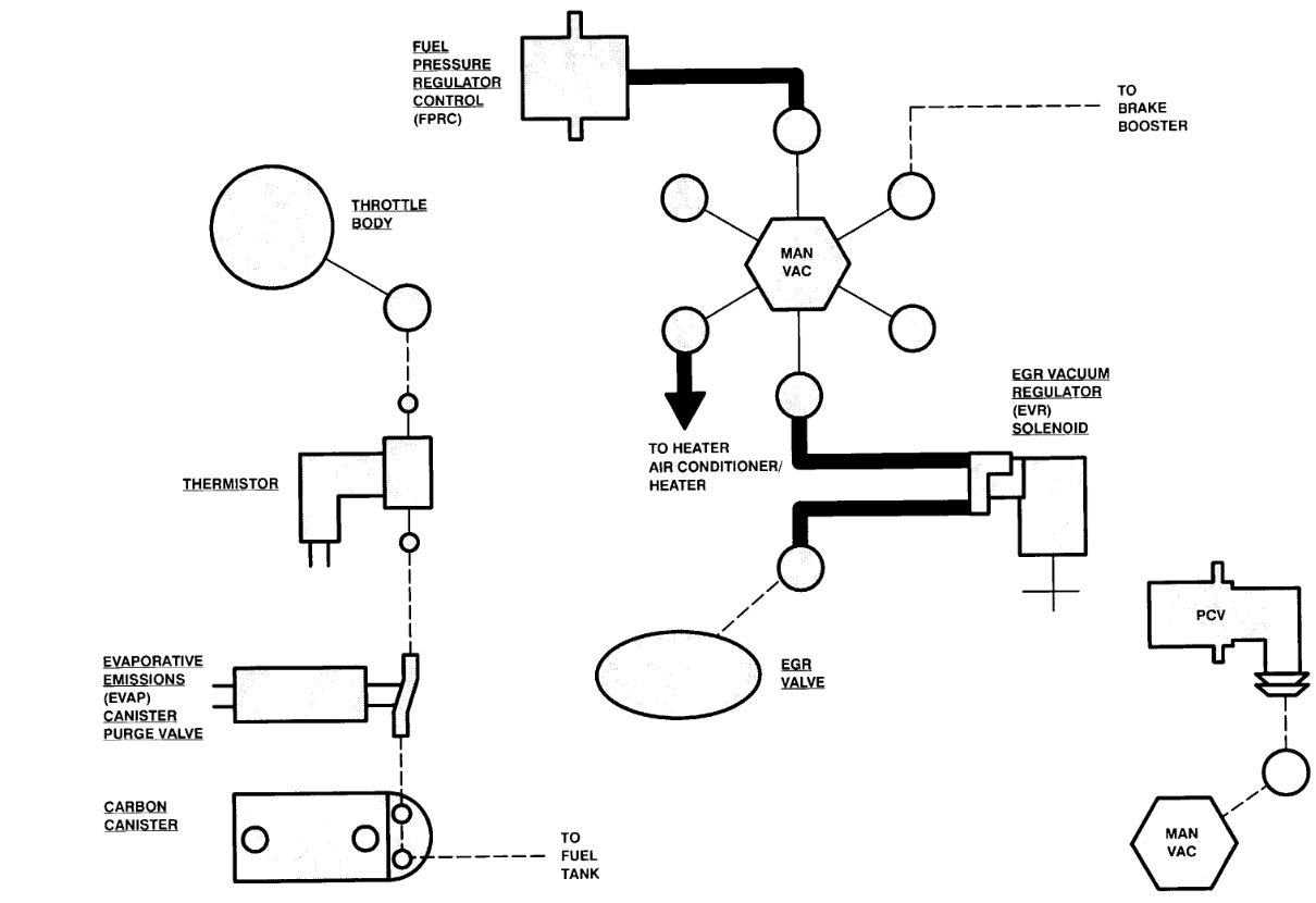
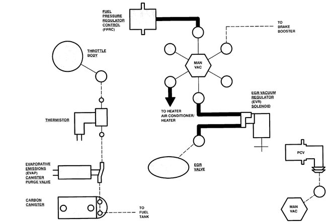
Hello, I need the diagram to the engine vacuum diagram for the truck listed above.
Thank you
Sunday, December 8th, 2024 AT 7:35 PM
1 Reply
KEN L
MASTER CERTIFIED MECHANIC
54,860 POSTS
They just give us this, sorry I was not more help. Check out the images (below). Let us know if you need anything else.
Image (Click to make bigger)
Was this
answer
helpful?
Yes
No
Tuesday, December 10th, 2024 AT 10:47 AM
Please
login
or
register
to post a reply.
Related Vacuum Hose Diagram Content
1996 Ford Ranger
My Ranger Died Out On The Free Way A While Back And I Wasnt Sure Why I Thought It Over Heated But My Themastat Was Fine So I Do A Radiator...
Asked by
ldsbro
·
1 ANSWER
1996
FORD RANGER
Vacuum Line Problems?
When I Turn The Heater On, It Is Not Pulling A Vacuum In The Vacuum Line That Plugs Into The Vacuum Control Motor. As A Result, This...
Asked by
john young
·
9 ANSWERS
6 IMAGES
1999
FORD RANGER
Any Vacuum Lines I Have Not Located
This Truck Has A Severe Low Idle Shakes Very Hard. I Was Informed That Misfire Cylinder One And Four And A Af, I Have Replaced One Of The...
Asked by
Anthony Digilio
·
8 ANSWERS
2 IMAGES
1995
FORD RANGER
2001 Ford Ranger Pedal To Floor Only When Truck...
I Replaced The Front Calipers And The Master Clylinder On My Ranger. The Brakes Had Failed. I Bled The Rear Brakes And Went Rr-rl-fr-fl And...
Asked by
Wesleymac
·
3 ANSWERS
2001
FORD RANGER
1996 Ford Ranger Tune Up
Engine Performance Problem 1996 Ford Ranger 6 Cyl Two Wheel Drive Manual I Do Not Know If The Truck Is Actually A 6cyl, So If I Am...
Asked by
shanny
·
4 ANSWERS
1996
FORD RANGER
VIEW MORE
Ask a Car Question. It's Free!
Vacuum Leak Test and Repair
Intermittent Misfire
Misfire Random Code P0300