Monday, November 27th, 2023 AT 8:36 AM
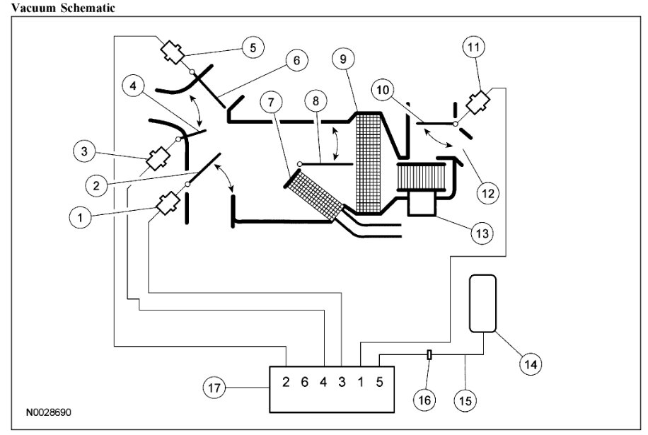
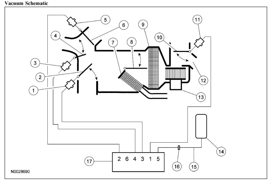
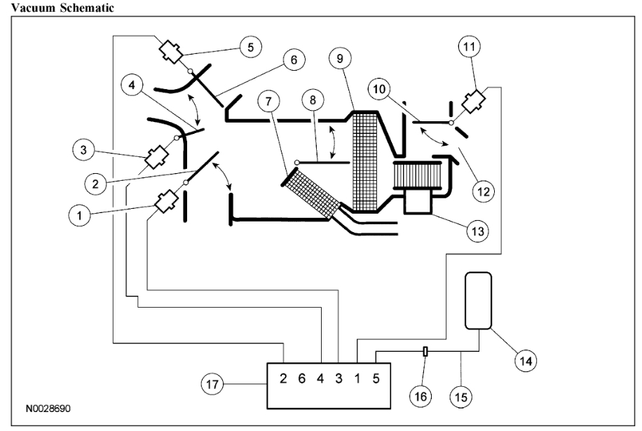
All hoses have rotted away. I also need help with the camshaft positioning sensor. What are the ohms of resistance supposed to be for a good sensor?




