Car starts on its own without the key in the ignition

2006 NISSAN SENTRA
14,000 MILES • 1.8L • 2WD • AUTOMATIC
Avatar
GR33N
  • MEMBER
  • 5 POSTS
My car will start itself (without a key in the ignition) as soon as I connect the battery.
Oct 3, 2020 at 8:27 AM
Advertisement
Avatar
KASEKENNY
  • CAR REPAIR CONTRIBUTOR
  • 18,907 POSTS
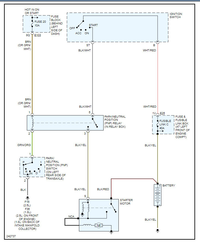
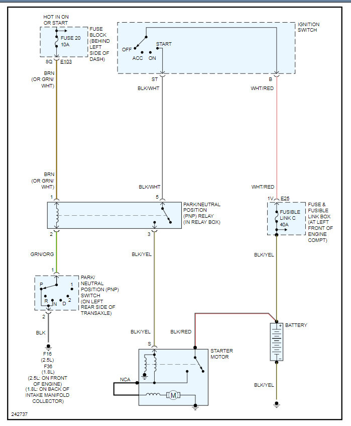
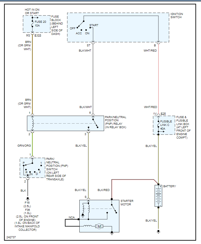
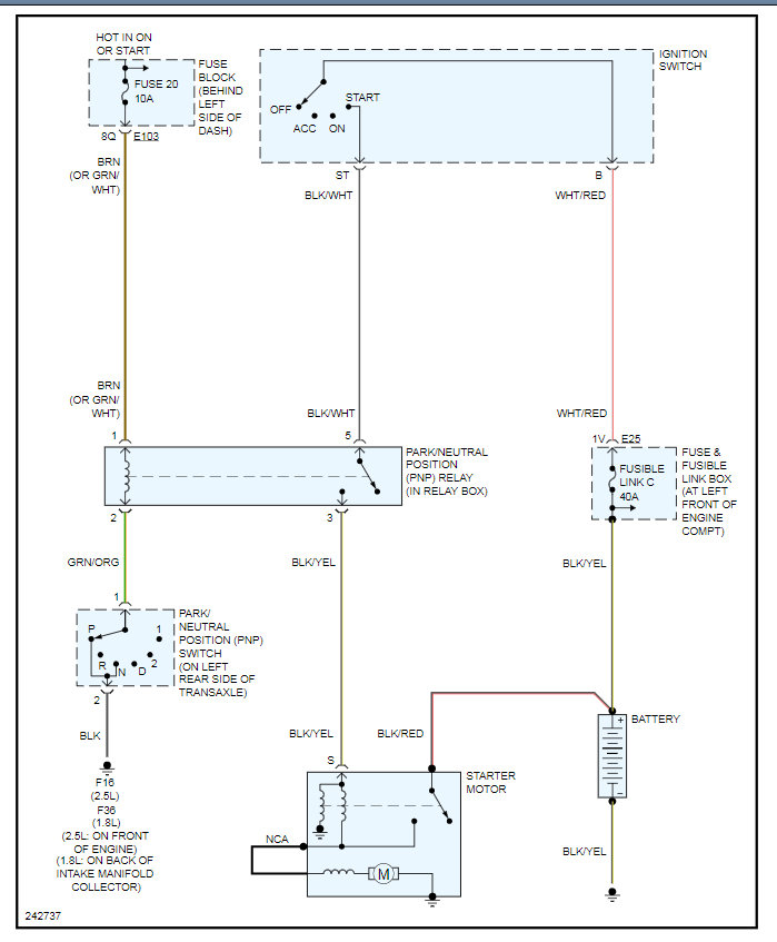
Couple things. Can you get a recording of the engine doing this? Second the most likely thing is a short to power on the wire coming from the ignition switch or going to the starter. This means that the relay is getting power and sending it to the starter or the starter is getting power from a short past the relay. Lastly this could be a shorted relay as well.

So the way to figure this out, is to check power at terminal 3 of the starter relay and at terminal 5 of the relay. If you have no power at terminal 3 then you have a short between the relay and starter on that wire.

Let's start with this and go from there. Thanks
Oct 3, 2020 at 8:59 AM
Advertisement
Avatar
GR33N
  • MEMBER
  • 5 POSTS
Give me a short bit and will attach a video. Thanks for the help.
Oct 3, 2020 at 9:05 AM
Avatar
GR33N
  • MEMBER
  • 5 POSTS
Okay, fixed that issue. but now I turn the car on and it revs up and down. See attached video.
Oct 5, 2020 at 7:24 AM
Avatar
KASEKENNY
  • CAR REPAIR CONTRIBUTOR
  • 18,907 POSTS
That is great. What was the fix for that issue?

As for the other issue we need to start a new post for that one. I think you did already as this issue and vehicle sounds familiar but we need to keep each post to one topic so that others can find the solution if they have the same issue. Thanks

https://www.2carpros.com/questions/new
Oct 5, 2020 at 7:26 PM
Repair Safety Notice: This information is for general instructional purposes only. Vehicle repair can be dangerous. Verify all information, follow manufacturer service procedures, use proper tools and safety equipment, and consult a qualified repair shop when needed.